LEMON Manuals: Even more car manuals for everyone: 1960-2025
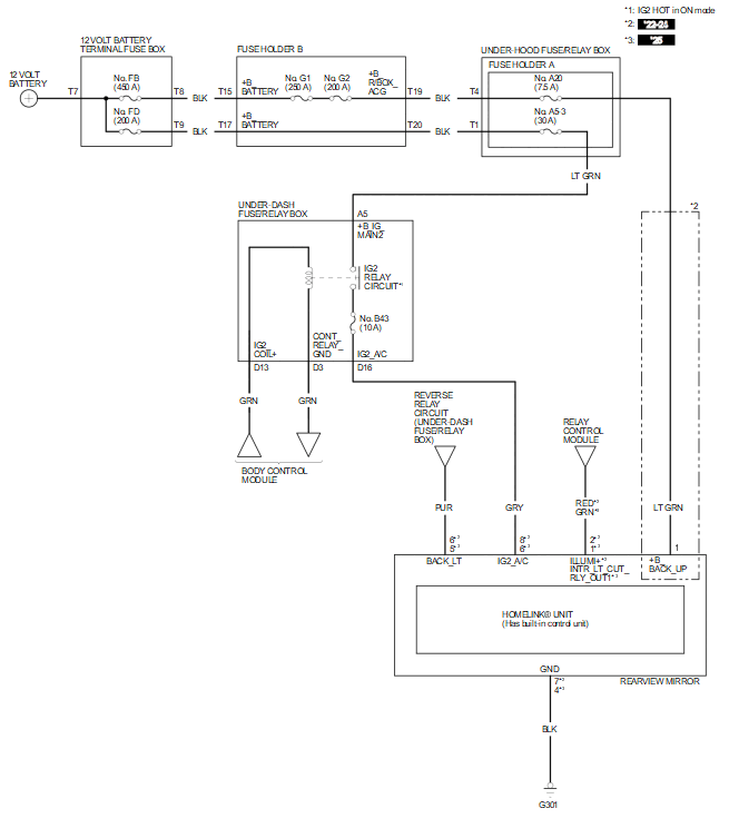
Home >> Acura >> 2022 >> MDX Base >> Repair and Diagnosis (Single Page) >> Steering >> Steering Control Systems >> Body Electrical System - Troubleshooting - System Description >> Circuit Diagram >> HomeLink Remote Control System Circuit Diagram (3.0L Engine)
April 5, 2026: LEMON Manuals is launched! Read the announcement.

HomeLink Remote Control System Circuit Diagram (3.0L Engine)

GHH659141Courtesy of HONDA, U.S.A., INC.