LEMON Manuals: Even more car manuals for everyone: 1960-2025
Home >> Acura >> 2022 >> MDX Base >> Repair and Diagnosis >> Steering >> Steering Control Systems >> Body Electrical System - Troubleshooting - System Description >> Circuit Diagram >> Power Lumbar Support Circuit Diagram (3.0L Engine)
April 5, 2026: LEMON Manuals is launched! Read the announcement.

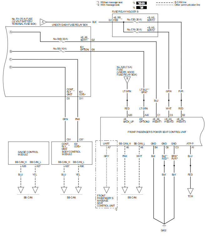
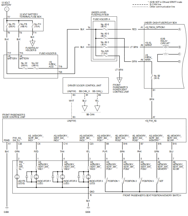
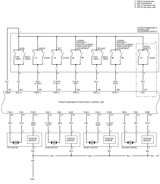
Power Lumbar Support Circuit Diagram (3.0L Engine)

Front Passenger's Power Seat 

NOTE: For details of the CAN circuit, refer to the Network Communications Circuit Diagram.
GHH659234Courtesy of HONDA, U.S.A., INC.
GHH659235Courtesy of HONDA, U.S.A., INC.
GHH659236Courtesy of HONDA, U.S.A., INC.
GHH659237Courtesy of HONDA, U.S.A., INC.