LEMON Manuals: Even more car manuals for everyone: 1960-2025
Home >> Acura >> 2022 >> TLX Base >> Repair and Diagnosis (Single Page) >> Accessories & Equipment >> Drivers Assistance Systems - ADAS >> Advanced Driver Assistance Systems - Testing & Troubleshooting >> Circuit Diagram >> Multi View Camera System (MVCS) Circuit Diagram (3.0L Engine)
April 5, 2026: LEMON Manuals is launched! Read the announcement.

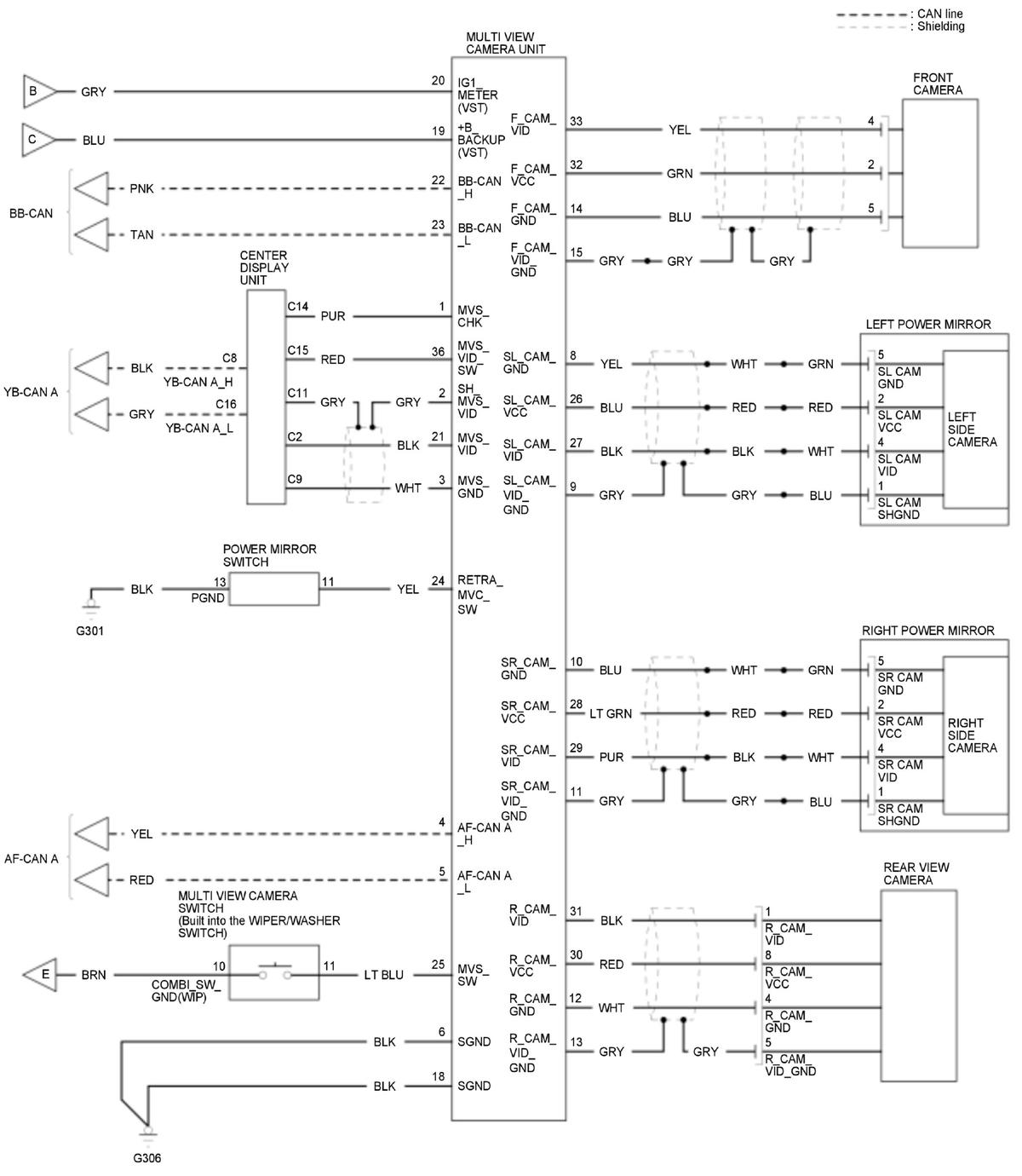
Multi View Camera System (MVCS) Circuit Diagram (3.0L Engine)

NOTE: For details of the CAN circuit refer to the Network Communications Circuit Diagram.
GHH487573Courtesy of HONDA, U.S.A., INC.
GHH487574Courtesy of HONDA, U.S.A., INC.