LEMON Manuals: Even more car manuals for everyone: 1960-2025
Home >> Acura >> 2022 >> TLX Base >> Repair and Diagnosis (Single Page) >> Engine Performance >> System >> Engine Control System - Advanced Diagnostics (2 Of 3) >> Advanced Diagnostics >> DTC Advanced Diagnostics: P04F0 (3.0L Engine)
April 5, 2026: LEMON Manuals is launched! Read the announcement.

DTC Advanced Diagnostics: P04F0 (3.0L Engine)

DTC P04F0:  Evaporative Emission (EVAP) System Low Purge Flow Detected at Turbo

General Description 

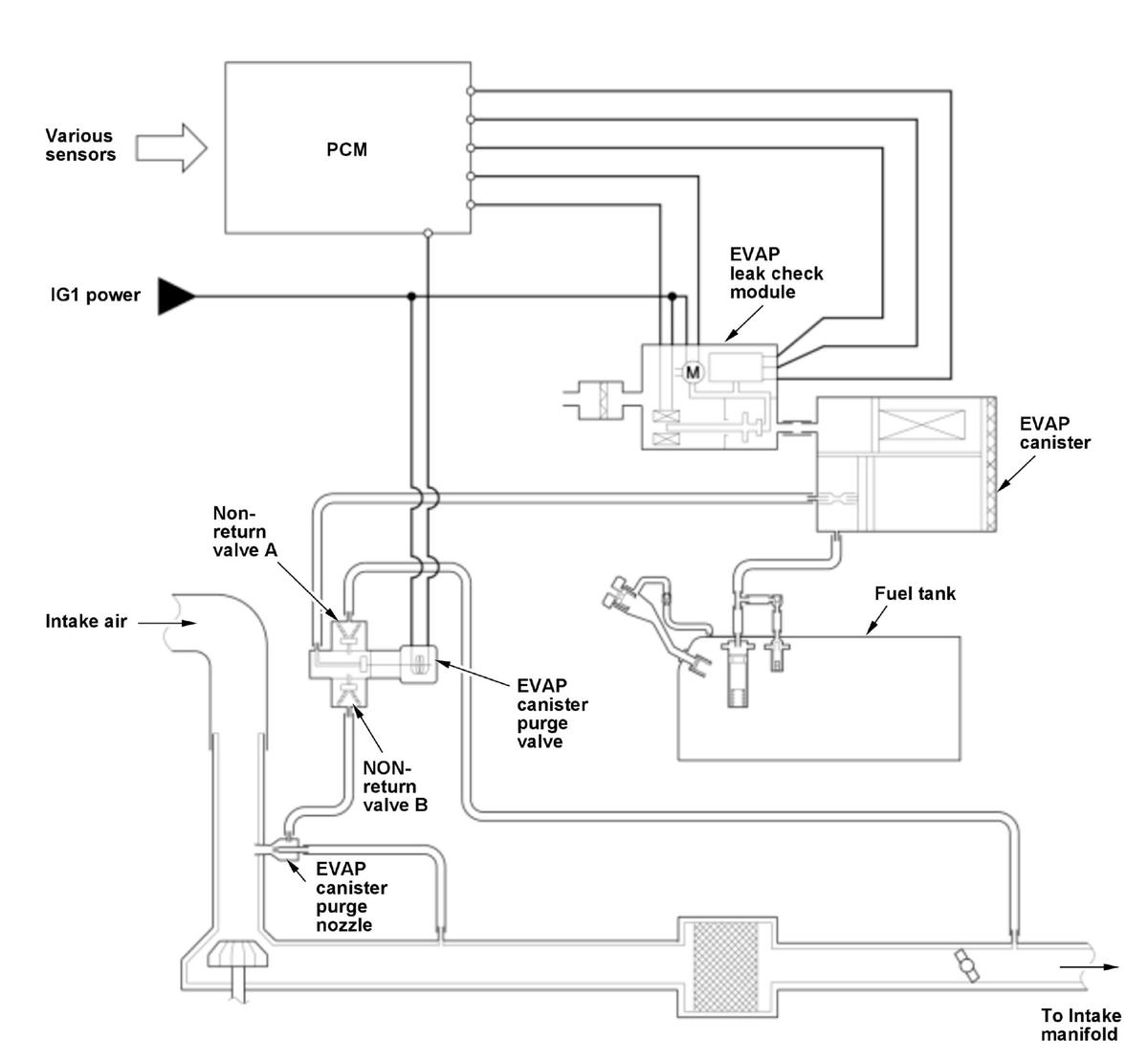
GHH479752Courtesy of HONDA, U.S.A., INC.
GHH479753Courtesy of HONDA, U.S.A., INC.

The powertrain control module (PCM) detects evaporative emission (EVAP) canister purge valve stuck open/close, non-return valve A stuck open/close, and non-return valve B stuck close when the vehicle is driven at certain condition. Each malfunction is determined as follows:

Monitor Execution, Sequence, Duration, DTC Type 

Execution Once per driving cycle
Sequence None
Duration 7.0 seconds or more
DTC Type Two drive cycles, MIL on

Enable Conditions 

Condition Minimum Maximum
Intake air temperature [IAT Sensor (1)] 113 deg.F (-10 deg.C) -
Engine speed [Engine Speed] 1, 000 rpm -

[ ]: HDS Parameter

Condition Minimum Maximum
MAP value [MAP Sensor (Hi Res)] 40 kPa (300 mmHg, 11.8 inHg) -
BARO value [Baro Sensor] 73.4 kPa (551 mmHg, 21.68 inHg) -
12 volt battery voltage [Battery] 10.5 V -
Purge flow 40 L (10.6 US gal) -
Fuel vapor concentration - 0.3
Times canister change over valve switched - 7 times
Fuel feedback Closed-loop

[ ]: HDS Parameter

Enable Conditions after the conditions above are met 

Condition Minimum Maximum
MAP value [MAP Sensor (Hi Res)] 74 kPa (555 mmHg, 21.85 inHg)* 74.7 kPa (560.3 mmHg, 22.06 inHg) -
101.3 kPa (760 mmHg, 29.91 inHg)* 102 kPa 765 mmHg, 30.2 inHg) -

*: BARO value [Baro Sensor]

Malfunction Threshold 

The EVAP leak check module pressure sensor value is more than -0.12 kPa (-0.9 mmHg, -0.035 inHg) for at least 5.0 seconds.**

**: Duration changes depending on the EVAP purge duty

Possible Cause 

NOTE: The causes shown may not be a complete list of all potential problems, and it is possible that there may be other causes.

Confirmation Procedure 

Operating Condition 

Diagnosis Details 

Conditions for setting the DTC 

When a malfunction is detected during the first drive cycle, a Pending DTC is stored in the PCM memory. If the malfunction returns in the next (second) drive cycle, the MIL comes on and a Confirmed DTC, the freeze data, and the on-board snapshot are stored.

Conditions for clearing the DTC 

The MIL is cleared if the malfunction does not return in three consecutive trips in which the diagnostic runs. The MIL, the Pending DTC, the Confirmed DTC, the freeze data, and the on-board snapshot can be cleared with the scan tool clear command.