LEMON Manuals: Even more car manuals for everyone: 1960-2025
Home >> Acura >> 2022 >> TLX Base >> Repair and Diagnosis (Single Page) >> Engine Performance >> System >> Engine Control System - Advanced Diagnostics (2 Of 3) >> Advanced Diagnostics >> DTC Advanced Diagnostics: P06E4 (3.0L Engine)
April 5, 2026: LEMON Manuals is launched! Read the announcement.

DTC Advanced Diagnostics: P06E4 (3.0L Engine)

DTC P06E4:  Powertrain Control Module (PCM) Wake Up Timer Malfunction

General Description 

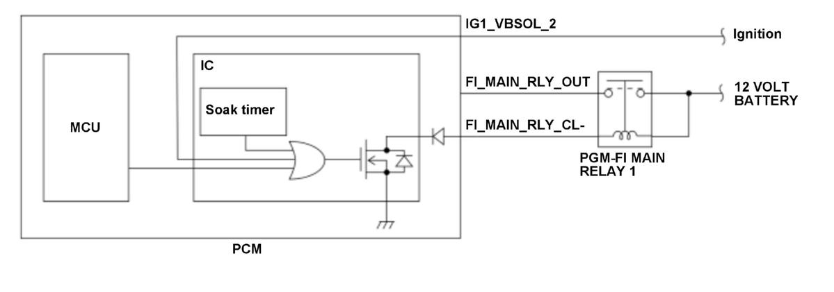
GHH479831Courtesy of HONDA, U.S.A., INC.

To supply power (FI_MAIN_RLY_OUT) for the powertrain control module (PCM), the PGM-FI main relay 1 drive request that is generated from the logical sum of the external signal (IG1_VBSOL_2) and the internal signal (PGM-FI main relay 1 drive request and soak timer) drives the FI_MAIN_RLY_CL- terminal, and turns the PGM-FI main relay 1 on. The soak timer continues to measure the time during off of the microcomputer (MCU) by supplying power from the +B_VBS/VBU line. The soak timer line drives to turn the PGM-FI main relay 1 on by the activation timer that is set at the time of MCU off and activates the MCU. The PCM performs the diagnosis of the soak timer with the following methods.

Monitor Execution, Sequence, Duration, DTC Type 

Execution Continuous
Sequence None
Duration -
DTC Type One drive cycle, MIL on

Enable Conditions 

Condition  
Vehicle ON mode

Malfunction Threshold 

Any of the condition occurs:

Possible Cause 

NOTE: The causes shown may not be a complete list of all potential problems, and it is possible that there may be other causes.

Confirmation Procedure 

Operating Condition 

Diagnosis Details 

Conditions for setting the DTC 

When a malfunction is detected, the MIL comes on and a Pending DTC, a Confirmed DTC, the freeze data, and the on-board snapshot are stored in the PCM memory.

Conditions for clearing the DTC 

The MIL is cleared if the malfunction does not return in three consecutive trips in which the diagnostic runs. The MIL, the Pending DTC, the Confirmed DTC, the freeze data, and the on-board snapshot can be cleared with the scan tool clear command.