LEMON Manuals: Even more car manuals for everyone: 1960-2025
Home >> Acura >> 2022 >> TLX Base >> Repair and Diagnosis (Single Page) >> Engine Performance >> System >> Engine Control System - Advanced Diagnostics (3 Of 3) >> Advanced Diagnostics >> DTC Advanced Diagnostics: P2148 (3.0L Engine)
April 5, 2026: LEMON Manuals is launched! Read the announcement.

DTC Advanced Diagnostics: P2148 (3.0L Engine)

DTC P2148:  Powertrain Control Module (PCM) Injector Power Supply Circuit Malfunction

General Description 

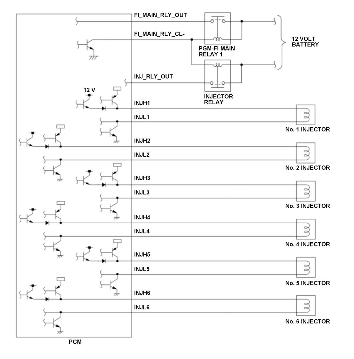
GHH479924Courtesy of HONDA, U.S.A., INC.

The injector supplies fuel to the engine and is controlled by the powertrain control module (PCM) ON/OFF command. The injector driver IC equipped in the PCM controls the DC-DC voltage converter to boost the voltage and supplies to the injector. The injector driver IC monitors the voltage that is generated in the DC-DC voltage converter. If the monitored voltage is determined as over charged, the PCM detects a malfunction and stores a DTC.

Monitor Execution, Sequence, Duration, DTC Type 

Execution Continuous
Sequence None
Duration 0.5 second or more
DTC Type Two drive cycles, MIL on

Enable Conditions 

Condition Minimum Maximum
Elapsed time after the vehicle is turned to the ON mode 100 milliseconds -
12 volt battery voltage [Battery] 10.0 V -

[ ]: HDS Parameter

Malfunction Threshold 

The PCM detects an abnormal condition (over charged) of the injector driver IC for at least 0.5 second.

Possible Cause 

NOTE: The causes shown may not be a complete list of all potential problems, and it is possible that there may be other causes.

Diagnosis Details 

Conditions for setting the DTC 

When a malfunction is detected during the first drive cycle, a Pending DTC is stored in the PCM memory. If the malfunction returns in the next (second) drive cycle, the MIL comes on and a Confirmed DTC, the freeze data, and the on-board snapshot are stored.

Conditions for clearing the DTC 

The MIL is cleared if the malfunction does not return in three consecutive trips in which the diagnostic runs. The MIL, the Pending DTC, the Confirmed DTC, the freeze data, and the on-board snapshot can be cleared with the scan tool clear command.