LEMON Manuals: Even more car manuals for everyone: 1960-2025
Home >> Acura >> 2022 >> TLX Base >> Repair and Diagnosis >> Transmission >> Transfer Case >> Automatic Transaxle/Transfer Assembly - Service, Testing And Troubleshooting >> Circuit Diagram >> A/T System Circuit Diagram
April 5, 2026: LEMON Manuals is launched! Read the announcement.

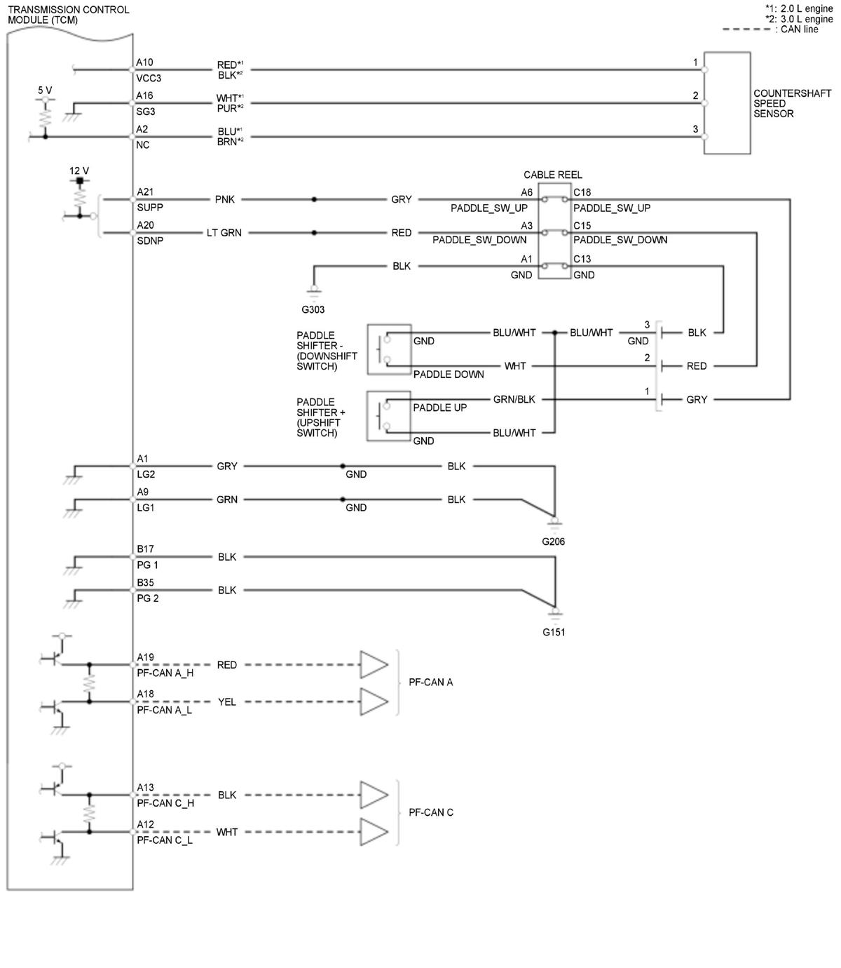
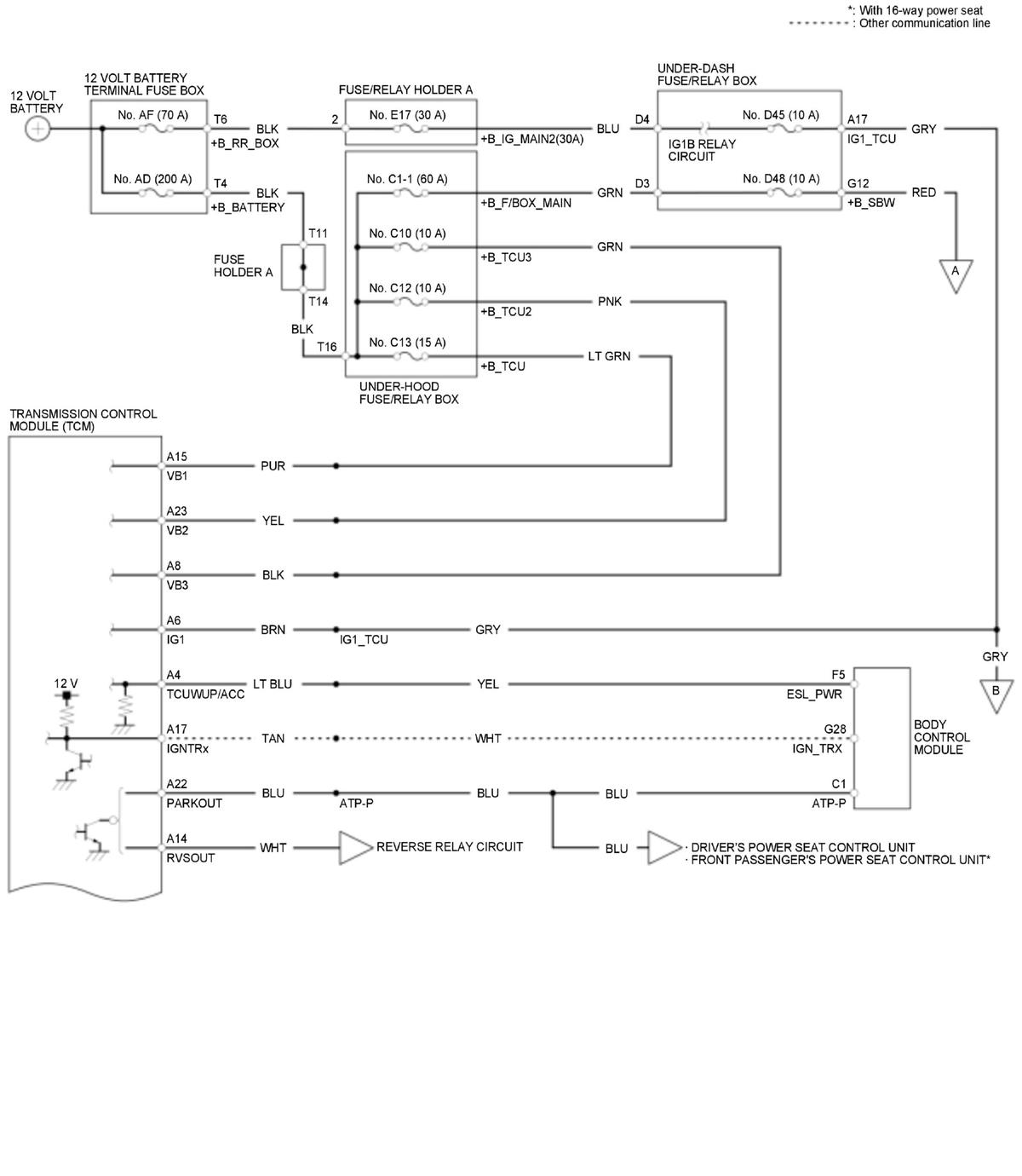
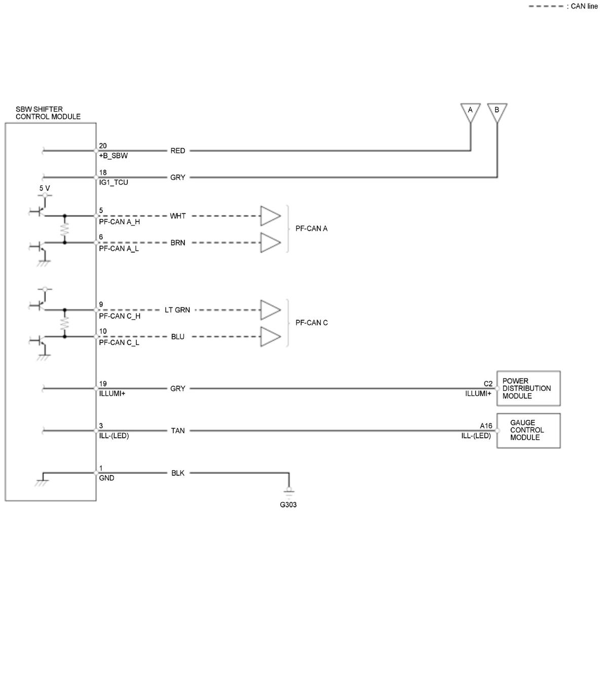
A/T System Circuit Diagram

NOTE: For details of the CAN circuit, refer to the Network Communications Circuit Diagram
GHH477392Courtesy of HONDA, U.S.A., INC.
GHH477393Courtesy of HONDA, U.S.A., INC.
GHH477394Courtesy of HONDA, U.S.A., INC.
GHH477395Courtesy of HONDA, U.S.A., INC.
GHH477396Courtesy of HONDA, U.S.A., INC.