DTC Advanced Diagnostics: P0201, P0202, P0203, P0204 (1.5L Engine)
DTC P0201: No. 1 Cylinder Injector Circuit Malfunction DTC P0202: No. 2 Cylinder Injector Circuit Malfunction DTC P0203: No. 3 Cylinder Injector Circuit Malfunction DTC P0204: No. 4 Cylinder Injector Circuit Malfunction
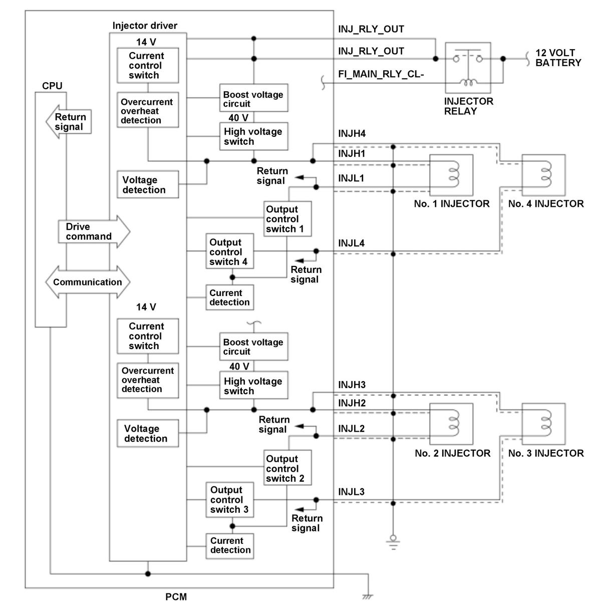
General Description
The injector supplies fuel to the engine and is controlled by the powertrain control module (PCM) ON/OFF command. In the PCM, the injector driver receives a drive commands from the CPU and drives the injector. The CPU monitors injector currents and return signal from the injector driver to monitor a terminal voltage of PCM. If the monitored conditions are abnormal for a specified time, the PCM detects a malfunction and stores a DTC.
Monitor Execution, Sequence, Duration, DTC Type
| Execution | Continuous |
| Sequence | None |
| Duration | - |
| DTC Type | One drive cycle, MIL on |
Enable Conditions
| Condition | Minimum | Maximum |
|---|---|---|
| 12 volt battery voltage [Battery] | 10 V | - |
| State of the engine | Running | |
| Crankshaft position (CKP) sensor | Normal | |
| Camshaft position (CMP) sensor | Normal | |
[ ]: HDS Parameter
Malfunction Threshold
Any of the conditions occur at least 30 times (counts once per engine cycle):
- Symptom: Injector current not flowing
The injector current is 0.2 A to 1 A or less*.
- Symptom: Injector over current
The injector current is 12 A to 20 A or more*.
- Symptom: PCM terminal (to injector) short to ground
The PCM terminal (to injector) voltage is 1 V to 1.3 V or less*.
- Symptom: PCM terminal (to injector) short to power
The PCM terminal (to injector) voltage is 4.6 V to 5 V or more*.
- Symptom: Return signal abnormal
The return signal does not change.
*: Varies with driving condition.
Possible Cause
The causes shown may not be a complete list of all potential problems, and it is possible that there may be other causes.
DTC: P0201
- No. 1 injector failure
- No. 1 injector line open
- No. 1 injector line short to ground
- No. 1 injector line short to power
- No. 4 injector line short to ground
DTC: P0202
- No. 2 injector failure
- No. 2 injector line open
- No. 2 injector line short to ground
- No. 2 injector line short to power
- No. 3 injector line short to ground
DTC: P0203
- No. 3 injector failure
- No. 3 injector line open
- No. 3 injector line short to ground
- No. 3 injector line short to power
- No. 2 injector line short to ground
DTC: P0204
- No. 4 injector failure
- No. 4 injector line open
- No. 4 injector line short to ground
- No. 4 injector line short to power
- No. 1 injector line short to ground
Common
- Injector relay failure
- PCM internal circuit failure (injector driver power supply line open)
- High pressure fuel pump failure
Diagnosis Details
Conditions for setting the DTC
When a malfunction is detected, the MIL comes on and a Pending DTC, a Confirmed DTC, the freeze data, and the on-board snapshot are stored in the PCM memory.
Conditions for clearing the DTC
The MIL is cleared if the malfunction does not return in three consecutive trips in which the diagnostic runs. The MIL, the Pending DTC, the Confirmed DTC, the freeze data, and the on-board snapshot can be cleared with the scan tool clear command.