LEMON Manuals: Even more car manuals for everyone: 1960-2025
Home >> Acura >> 2023 >> Integra Base, Standard Trans >> Repair and Diagnosis (Single Page) >> Engine Performance >> System >> Engine Control System Advanced Diagnostics (P0010 - P0369) >> Advanced Diagnostics >> DTC Advanced Diagnostics: P0221 (2.0L Engine) (2024 2025)
April 5, 2026: LEMON Manuals is launched! Read the announcement.

DTC Advanced Diagnostics: P0221 (2.0L Engine) (2024 2025)

DTC P0221  : Throttle Position (TP) Sensor B Range/Performance Problem

General Description 

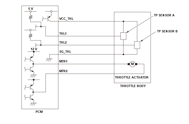
GHH652717Courtesy of HONDA, U.S.A., INC.
GHH652718Courtesy of HONDA, U.S.A., INC.

The powertrain control module (PCM) monitors the throttle position (TP) sensor B circuit for physical range check. The diagnostic compares the voltages of the throttle position sensor B read at the closed and open positions of the throttle valve with their respective calibrated threshold values. If the TP sensor B output voltage is a specified value for a specified time, the PCM detects a malfunction and stores a DTC.

Monitor Execution, Sequence, Duration, DTC Type 

Execution Continuous
Sequence None
Duration 0.14 seconds or more
DTC Type Two drive cycles, MIL on

Enable Conditions 

Condition  
State of the engine Running

Malfunction Threshold 

Either of the conditions continues for at least 0.14 seconds.

[ ]: HDS Parameter

Possible Cause 

NOTE:

The causes shown may not be a complete list of all potential problems, and it is possible that there may be other causes.

  • TP sensor B contact resistance changed
  • Throttle body failure (TP sensor B)
  • PCM internal circuit failure

Diagnosis Details 

Conditions for setting the DTC 

When a malfunction is detected during the first drive cycle, a Pending DTC is stored in the PCM memory. If the malfunction returns in the next (second) drive cycle, the MIL comes on and a Confirmed DTC, the freeze data, and the on-board snapshot are stored.

Conditions for clearing the DTC 

The MIL is cleared if the malfunction does not return in three consecutive trips in which the diagnostic runs. The MIL, the Pending DTC, the Confirmed DTC, the freeze data, and the on-board snapshot can be cleared with the scan tool clear command.