LEMON Manuals: Even more car manuals for everyone: 1960-2025
Home >> Acura >> 2023 >> Integra Base, Standard Trans >> Repair and Diagnosis (Single Page) >> Engine Performance >> System >> Engine Control System Advanced Diagnostics (P0010 - P0369) >> Advanced Diagnostics >> DTC Advanced Diagnostics: P0222, P0223 (1.5L Engine)
April 5, 2026: LEMON Manuals is launched! Read the announcement.

DTC Advanced Diagnostics: P0222, P0223 (1.5L Engine)

DTC P0222:  Throttle Position (TP) Sensor B Circuit Low Voltage DTC P0223:  Throttle Position (TP) Sensor B Circuit High Voltage

General Description 

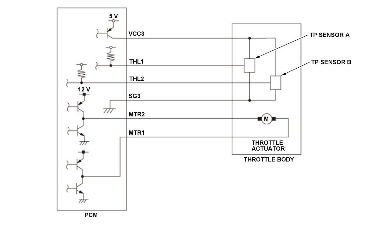
GHH529201Courtesy of HONDA, U.S.A., INC.

The electronic throttle control system controls the throttle valve opening. The system includes the throttle actuator, the throttle valve, throttle position (TP) sensors A and B, the PGM-FI subrelay, the accelerator pedal position (APP) sensor, and the powertrain control module (PCM). TP sensor B is a semiconductor type, and it is attached to the throttle body and shaft to determine throttle valve position. The throttle valve position signal from TP sensor B is transmitted to the PCM for target position feedback control. If the signal from TP sensor B is a fixed value for a set time, the PCM detects a TP sensor B malfunction and stores a DTC.

Monitor Execution, Sequence, Duration, DTC Type 

Execution Continuous
Sequence None
Duration 200 milliseconds or more
DTC Type One drive cycle, MIL on

Enable Conditions 

Condition  
Vehicle ON mode

Malfunction Threshold 

DTC: P0222 

The TP sensor B output voltage [TP Sensor B] is 0.3 V or less for at least 200 milliseconds.

DTC: P0223 

The TP sensor B output voltage [TP Sensor B] is 4.8 V or more for at least 200 milliseconds.

[ ]: HDS Parameter

Possible Cause 

NOTE:

The causes shown may not be a complete list of all potential problems, and it is possible that there may be other causes.

DTC: P0222 

DTC: P0223 

Common 

Diagnosis Details 

Conditions for setting the DTC 

When a malfunction is detected, the MIL comes on and a Pending DTC, a Confirmed DTC, the freeze data, and the on-board snapshot are stored in the PCM memory.

Conditions for clearing the DTC 

The MIL is cleared if the malfunction does not return in three consecutive trips in which the diagnostic runs. The MIL, the Pending DTC, the Confirmed DTC, the freeze data, and the on-board snapshot can be cleared with the scan tool clear command.