DTC Advanced Diagnostics: P030A, P030D, P031A, P031D (2.0L Engine) (2024 2025)
DTC P030A : No. 1 Cylinder Ignition Coil Circuit Malfunction DTC P030D : No. 2 Cylinder Ignition Coil Circuit Malfunction DTC P031A : No. 3 Cylinder Ignition Coil Circuit Malfunction DTC P031D : No. 4 Cylinder Ignition Coil Circuit Malfunction
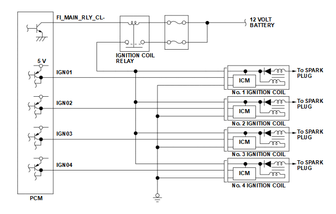
General Description
The power stage of each ignition coil is connected to a dedicated ignition driver module which is built into the powertrain control module (PCM). The PCM identifies short circuits and open circuit. The diagnosis of lines are done every 2 rotations of crankshaft. If the ignition coil output is out of a normal range, the PCM detects a malfunction and stores a DTC.
Monitor Execution, Sequence, Duration, DTC Type
| Execution | Continuous |
| Sequence | None |
| Duration | - |
| DTC Type | One drive cycle, MIL on |
Enable Conditions
| Condition | Minimum | Maximum |
|---|---|---|
| Engine speed [Engine Speed] | 680 rpm | - |
| 12 volt battery voltage [Battery] | 8 V | - |
[ ]: HDS Parameter
Malfunction Threshold
- Open circuit
The ignition coil output current is less than 1 mA when the high side switch is active.
- Short circuit to power
The ignition coil output voltage is more than 5 V when the power stage is on.
- Short circuit to ground
The ignition coil output current is more than 30 mA when the power stage is on.
Possible Cause
The causes shown may not be a complete list of all potential problems, and it is possible that there may be other causes.
DTC: P030A
- No. 1 ignition coil IGN01 line short to ground
- No. 1 ignition coil IGN01 line short to power
- No. 1 ignition coil IGN01 line open
DTC: P030D
- No. 2 ignition coil IGN02 line short to ground
- No. 2 ignition coil IGN02 line short to power
- No. 2 ignition coil IGN02 line open
DTC: P031A
- No. 3 ignition coil IGN03 line short to ground
- No. 3 ignition coil IGN03 line short to power
- No. 3 ignition coil IGN03 line open
DTC: P031D
- No. 4 ignition coil IGN04 line short to ground
- No. 4 ignition coil IGN04 line short to power
- No. 4 ignition coil IGN04 line open
Common
- Ignition coil internal circuit failure
- PCM internal circuit failure
Diagnosis Details
Conditions for setting the DTC
When a malfunction is detected, the MIL comes on and a Pending DTC, a Confirmed DTC, the freeze data, and the on-board snapshot are stored in the PCM memory.
Conditions for clearing the DTC
The MIL is cleared if the malfunction does not return in three consecutive trips in which the diagnostic runs. The MIL, the Pending DTC, the Confirmed DTC, the freeze data, and the on-board snapshot can be cleared with the scan tool clear command.