LEMON Manuals: Even more car manuals for everyone: 1960-2025
Home >> Acura >> 2023 >> Integra Base, Standard Trans >> Repair and Diagnosis (Single Page) >> Engine Performance >> System >> Engine Control System Advanced Diagnostics (P16E2 - U3502) >> Advanced Diagnostics >> DTC Advanced Diagnostics: P2118 (2.0L Engine) (2024 2025)
April 5, 2026: LEMON Manuals is launched! Read the announcement.

DTC Advanced Diagnostics: P2118 (2.0L Engine) (2024 2025)

DTC P2118  : Throttle Actuator Current Range/Performance Problem

General Description 

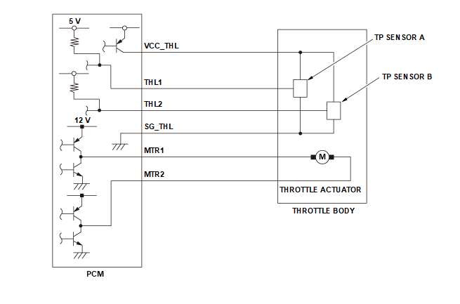
GHH652857Courtesy of HONDA, U.S.A., INC.

The powertrain control module (PCM) monitors the throttle actuator control circuit for electrical malfunctions. The throttle actuator control circuit checks will detect short circuit to ground, short circuit to power, open circuit, and over temperature failures. If the throttle actuator control circuit is in a specified condition, the PCM detects a malfunction and stores a DTC.

Monitor Execution, Sequence, Duration, DTC Type 

Execution Continuous
Sequence None
Duration 0.5 seconds or more
DTC Type One drive cycle, MIL on

Enable Conditions 

Throttle actuator circuit open 

Condition  
State of the engine Running
Other Throttle actuator power stage off

Throttle actuator circuit short, Throttle actuator over temperature 

Condition  
State of the engine Running

Malfunction Threshold 

Possible Cause 

NOTE:

The causes shown may not be a complete list of all potential problems, and it is possible that there may be other causes.

  • High ambient temperature
  • Throttle actuator MTR1 line short to ground
  • Throttle actuator MTR2 line short to ground
  • Throttle actuator MTR1 line short to throttle actuator MTR2 line
  • Throttle body failure
  • PCM internal circuit failure

Diagnosis Details 

Conditions for setting the DTC 

When a malfunction is detected, the MIL comes on and a Pending DTC, a Confirmed DTC, the freeze data, and the on-board snapshot are stored in the PCM memory.

Conditions for clearing the DTC 

The MIL is cleared if the malfunction does not return in three consecutive trips in which the diagnostic runs. The MIL, the Pending DTC, the Confirmed DTC, the freeze data, and the on-board snapshot can be cleared with the scan tool clear command.