LEMON Manuals: Even more car manuals for everyone: 1960-2025
Home >> Acura >> 2023 >> Integra Base, Standard Trans >> Repair and Diagnosis (Single Page) >> Engine Performance >> System >> Engine Control System Advanced Diagnostics (P16E2 - U3502) >> Advanced Diagnostics >> DTC Advanced Diagnostics: P2135 (2.0L Engine) (2024 2025)
April 5, 2026: LEMON Manuals is launched! Read the announcement.

DTC Advanced Diagnostics: P2135 (2.0L Engine) (2024 2025)

DTC P2135  : Throttle Position (TP) Sensor A/B Incorrect Voltage Correlation

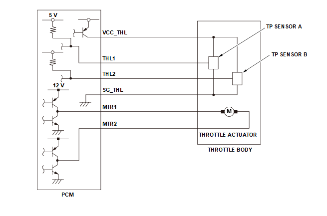
General Description 

GHH652867Courtesy of HONDA, U.S.A., INC.
GHH652868Courtesy of HONDA, U.S.A., INC.

The powertrain control module (PCM) monitors the throttle position (TP) sensor A circuit and the throttle position (TP) sensor B circuit. In order to provide electrical diagnostics the output voltage of both sensors are continuously monitored. If the absolute difference between the actual throttle angle calculated based on the voltages from TP sensor A and TP sensor B is a specified value for a specified time, the PCM detects a malfunction and stores a DTC.

Monitor Execution, Sequence, Duration, DTC Type 

Execution Continuous
Sequence None
Duration 0.5 seconds or more
DTC Type One drive cycle, MIL on

Enable Conditions 

Condition  
State of the engine Running

Malfunction Threshold 

The absolute difference between the actual throttle angle calculated based on the voltages from TP sensor A and TP sensor B is more than 5 % to 6.25 %* for at least 0.14 seconds.

*: Depending on the throttle opening angle

Possible Cause 

NOTE:

The causes shown may not be a complete list of all potential problems, and it is possible that there may be other causes.

  • Throttle body failure (TP sensor A/B)
  • PCM internal circuit failure

Diagnosis Details 

Conditions for setting the DTC 

When a malfunction is detected, the MIL comes on and a Pending DTC, a Confirmed DTC, the freeze data, and the on-board snapshot are stored in the PCM memory.

Conditions for clearing the DTC 

The MIL is cleared if the malfunction does not return in three consecutive trips in which the diagnostic runs. The MIL, the Pending DTC, the Confirmed DTC, the freeze data, and the on-board snapshot can be cleared with the scan tool clear command.