LEMON Manuals: Even more car manuals for everyone: 1960-2025
Home >> Acura >> 2023 >> Integra Base, Standard Trans >> Repair and Diagnosis >> Transmission >> Automatic Trans >> Automatic Transaxle - Advanced Diagnostics >> Advanced Diagnostics >> DTC Advanced Diagnostics: P0651 (CVT)
April 5, 2026: LEMON Manuals is launched! Read the announcement.

DTC Advanced Diagnostics: P0651 (CVT)

DTC P0651  : Sensor Reference Voltage 2 Circuit Malfunction

General Description 

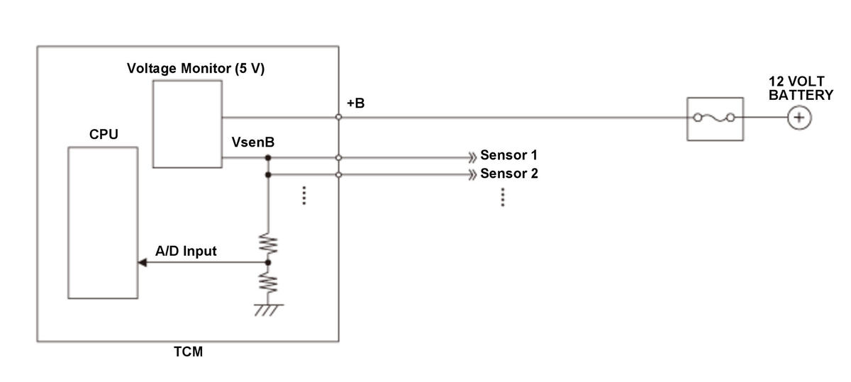
GHH527513Courtesy of HONDA, U.S.A., INC.

The transmission control module (TCM) is equipped with a voltage monitor (5 V power source) to supply a stable 5 V to each sensor as reference voltage. The correct voltages for the sensors are loaded in the CPU of the TCM (A/D input) and when the sensor power voltage is a set value (high or low) for a certain time, the TCM detects a malfunction and stores a DTC.

Monitor Execution, Sequence, Duration, DTC Type 

Execution Continuous
Sequence None
Duration 2 seconds or more
DTC Type One drive cycle, MIL on, Shift position indicator blinks

Enable Conditions 

Condition  
Vehicle ON mode

Malfunction Threshold 

The sensor power voltage is specified value or more, or specified value or less, for at least 2 seconds.

Possible Cause 

NOTE:

The causes shown may not be a complete list of all potential problems, and it is possible that there may be other causes.

  • CVT speed sensor VCC3 line short to power
  • Torque converter turbine speed sensor VCC2 line short to power
  • CVT speed sensor VCC3 line short to ground
  • Torque converter turbine speed sensor VCC2 line short to ground
  • TCM internal circuit failure

Diagnosis Details 

Conditions for setting the DTC 

When a malfunction is detected, the MIL comes on, the shift position indicator blinks, and a Pending DTC, a Confirmed DTC, and the freeze data are stored in the TCM memory.

Conditions for clearing the DTC 

The shift position indicator comes off by turning the vehicle to the OFF (LOCK) mode. The MIL is cleared if the malfunction does not return in three consecutive trips in which the diagnostic runs. The MIL, the Pending DTC, the Confirmed DTC, and the freeze data can be cleared with the scan tool clear command.