LEMON Manuals: Even more car manuals for everyone: 1960-2025
Home >> Acura >> 2023 >> Integra Base, Standard Trans >> Repair and Diagnosis >> Transmission >> Automatic Trans >> Automatic Transaxle - Advanced Diagnostics >> Advanced Diagnostics >> DTC Advanced Diagnostics: U1260
April 5, 2026: LEMON Manuals is launched! Read the announcement.

DTC Advanced Diagnostics: U1260

DTC U1260  : Lost Communication With Electric Oil Pump

General Description 

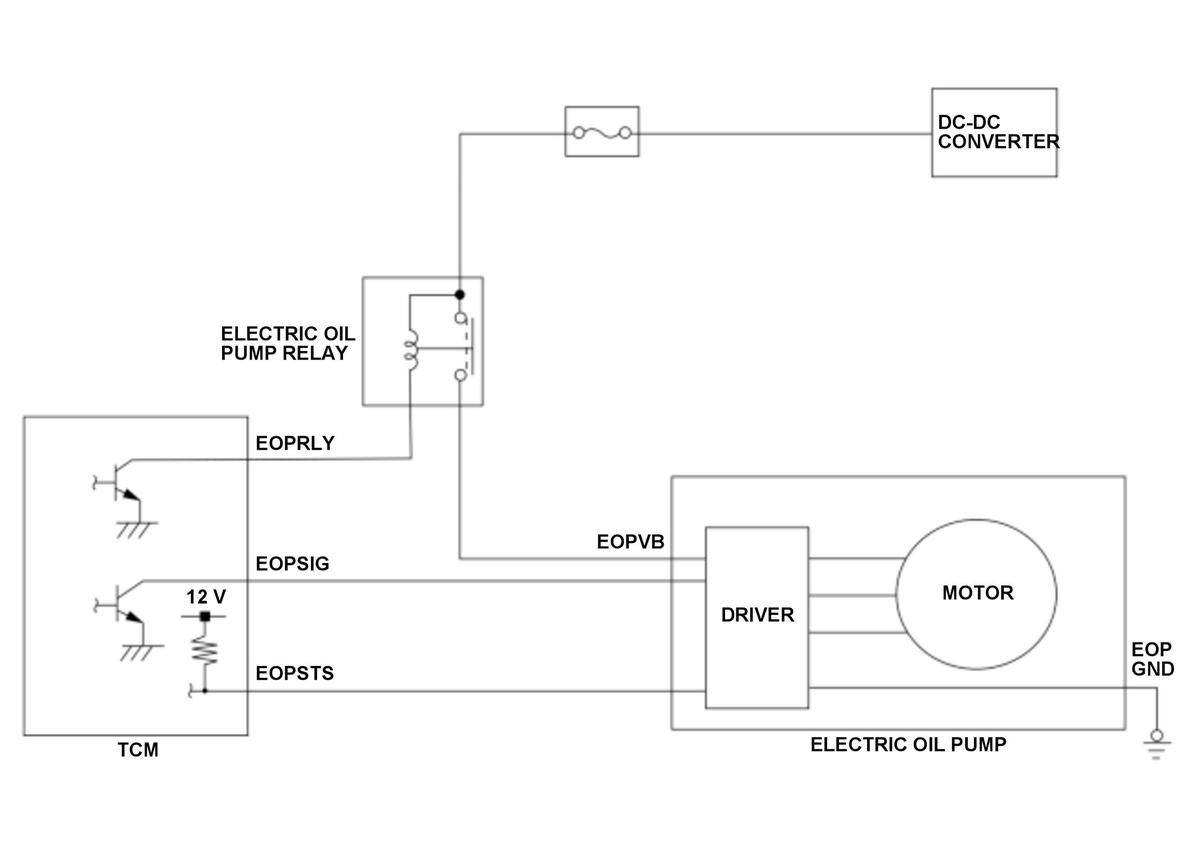
GHH527602Courtesy of HONDA, U.S.A., INC.

The electric oil pump provides hydraulic pressure to control the CVT instead of the transmission fluid pump that would stop at auto idle stop. The electric oil pump system consists of the three-phase brushless motor (to drive the fluid pump), the driver, and the electric oil pump relay. The power source that drives the electric oil pump is provided from the DC-DC converter via the electric oil pump relay that is controlled by the transmission control module (TCM). The TCM and the electric oil pump are connected by two communication lines (EOPSIG, EOPSTS). The TCM sends a start command (90 % duty ratio) or a stop command (5 % duty ratio) to the electric oil pump by pulse width modulation (PWM) (100 Hz). In accordance to the start (or stop) command from the TCM, the electric oil pump starts (or stops) the electric oil pump motor. The electric oil pump sends its motor speed data to the TCM using the pulse. The electric oil pump motor rotates at a motor speed of 1, 000 - 5, 000 rpm which varies depending on transmission fluid temperature. The motor speed could be obtained from the product of 30 times pulse frequency (Hz) (ex. 3, 000 rpm when 100 Hz). If the electric oil pump motor speed is a specified speed for certain period of time when the TCM sends a start command (100 Hz, 90 % duty ratio), the TCM detects a malfunction and stores a DTC.

Monitor Execution, Sequence, Duration, DTC Type 

Execution Continuous
Sequence None
Duration 5 seconds or more
DTC Type Two drive cycles, MIL off, Shift position indicator blinks

Enable Conditions 

Condition Minimum Maximum
12 volt battery voltage [Battery Voltage] 10.0 V -
State of the engine During auto idle stop operation

[ ]: HDS Parameter

Malfunction Threshold 

The electric oil pump motor speed is 301 rpm or less for at least 5 seconds when the TCM sends a start command (100 Hz, 90 % duty ratio).

Possible Cause 

NOTE:

The causes shown may not be a complete list of all potential problems, and it is possible that there may be other causes.

  • Electric oil pump EOPSTS line open
  • Electric oil pump EOPSIG line open
  • Electric oil pump EOPSTS line short to ground
  • Electric oil pump EOPSIG line short to ground
  • Electric oil pump EOPSTS line electrical noise overlapped
  • Electric oil pump EOPSIG line electrical noise overlapped
  • Electric oil pump EOPGND line open
  • Electric oil pump EOPVB line open
  • TCM EOPRLY line open
  • Electric oil pump relay stuck off
  • DC-DC converter power supply abnormal
  • Electric oil pump failure
  • TCM internal circuit failure

Confirmation Procedure 

Operating Condition 

Start the engine and wait for at least 5 seconds in auto idle stop condition.

Diagnosis Details 

Conditions for setting the DTC 

When a malfunction is detected during the first drive cycle, a Pending DTC is stored in the TCM memory. If the malfunction returns in the next (second) drive cycle, the shift position indicator blinks and a Confirmed DTC and the freeze data are stored. The MIL does not come on.

Conditions for clearing the DTC 

The shift position indicator comes off by turning the vehicle to the OFF (LOCK) mode. The Pending DTC, the Confirmed DTC, and the freeze data can be cleared with the scan tool clear command.