LEMON Manuals: Even more car manuals for everyone: 1960-2025
Home >> Acura >> 2023 >> MDX Base >> Repair and Diagnosis (Single Page) >> Engine Performance >> Engine Control Systems >> Body Electrical System - Service Information >> Service Information >> Resetting the Parking and Back-Up Sensor Control Unit (With Low Speed Brake Control) (2025) >> Procedure
April 5, 2026: LEMON Manuals is launched! Read the announcement.

Resetting the Parking and Back-Up Sensor Control Unit (With Low Speed Brake Control) (2025): Procedure

How to use this service information .

Reset the parking and back-up sensor unit after doing any of the following actions:

NOTE:

When you replace with a new parking and back-up sensor control unit, it is not necessary to perform a reset of the control unit.

  1. Parking and Back-Up Sensor Control Unit - Reset

    Preconditions 

    • Parking and back-up sensor control unit temperature less than 122 deg.F (50 deg.C) and greater than 32 deg.F (0 deg.C).
      NOTE:

      This procedure cannot be started if the temperature is above 122 deg.F (50 deg.C). Move the vehicle indoors if necessary and allow it to cool down.

    • Wait at least 10 minutes since the previous operation before starting the reset procedure.

    Procedure 

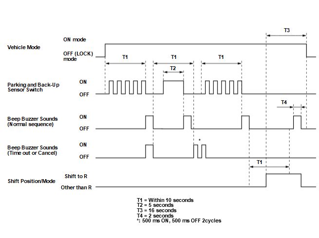
    1. Turn the vehicle to the ON mode, then press the parking and back-up sensor switch 5 times within 10 seconds.

    2. Press and hold the parking and back-up sensor switch for 5 seconds within 10 seconds after the beep.

    3. Press the parking and back-up sensor switch 5 times within 10 seconds after the beep.

    4. Shift the transmission to the R position/mode within 10 seconds after the beep.

    5. Shift to the P or N position/mode after a 2 second long beep in the R position/mode.

    NOTICE:  Do not turn the vehicle to the OFF(LOCK) mode for 16 seconds after shifting to the R position/mode.

    NOTE:

    If you hear two short beeps (500ms), do the resetting procedure again from the beginning.

    GHH659074Courtesy of HONDA, U.S.A., INC.

    After Registration 

    • Confirm that the parking and back-up sensor system operates properly.