LEMON Manuals: Even more car manuals for everyone: 1960-2025
Home >> Acura >> 2023 >> MDX Base >> Repair and Diagnosis (Single Page) >> Engine Performance >> Engine Control Systems >> Body Electrical System - Troubleshooting - System Description >> Circuit Diagram >> Entry Lights Control System Circuit Diagram (3.5L Engine)
April 5, 2026: LEMON Manuals is launched! Read the announcement.

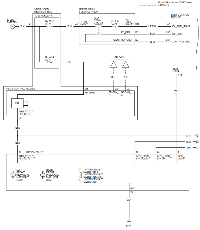
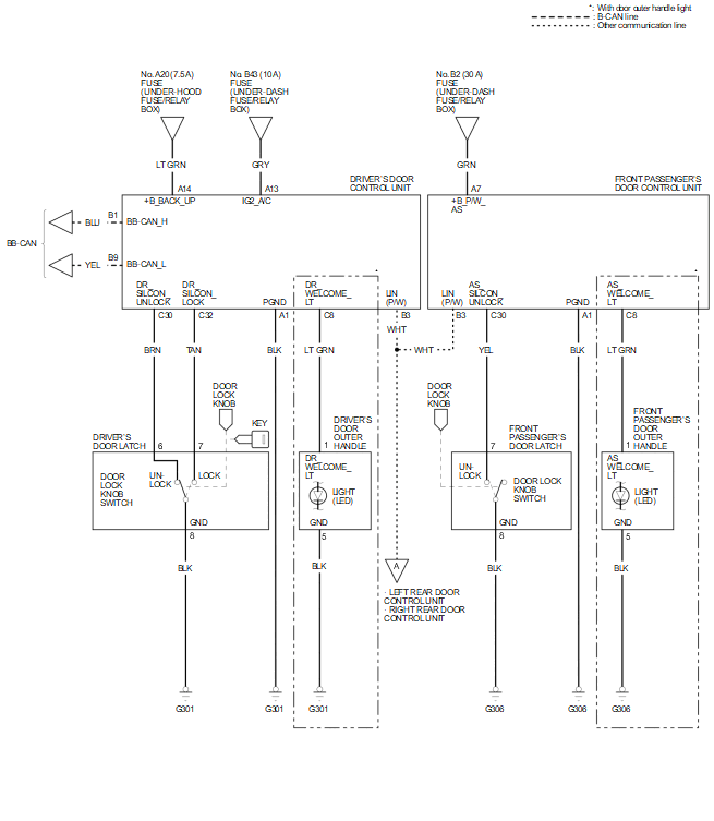
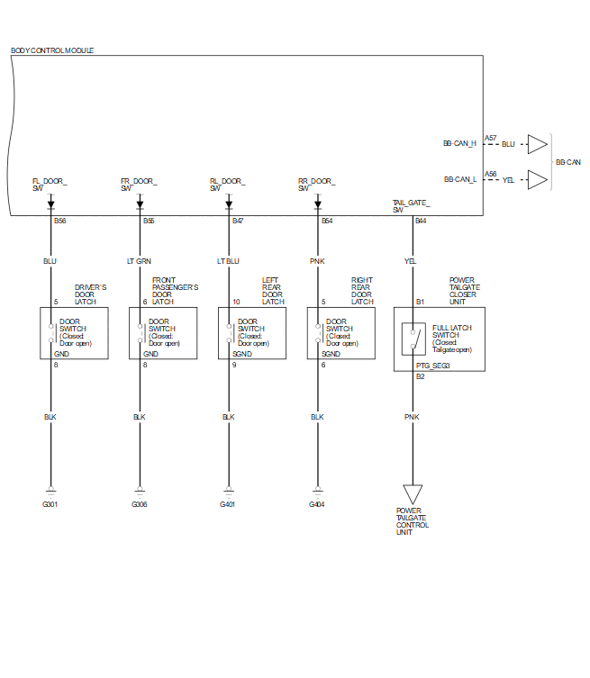
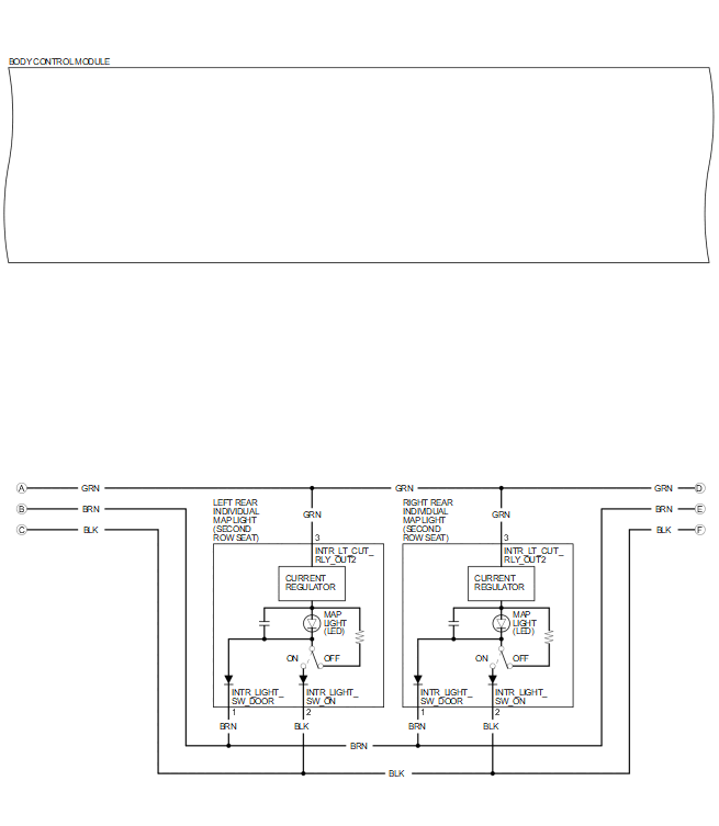
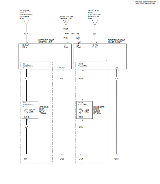
Entry Lights Control System Circuit Diagram (3.5L Engine)

NOTE:

For details of the CAN circuit, refer to the Network Communications Circuit Diagram.

GHH659105Courtesy of HONDA, U.S.A., INC.
GHH659106Courtesy of HONDA, U.S.A., INC.
GHH659107Courtesy of HONDA, U.S.A., INC.
GHH659108Courtesy of HONDA, U.S.A., INC.
GHH659109Courtesy of HONDA, U.S.A., INC.
GHH659110Courtesy of HONDA, U.S.A., INC.