DTC Advanced Diagnostics: P0401 (3.5L Engine)
DTC P0401: Exhaust Gas Recirculation (EGR) Insufficient Flow
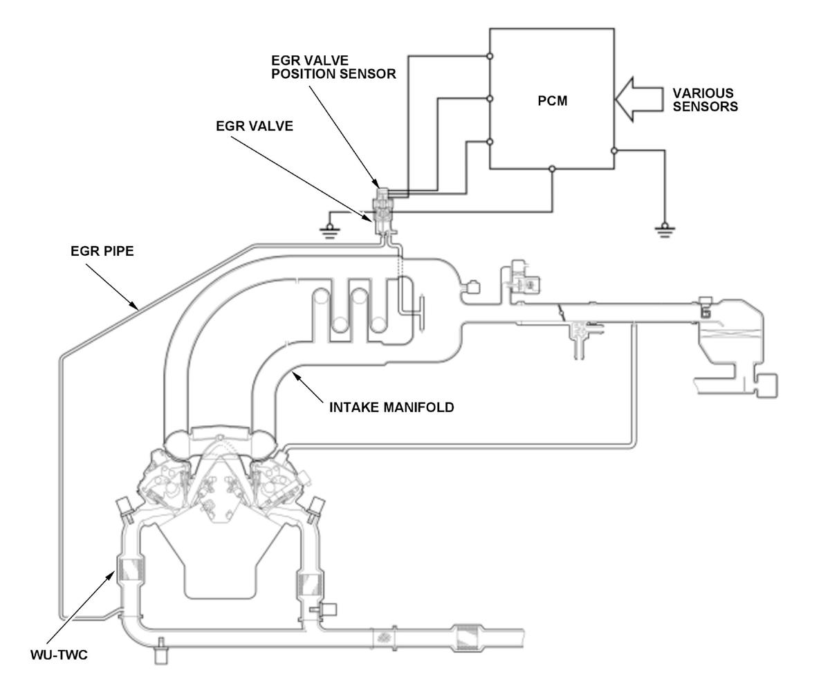
General Description
The exhaust gas recirculation (EGR) valve, which is controlled by the powertrain control module (PCM), is opened and the exhaust gas flows through the EGR valve, the intake manifold, and the EGR passage. The exhaust gas is circulated into the air/fuel mixture to lower combustion temperatures, thus reducing oxides of nitrogen (NOx) emissions. The EGR flow is inspected as follows. The EGR valve is closed during deceleration with the throttle valve fully closed. Then the PCM fully opens the EGR valve. After a set time, the PCM computes the ratio of the present EGR flow to the normal EGR flow by monitoring the fluctuation of the intake manifold pressure between when the EGR valve is fully opened and when it is fully closed. If the EGR flow rate is lower than normal, the PCM detects a malfunction and stores a DTC.
Monitor Execution, Sequence, Duration, DTC Type
| Execution | Once per driving cycle |
| Sequence | P0404, P2413 are judged as OK |
| Duration | 3.5 seconds or more |
| DTC Type | Two drive cycles, MIL on |
Enable Conditions
| Condition | Minimum | Maximum |
|---|---|---|
| Engine coolant temperature [ECT Sensor 1] | 155.9 deg.F (68.8 deg.C) | - |
| Engine speed [Engine Speed] | 1, 100 RPM | 2, 400 RPM |
| MAP value [MAP Sensor] | 12 kPa (90 mmHg, 3.6 inHg) | - |
| Vehicle speed [Vehicle Speed] | 19 mph (30 km/h) | - |
| 12 volt battery voltage [Battery] | 10.5 V | - |
| Throttle position | Fully closed | |
| Fuel feedback | During deceleration | |
[ ]: HDS Parameter
Malfunction Threshold
The ratio of the current EGR flow to the normal EGR flow is 31 % or less for at least 3.5 seconds.
The ratio is derived from the actual and estimated MAP values before and after the EGR valve was opened.
The estimated MAP difference value is shown in the table.
| Engine speed [Engine Speed] | Barometric pressure | |
|---|---|---|
| 52 kPa (390 mmHg, 15.4 inHg) | 101 kPa (760 mmHg, 29.9 inHg) | |
| 1, 100 RPM | 8.1 kPa (60.4 mmHg, 2.38 inHg) | 15.9 kPa (118.8 mmHg, 4.68 inHg) |
| 2, 000 RPM | 4.0 kPa (29.6 mmHg, 1.17 inHg) | 9.6 kPa (71.5 mmHg, 2.82 inHg) |
Possible Cause
The causes shown may not be a complete list of all potential problems, and it is possible that there may be other causes.
- EGR valve failure (valve or solenoid)
- EGR passage clogged
Confirmation Procedure
Operating Condition
- Start the engine. Hold the engine speed [Engine Speed] at 3, 000 RPM without load (in P or N) until the radiator fan comes on.
- Drive the vehicle at a speed between 15 - 75 mph (25 - 120 km/h) for at least 5 seconds.
- Drive at a steady speed between 55 - 75 mph (90 - 120 km/h) for at least 10 seconds.
- Decelerate with the throttle valve fully closed for at least 4 seconds.
- Drive the vehicle in this manner only if the traffic regulations and ambient conditions allow.
Diagnosis Details
Conditions for setting the DTC
When a malfunction is detected during the first drive cycle, a Pending DTC is stored in the PCM memory. If the malfunction returns in the next (second) drive cycle, the MIL comes on and a Confirmed DTC, the freeze data, and the on-board snapshot are stored.
Conditions for clearing the DTC
The MIL is cleared if the malfunction does not return in three consecutive trips in which the diagnostic runs. The MIL, the Pending DTC, the Confirmed DTC, the freeze data, and the on-board snapshot can be cleared with the scan tool clear command.