LEMON Manuals: Even more car manuals for everyone: 1960-2025
Home >> Acura >> 2023 >> MDX Base >> Repair and Diagnosis (Single Page) >> Steering >> Steering Control Systems >> Body Electrical System - Troubleshooting - System Description >> Circuit Diagram >> Keyless Access System Circuit Diagram (3.5L Engine)
April 5, 2026: LEMON Manuals is launched! Read the announcement.

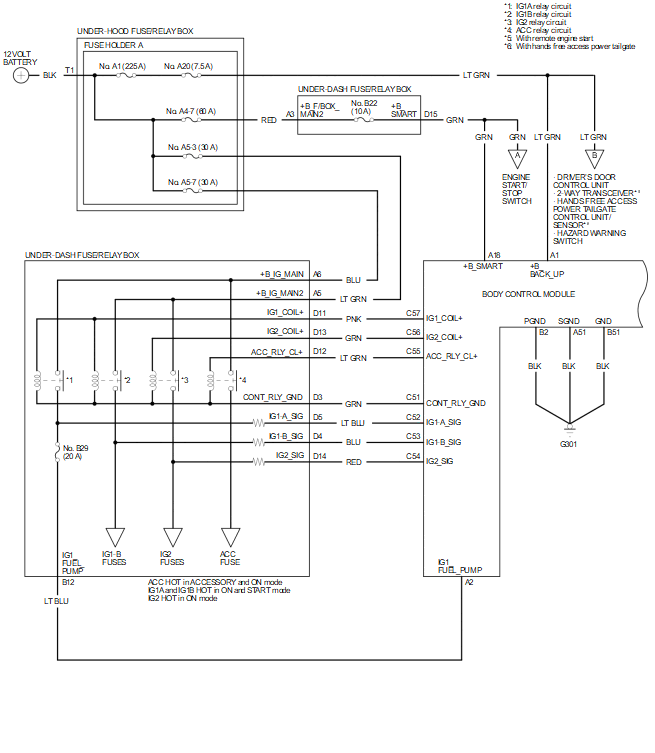
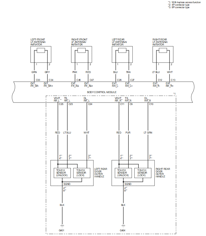
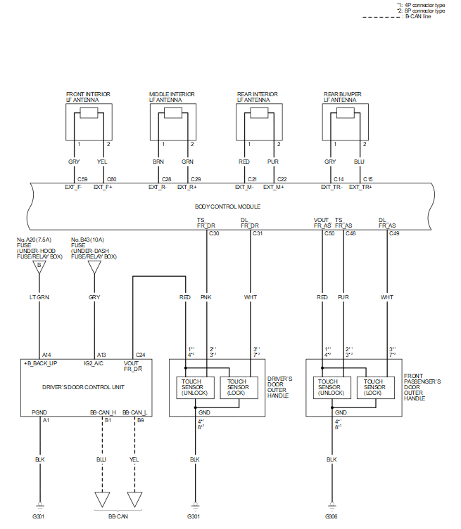
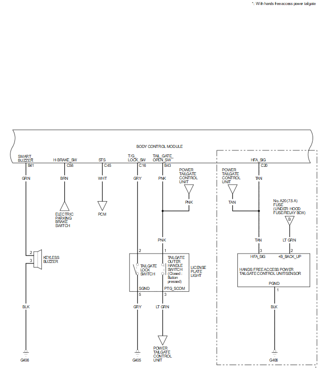
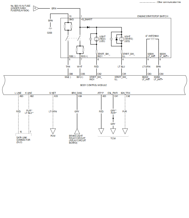
Keyless Access System Circuit Diagram (3.5L Engine)

NOTE:

For details of the CAN circuit, refer to the Network Communications Circuit Diagram.

GHH659182Courtesy of HONDA, U.S.A., INC.
GHH659183Courtesy of HONDA, U.S.A., INC.
GHH659184Courtesy of HONDA, U.S.A., INC.
GHH659185Courtesy of HONDA, U.S.A., INC.
GHH659186Courtesy of HONDA, U.S.A., INC.
GHH659187Courtesy of HONDA, U.S.A., INC.