LEMON Manuals: Even more car manuals for everyone: 1960-2025
Home >> Acura >> 2023 >> MDX Base >> Repair and Diagnosis >> Engine Performance >> Engine Control Systems >> Body Electrical System - Troubleshooting - System Description >> Circuit Diagram >> Power Tailgate Circuit Diagram (3.5L Engine)
April 5, 2026: LEMON Manuals is launched! Read the announcement.

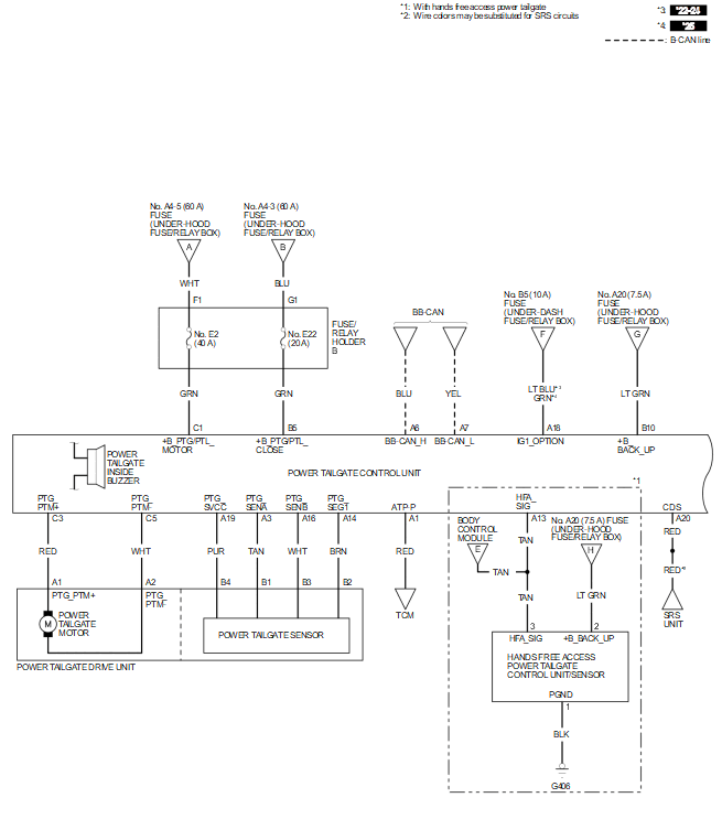
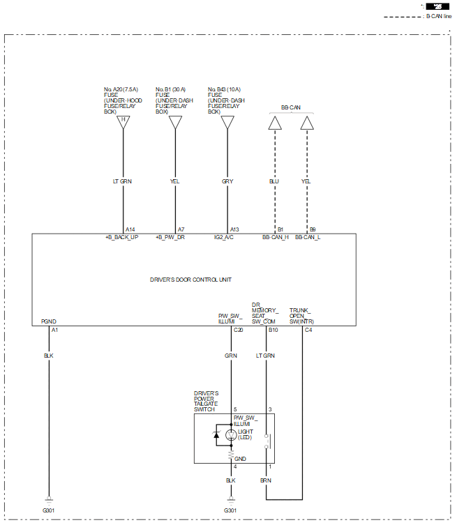
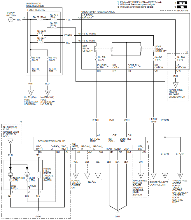
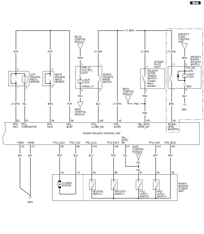
Power Tailgate Circuit Diagram (3.5L Engine)

NOTE:

For details of the CAN circuit, refer to the Network Communications Circuit Diagram.

GHH659264Courtesy of HONDA, U.S.A., INC.
GHH659265Courtesy of HONDA, U.S.A., INC.
GHH659266Courtesy of HONDA, U.S.A., INC.
GHH659267Courtesy of HONDA, U.S.A., INC.