LEMON Manuals: Even more car manuals for everyone: 1960-2025
Home >> Acura >> 2023 >> MDX Base >> Repair and Diagnosis >> Engine Performance >> System >> Engine Control System Advanced Diagnostics (P0331 - P06A8) >> Advanced Diagnostics >> DTC Advanced Diagnostics: P0617 (3.5L Engine) (2022 2023 2024)
April 5, 2026: LEMON Manuals is launched! Read the announcement.

DTC Advanced Diagnostics: P0617 (3.5L Engine) (2022 2023 2024)

DTC P0617:  Starter Cut Relay Diagnosis Circuit High Voltage

General Description 

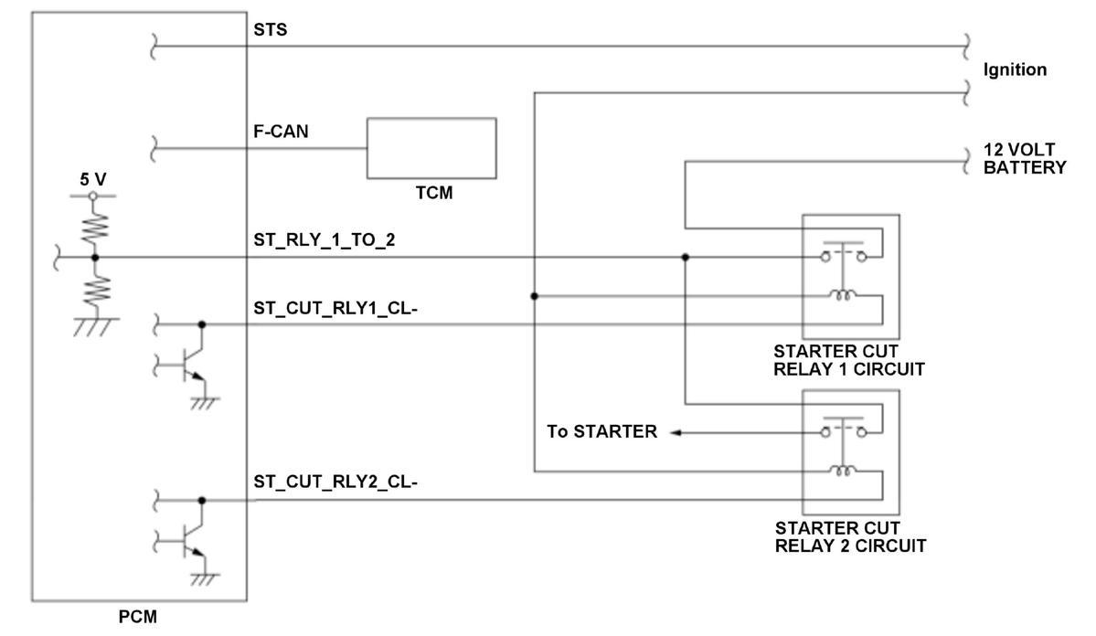
GHH515415Courtesy of HONDA, U.S.A., INC.

The starter control system prevents sudden vehicle move when it is in the driving range by prohibiting starter activation while the shift lever position is in other than P or N. It also prevents damaging the starter pinion gear by prohibiting starter activation while the engine is running. If the powertrain control module (PCM) judges that the shift lever position is in other than P or N when the vehicle is turned to the START mode, the PCM prohibits the starter activation. If the vehicle is turned mistakenly while the engine is running, the PCM judges to prohibit the starter activation according to the engine speed information and stops applying power to the starter cut relays. In this system, two starter cut relays are connected in series (starter cut relay 1 circuit, starter cut relay 2 circuit) to prevent the starter from continuing to run due to a starter cut relay malfunction. Also a diagnosis line (ST_RLY_1_TO_2) is connected to monitor the voltage between the starter cut relay 1 circuit and starter cut relay 2 circuit. Based on the diagnosis line signals, the PCM detects an OPEN malfunction of diagnosis line, an ON malfunction of starter cut relay 1 circuit, and an ON malfunction of starter cut relay 2 circuit. If the voltage of the diagnosis line (ST_RLY_1_TO_2) is a specified voltage for a set time when the starter is OFF (STS OFF), the PCM detects an ON malfunction of starter cut relay 1 circuit and stores a DTC.

Monitor Execution, Sequence, Duration, DTC Type 

Execution Continuous
Sequence None
Duration 5 seconds or more
DTC Type One drive cycle, MIL off

Enable Conditions 

Condition  
Vehicle ON mode

Malfunction Threshold 

The diagnosis line (ST_RLY_1_TO_2) input voltage [Starter Cut Relay] is 3.20 V or more for at least 5 seconds.

[ ]: HDS Parameter

Possible Cause 

NOTE:

The causes shown may not be a complete list of all potential problems, and it is possible that there may be other causes.

Diagnosis Details 

Conditions for setting the DTC 

When a malfunction is detected, a Pending DTC, a Confirmed DTC, the freeze data, and the on-board snapshot are stored in the PCM memory. The MIL does not come on.

Conditions for clearing the DTC 

The Pending DTC, the Confirmed DTC, the freeze data, and the on-board snapshot can be cleared with the scan tool clear command.