LEMON Manuals: Even more car manuals for everyone: 1960-2025
Home >> Acura >> 2023 >> MDX Base >> Repair and Diagnosis >> Steering >> Steering Control Systems >> Body Electrical System - Troubleshooting - System Description >> Circuit Diagram >> Power Seats Circuit Diagram (3.5L Engine)
April 5, 2026: LEMON Manuals is launched! Read the announcement.

Power Seats Circuit Diagram (3.5L Engine)

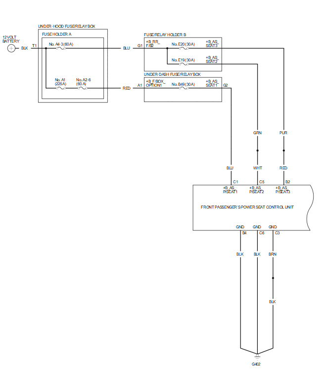
Front Passenger's Power Seat (without seat position memory system) 

GHH659254Courtesy of HONDA, U.S.A., INC.
GHH659255Courtesy of HONDA, U.S.A., INC.

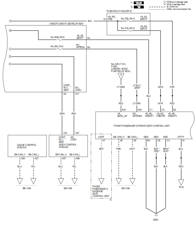
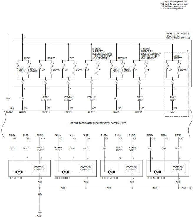
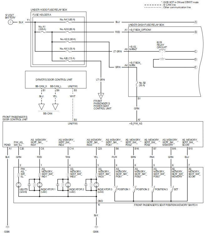
Front Passenger's Power Seat (with seat position memory system) 

NOTE: For details of the CAN circuit, refer to the Network Communications Circuit Diagram.
GHH659256Courtesy of HONDA, U.S.A., INC.
GHH659257Courtesy of HONDA, U.S.A., INC.
GHH659258Courtesy of HONDA, U.S.A., INC.
GHH659259Courtesy of HONDA, U.S.A., INC.