LEMON Manuals: Even more car manuals for everyone: 1960-2025
Home >> Acura >> 2023 >> TLX Base >> Repair and Diagnosis (Single Page) >> Engine Performance >> Engine Control Systems >> Engine Mechanical And Engine Control System - Service, Testing And Troubleshooting (1 Of 2) >> Description and Operation >> EVAP System Description (3.0L Engine)
April 5, 2026: LEMON Manuals is launched! Read the announcement.

EVAP System Description (3.0L Engine)

For locations of each component on the vehicle, refer to the Component Location Index - Refer to: Fuel and Emissions Systems Component Location Index(Mexico models) or Fuel and Emissions Systems Component Location Index(Mexico models) .

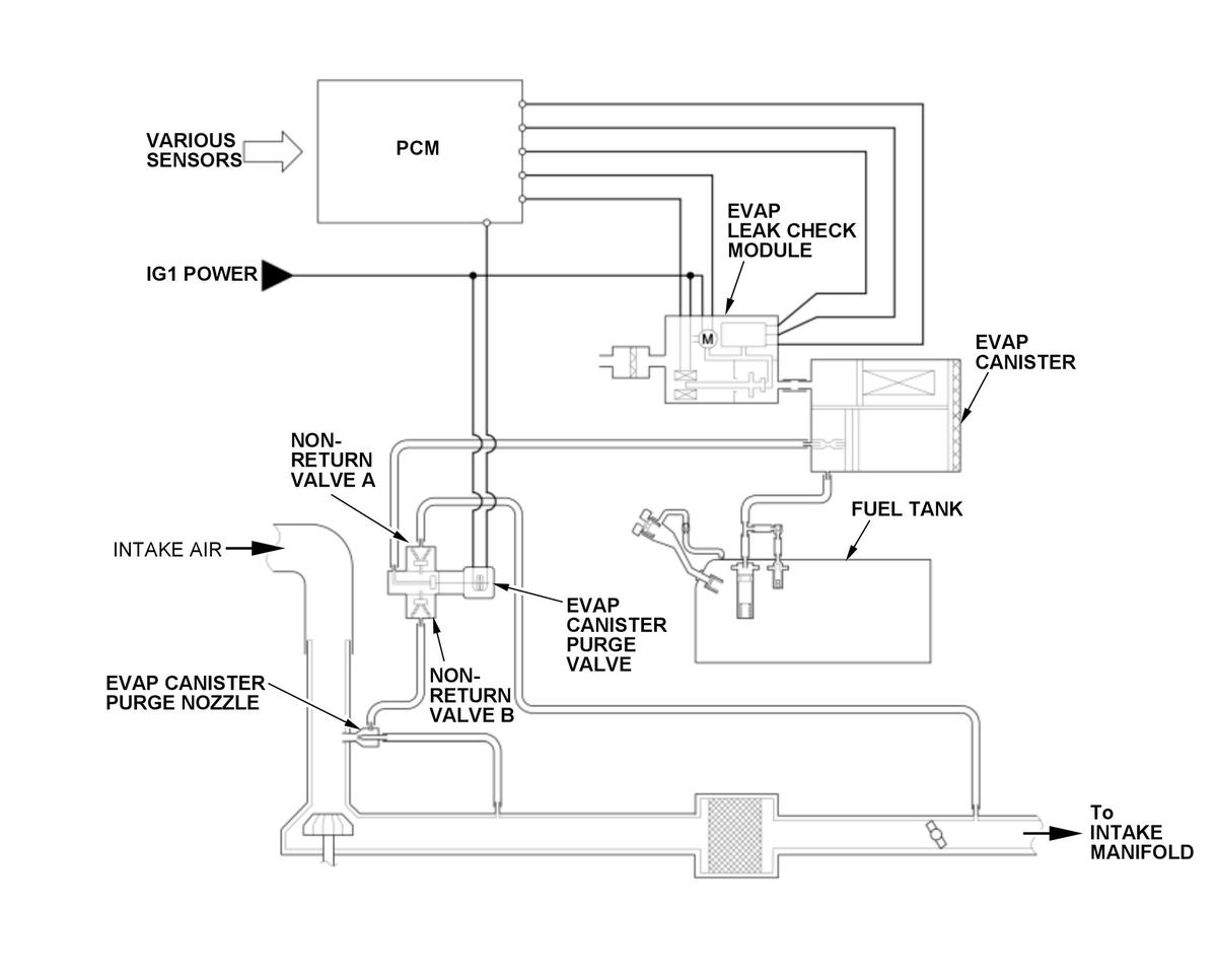
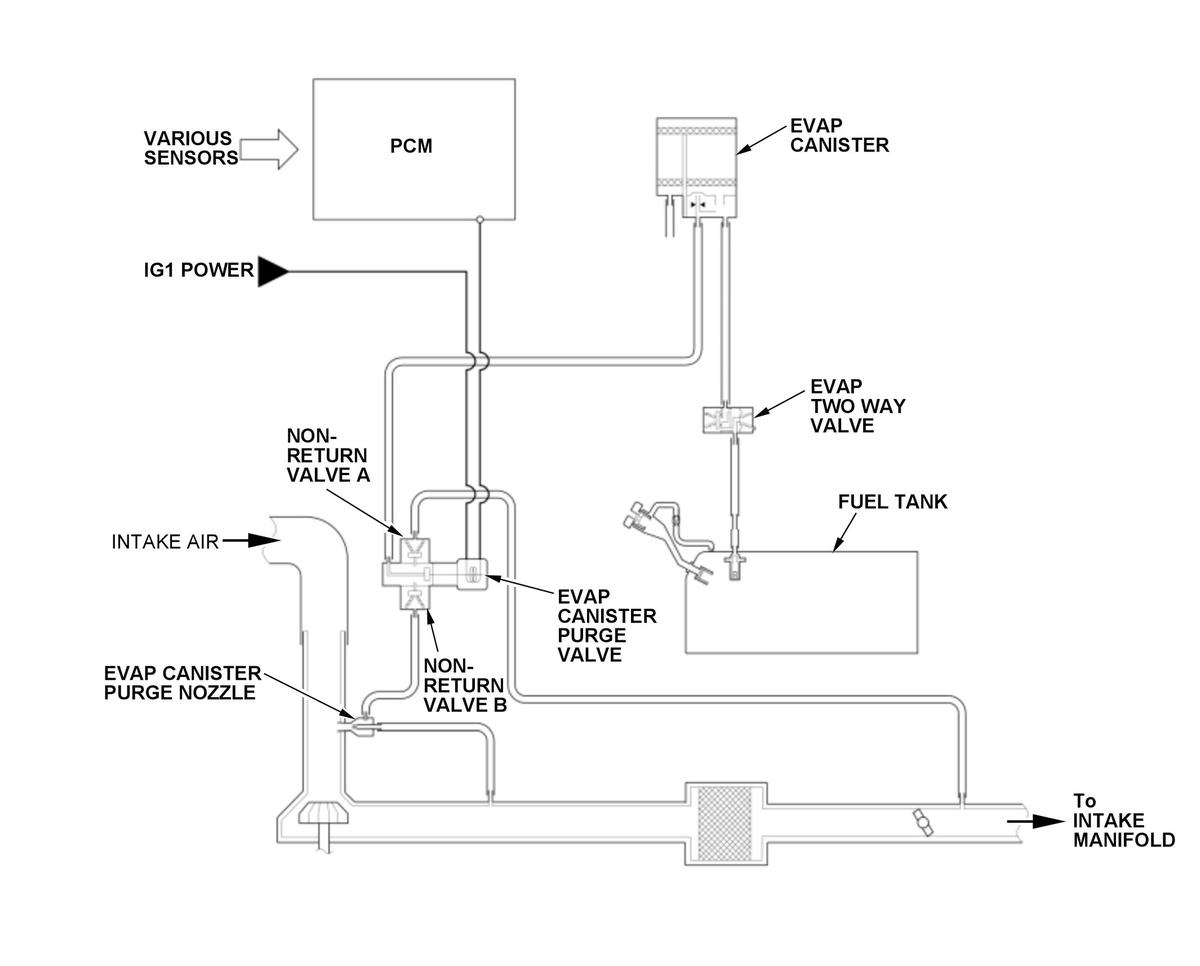
The evaporative emission (EVAP) controls minimize the amount of fuel vapor escaping to the atmosphere. Vapor from the fuel tank is temporarily stored in the EVAP canister until it can be purged from the canister into the engine and burned. The EVAP canister is purged by the purging vacuum that is controlled by the EVAP canister purge valve. Mexico models: When vapor pressure in the fuel tank is higher than the set value of the EVAP two way valve, the valve opens and regulates the flow of fuel vapor to the EVAP canister. USA and Canada models: Also attached to the EVAP leak check module.

Operation (USA and Canada models) 

When fuel tank pressure increases because of heat and fuel vapor generation, evaporated fuel vapors are sent to the EVAP canister where they are stored. When the engine coolant is hot enough, the PCM opens the EVAP canister purge valve to draw the stored fuel vapor in the EVAP canister into the intake air to be burned. To regulate the amount of fuel vapor drawn into the engine, the PCM varies the EVAP canister purge valve opening using duty cycle control. When the outside air or other factor cools the fuel tank inside, the fuel tank pressure decreases. The EVAP leak check module is normally open and allows outside air to enter the fuel tank through the EVAP canister. If there is a system malfunction or blockage in the vent hose, a pressure valve on the fuel fill port opens and allows outside air to enter preventing system damage. The PCM uses the EVAP leak check module to check for leaks in the system. When the enabling conditions are met, the EVAP leak check module is operated, the PCM monitors for changes in the EVAP leak check module.

GHH560755Courtesy of HONDA, U.S.A., INC.

Operation (Mexico models) 

The evaporated fuel vapors in the fuel tank increases the inside pressure of fuel tank. The increased pressure causes the positive pressure valve to open when the pressure is over the preset value for the EVAP two way valve. The evaporated fuel vapors which passed the EVAP two way valve are sent to the EVAP canister where they are stored. When the engine coolant is hot enough, the PCM opens the EVAP canister purge valve to draw the stored fuel vapor in the EVAP canister into the intake air to be burned. To regulate the amount of fuel vapor drawn into the engine, the PCM varies the EVAP canister purge valve opening using duty cycle control. When the outside air or other factor cools the fuel tank inside, the tank pressure decreases. The decreased pressure is negative and opens the negative pressure valve when the pressure is over the preset value for EVAP two way valve. Low pressure may deform the fuel tank. Therefore, outside air is inhaled into the EVAP canister through its intake. The inhaled outside air and evaporative emission in the EVAP canister are returned into the fuel tank. If there is a system malfunction or blockage in the vent hose, a pressure valve on the fuel fill port opens and allows outside air to enter preventing system damage.

GHH560756Courtesy of HONDA, U.S.A., INC.

Joint of Intake Air Line 

The purged air from the EVAP canister is drawn into the intake air at the merge point where more strong suction force.Therefore, the merge point is variable by the engine condition with the turbocharger boost pressure. In the supercharged state, the turbocharger boost pressure is applied to the EVAP canister purge nozzle, and the fuel vapor can be sent to the intake side more efficiently.

GHH560757Courtesy of HONDA, U.S.A., INC.
Engine Condition Turbocharger Boost Pressure Non-return Valve A Non-return Valve B Merge Point
Low Load Zero Open Close Point 2
Mid Load Rising-up from Zero Open Open Point 1 and Point 2
High Load High Close Open Point 1

EVAP Leak Check Module (USA and Canada models) 

The EVAP leak check module (ELCM; mounted on a bracket to the side of the EVAP canister) is a small vacuum pump used to check the leakage of the EVAP system to create a vacuum in the system. The EVAP leak check module pressure sensor, the canister change over valve, and the EVAP leak check module vacuum pump are inside the ELCM. The canister change over valve is normally open when not energized and allows air to flow in and out of the EVAP canister. When energized, the valve seals the EVAP canister side of the system from the atmosphere.

GHH560758Courtesy of HONDA, U.S.A., INC.