LEMON Manuals: Even more car manuals for everyone: 1960-2025
Home >> Acura >> 2023 >> TLX Base >> Repair and Diagnosis (Single Page) >> Engine Performance >> System >> Engine Control System - Advanced Diagnostics (2 Of 3) >> Advanced Diagnostics >> DTC Advanced Diagnostics: P0563 (3.0L Engine)
April 5, 2026: LEMON Manuals is launched! Read the announcement.

DTC Advanced Diagnostics: P0563 (3.0L Engine)

DTC P0563:  Powertrain Control Module (PCM) Power Source Circuit Unexpected Voltage

General Description 

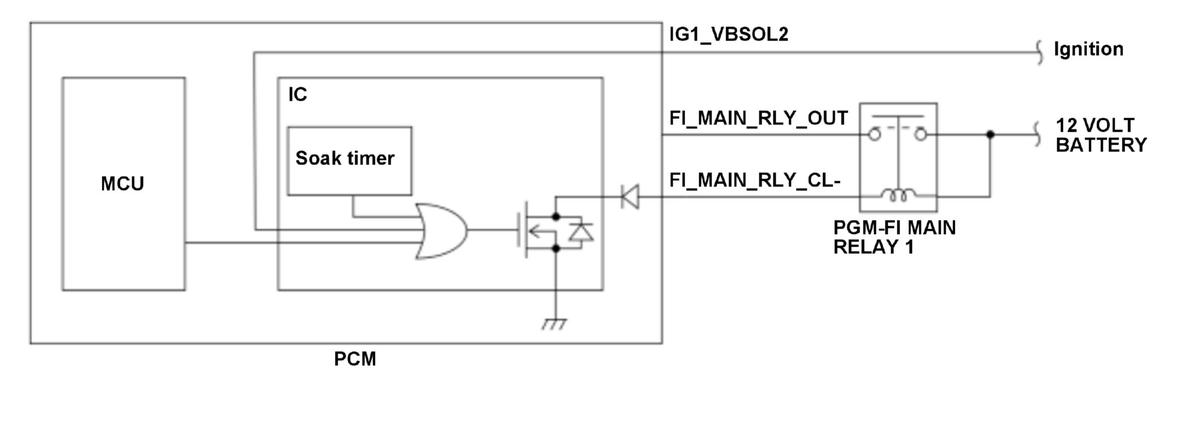
GHH479792Courtesy of HONDA, U.S.A., INC.

To supply power (FI_MAIN_RLY_OUT) for the powertrain control module (PCM), the FI_MAIN_RLY_CL- drive request that is generated from the logical sum of the external signal (IG1_VBSOL_2) and the internal signal (FI_MAIN_RLY_CL- drive request and soak timer) drives the FI_MAIN_RLY_CL- terminal, and turns PGM-FI main relay 1 on. After the ignition is turned to the OFF (LOCK) mode, the PCM monitors the duration of the state in which the power is not turned off even if the microcomputer (MCU) in the PCM turns off the FI_MAIN_RLY_CL- drive. If the condition continues for a specified duration, the PCM detects a malfunction and stores a DTC.

Monitor Execution, Sequence, Duration, DTC Type 

Execution Continuous
Sequence None
Duration 10 seconds or more
DTC Type Two drive cycles, MIL on* 1, off* 2

*1: USA and Canada models*2: Mexico models

Enable Conditions 

Condition  
Vehicle ON mode

Malfunction Threshold 

The power supply does not turn off for at least 10 seconds even if the PCM requests to turn off the power after the vehicle is turned to the OFF (LOCK) mode.

Possible Cause 

NOTE: The causes shown may not be a complete list of all potential problems, and it is possible that there may be other causes.

Confirmation Procedure 

Operating Condition 

[ ]: HDS Parameter

Diagnosis Details* 1 

Conditions for setting the DTC 

When a malfunction is detected during the first drive cycle, a Pending DTC is stored in the PCM memory. If the malfunction returns in the next (second) drive cycle, the MIL comes on and a Confirmed DTC, the freeze data, and the on-board snapshot are stored.

Conditions for clearing the DTC 

The MIL is cleared if the malfunction does not return in three consecutive trips in which the diagnostic runs. The MIL, the Pending DTC, the Confirmed DTC, the freeze data, and the on-board snapshot can be cleared with the scan tool clear command.

Diagnosis Details* 2 

Conditions for setting the DTC 

When a malfunction is detected during the first drive cycle, a Pending DTC is stored in the PCM memory. If the malfunction returns in the next (second) drive cycle, a Confirmed DTC, the freeze data, and the on-board snapshot are stored. The MIL does not come on.

Conditions for clearing the DTC 

The Pending DTC, the Confirmed DTC, the freeze data, and the on-board snapshot can be cleared with the scan tool clear command.