DTC Advanced Diagnostics: P0045 (3.0L Engine)
DTC P0045: Turbocharger Wastegate Control Actuator Circuit Malfunction
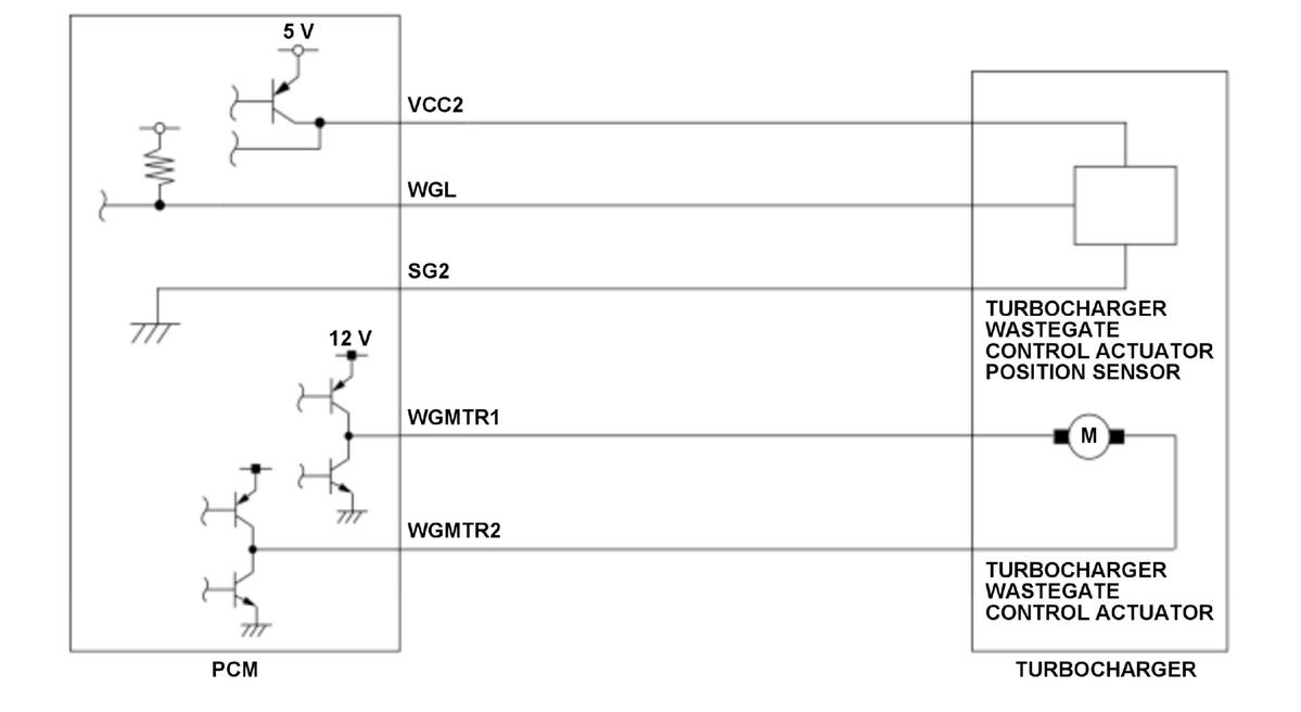
General Description
The powertrain control module (PCM) adjusts the boost pressure by controlling the turbocharger wastegate control actuator of the turbocharger. Boost pressure becomes higher by fully closing the turbocharger wastegate control valve driven by the turbocharger wastegate control actuator. The turbocharger wastegate control valve position is detected by the turbocharger wastegate control actuator position sensor and the signal is input to the PCM for target position feedback control. The PCM determines the amount of the valve lift to be moved to the target position and outputs the drive signal to the driver to drive the turbocharger wastegate control actuator.
- Abnormally high/low
The driver has an over current detecting function and if the current output from the driver reaches the threshold of the over current detecting function for a specified duration, the PCM detects a malfunction and stores a DTC.
- Open circuit
The driver also has an open circuit detecting function and if the voltage output from the driver is lower than the threshold of the open circuit detecting function during the driving condition where the current freewheels the driver, the PCM detects a malfunction and stores a DTC.
Monitor Execution, Sequence, Duration, DTC Type
| Execution | Continuous |
| Sequence | None |
| Duration | 0.5 second or more |
| DTC Type | One drive cycle, MIL on |
Enable Conditions
Abnormally high/low
| Condition | Minimum | Maximum |
|---|---|---|
| 12 volt battery voltage [Battery] | 10 V | - |
| Turbocharger wastegate control actuator duty | 1.7 % | 98.3 % |
| State of the engine | Running | |
[ ]: HDS Parameter
Open circuit
| Condition | Minimum | Maximum |
|---|---|---|
| 12 volt battery voltage [Battery] | 10 V | - |
| Turbocharger wastegate control actuator duty | -80 % | -30 % |
| State of the engine | Running | |
Malfunction Threshold
- Abnormally high/low
The current output from the turbocharger wastegate control actuator driver is 7.5 - 11.6 A or more for at least 0.5 second.
- Open circuit
The voltage output from the turbocharger wastegate control actuator driver is 0.15 V or less for at least 0.5 second during the driving condition where the current freewheels the driver.
Possible Cause
The causes shown may not be a complete list of all potential problems, and it is possible that there may be other causes.
- Turbocharger wastegate control actuator WGMTR1 line open
- Turbocharger wastegate control actuator WGMTR2 line open
- Turbocharger wastegate control actuator WGMTR1 line short to ground
- Turbocharger wastegate control actuator WGMTR2 line short to ground
- Turbocharger wastegate control actuator WGMTR1 line short to power
- Turbocharger wastegate control actuator WGMTR2 line short to power
- Turbocharger wastegate control actuator WGMTR1 line short to turbocharger wastegate control actuator WGMTR2 line
- Turbocharger wastegate control actuator failure
- PCM internal circuit failure
Confirmation Procedure
Operating Condition
- Press the accelerator pedal hard, and accelerate the vehicle in the range of operating the turbocharger.
- Release the accelerator pedal to decelerate.
- Drive the vehicle in this manner only if the traffic regulations and ambient conditions allow.
Diagnosis Details
Conditions for setting the DTC
When a malfunction is detected, the MIL comes on and a Pending DTC, a Confirmed DTC, the freeze data, and the on-board snapshot are stored in the PCM memory.
Conditions for clearing the DTC
The MIL is cleared if the malfunction does not return in three consecutive trips in which the diagnostic runs. The MIL, the Pending DTC, the Confirmed DTC, the freeze data, and the on-board snapshot can be cleared with the scan tool clear command.