DTC Advanced Diagnostics: P04DF (3.0L Engine)
DTC P04DF: Evaporative Emission (EVAP) System High Purge Flow Detected
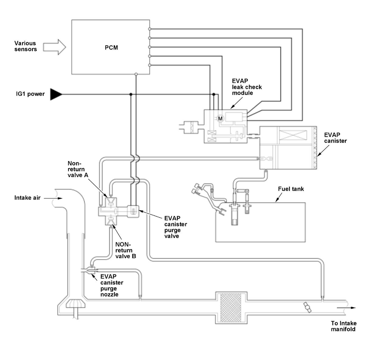
General Description
The powertrain control module (PCM) detects evaporative emission (EVAP) canister purge valve stuck open/close, non-return valve A stuck open/close, and non-return valve B stuck close when the vehicle is driven at certain condition. Each malfunction is determined as follows:
- EVAP canister purge valve stuck open (P04DF)
The diagnosis of EVAP canister purge valve stuck open is done at both low and high engine load. When the EVAP canister purge valve is closed, the EVAP leak check module pressure sensor value does not change since the fuel vapor stays at the EVAP canister. However, if the EVAP canister purge valve is stuck opened by the malfunction, the fuel vapor flows to the engine side. Consequently, the EVAP leak check module pressure sensor measures a vacuum pressure. If the value of the EVAP leak check module pressure sensor is a specified value, the PCM detects a malfunction and stores a DTC.
- EVAP canister purge valve stuck closed/non-return valve A stuck open/non-return valve B stuck closed (P04F0)
The diagnosis of EVAP canister purge valve stuck closed, non-return valve A stuck open, and non-return valve B stuck closed are done at high engine load. When the EVAP canister purge valve is opened, the EVAP leak check module pressure sensor measures a vacuum pressure since the fuel vapor flows to the EVAP canister purge nozzle side. However, if non-return valve A is stuck opened by the malfunction, the boost pressure flows from the engine side. Consequently, the EVAP leak check module pressure sensor measures a positive pressure. Also, if non-return valve B or the EVAP canister purge valve is stuck closed by malfunction, the fuel vapor stays at the EVAP canister. Consequently, the EVAP leak check module pressure sensor does not change. If the value of the EVAP leak check module pressure sensor is a specified value, the PCM detects a malfunction and stores a DTC.
- EVAP canister purge valve stuck closed/non-return valve A stuck closed (P04F1)
The diagnosis of EVAP canister purge valve stuck closed and non-return valve A stuck closed are done at low engine load. When the EVAP canister purge valve is opened, the EVAP leak check module pressure sensor measures a vacuum pressure since the fuel vapor flows to the intake manifold side. However, if the EVAP canister purge valve or non-return valve A is stuck closed, the fuel vapor stays at the EVAP canister. Consequently, the EVAP leak check module pressure sensor value does not change. If the value of the EVAP leak check module pressure sensor is a specified value, the PCM detects a malfunction and stores a DTC.
Monitor Execution, Sequence, Duration, DTC Type
| Execution | Once per driving cycle |
| Sequence | None |
| Duration | 7.0 seconds or more |
| DTC Type | Two drive cycles, MIL on |
Enable Conditions
| Condition | Minimum | Maximum |
|---|---|---|
| Intake air temperature [IAT Sensor (1)] | 113 deg.F (-10 deg.C) | - |
| Engine speed [Engine Speed] | 1, 000 RPM | - |
[ ]: HDS Parameter
| Condition | Minimum | Maximum |
|---|---|---|
| MAP value [MAP Sensor (Hi Res)] | 40 kPa (300 mmHg, 11.8 inHg) | - |
| BARO value [Baro Sensor] | 73.4 kPa (551 mmHg, 21.68 inHg) | - |
| 12 volt battery voltage [Battery] | 10.5 V | - |
| Purge flow | 40 L (10.6 US gal) | - |
| Fuel vapor concentration | - | 0.3 |
| Times canister change over valve switched | - | 7 times |
| Fuel feedback | Closed-loop | |
[ ]: HDS Parameter
Malfunction Threshold
The EVAP leak check module pressure sensor value is less than -2.5 kPa (-19 mmHg, -0.74 inHg) for at least 7.0 seconds.
Possible Cause
The causes shown may not be a complete list of all potential problems, and it is possible that there may be other causes.
- EVAP canister purge valve open stuck
- EVAP leak check module pressure sensor failure
- EVAP leak check module failure
Confirmation Procedure
Operating Condition
- Start the engine.
- Drive the vehicle at a steady vehicle speed of 44 mph (70 km/h) with 6th gear for at least 10 minutes.
- Drive the vehicle at low engine load (throttle position less than 7 deg. and accelerator pedal position 5 % - 10 %) for 20 seconds or more.
- Drive the vehicle in this manner only if the traffic regulations and ambient conditions allow.
Diagnosis Details
Conditions for setting the DTC
When a malfunction is detected during the first drive cycle, a Pending DTC is stored in the PCM memory. If the malfunction returns in the next (second) drive cycle, the MIL comes on and a Confirmed DTC, the freeze data, and the on-board snapshot are stored.
Conditions for clearing the DTC
The MIL is cleared if the malfunction does not return in three consecutive trips in which the diagnostic runs. The MIL, the Pending DTC, the Confirmed DTC, the freeze data, and the on-board snapshot can be cleared with the scan tool clear command.