LEMON Manuals: Even more car manuals for everyone: 1960-2025
Home >> Acura >> 2024 >> MDX Base >> Repair and Diagnosis (Single Page) >> Engine Performance >> System >> Engine Control System Advanced Diagnostics (P0331 - P06A8) >> Advanced Diagnostics >> DTC Advanced Diagnostics: P0506 (3.5L Engine)
April 5, 2026: LEMON Manuals is launched! Read the announcement.

DTC Advanced Diagnostics: P0506 (3.5L Engine)

DTC P0506:  Idle Control System RPM Lower Than Expected

General Description 

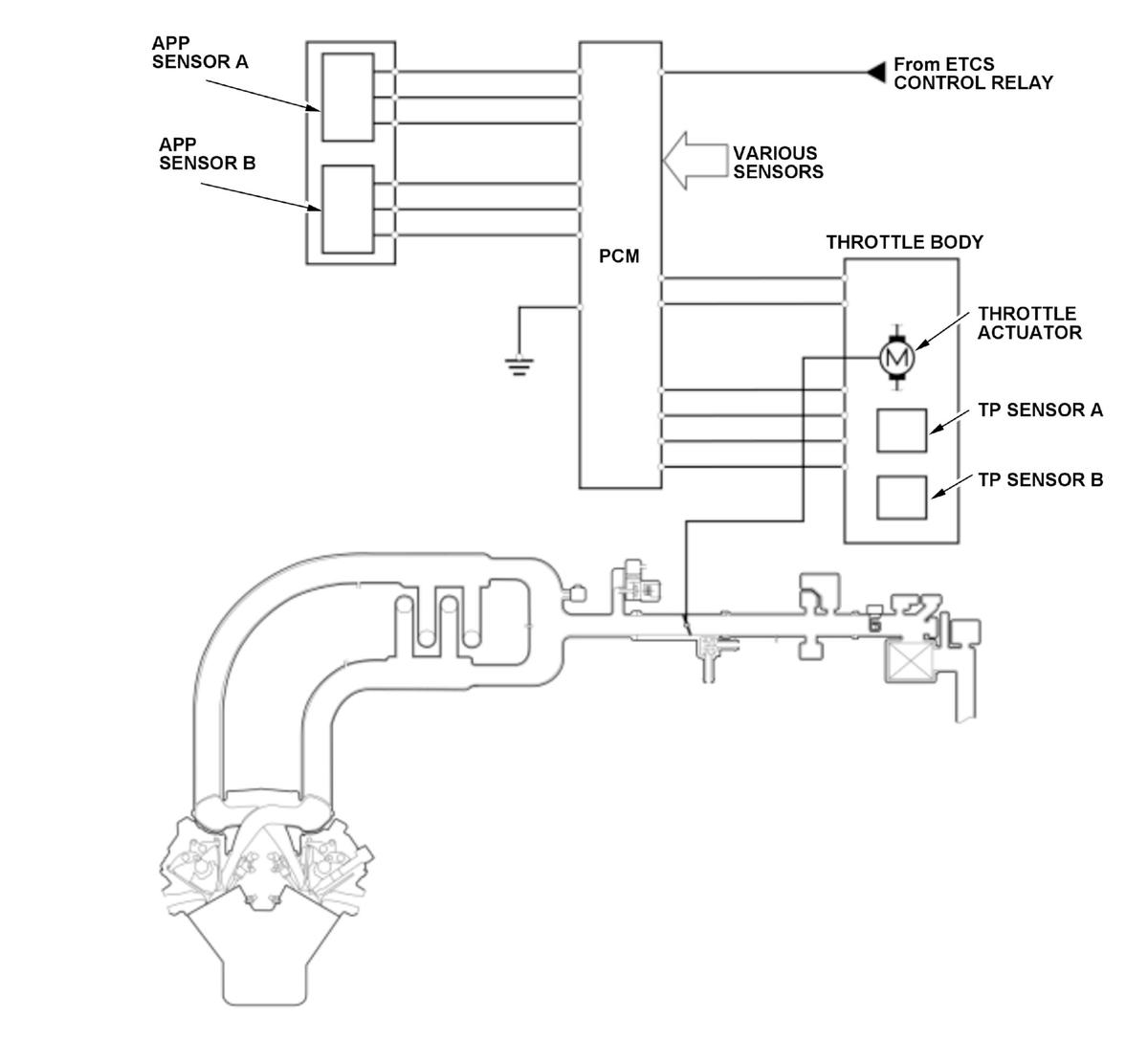
GHH515359Courtesy of HONDA, U.S.A., INC.
GHH515360Courtesy of HONDA, U.S.A., INC.

A target idle speed that meets the engine operating conditions (coolant temperature, A/C ON or OFF, etc.) is stored in the powertrain control module (PCM). The PCM monitors and controls the idle speed so that the actual idle speed is equal to the target idle speed. If the actual idle speed varies beyond a specified value from the target speed over a certain period of time, the PCM detects a malfunction in the idle speed control system and stores a DTC.

Monitor Execution, Sequence, Duration, DTC Type 

Execution Once per driving cycle
Sequence None
Duration 20 seconds or more
DTC Type Two drive cycles, MIL on

Enable Conditions 

Condition Minimum Maximum
Engine coolant temperature [ECT Sensor 1] 155.9 deg.F (68.8 deg.C) -
Intake air temperature [IAT Sensor (1)] 18.9 deg.F (-7.3 deg.C) -
12 volt battery voltage [Battery] 10.5 V -
Fuel trim 0.73 1.47
Throttle position Fully closed
Fuel feedback Closed loop
Other The engine is under no load

[ ]: HDS Parameter

Malfunction Threshold 

The actual idle speed is 100 RPM less than the target idle speed for at least 20 seconds.

Possible Cause 

NOTE:

The causes shown may not be a complete list of all potential problems, and it is possible that there may be other causes.

Confirmation Procedure 

Operating Condition 

Diagnosis Details 

Conditions for setting the DTC 

When a malfunction is detected during the first drive cycle, a Pending DTC is stored in the PCM memory. If the malfunction returns in the next (second) drive cycle, the MIL comes on and a Confirmed DTC, the freeze data, and the on-board snapshot are stored.

Conditions for clearing the DTC 

The MIL is cleared if the malfunction does not return in three consecutive trips in which the diagnostic runs. The MIL, the Pending DTC, the Confirmed DTC, the freeze data, and the on-board snapshot can be cleared with the scan tool clear command.