DTC Advanced Diagnostics: P0641 (PGM-FI System (3.5L Engine))
DTC P0641: Sensor Reference Voltage A Malfunction
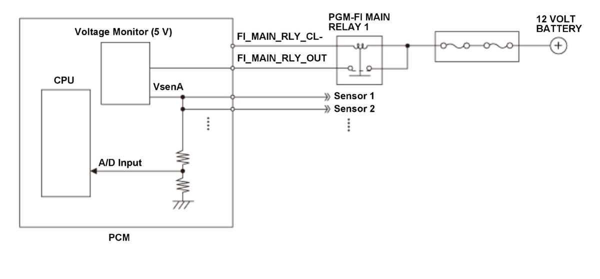
General Description
The powertrain control module (PCM) is equipped with a voltage monitor (5 V power source) to supply a stable 5 V to each sensor as reference voltage. The correct voltage for the sensors are loaded in the CPU of the PCM (A/D input) and when the sensor power voltage is a set value (high or low) for a certain time, the PCM detects a malfunction and stores a DTC.
Monitor Execution, Sequence, Duration, DTC Type
| Execution | Continuous |
| Sequence | None |
| Duration | 2.0 seconds or more |
| DTC Type | One drive cycle, MIL on |
Enable Conditions
| Condition | |
|---|---|
| Vehicle | ON mode |
Malfunction Threshold
The sensor power voltage is 5.2 V or more, or 4.5 V or less, for at least 2.0 seconds.
Possible Cause
The causes shown may not be a complete list of all potential problems, and it is possible that there may be other causes.
- Accelerator pedal position (APP) sensor VCC line short to power
- Manifold absolute pressure (MAP) sensor VCC line short to power
- Exhaust gas recirculation (EGR) valve VCC line short to power* 1
- Fuel rail pressure sensor VCC line short to power
- Throttle body VCC line short to power
- APP sensor VCC line short to ground
- MAP sensor VCC line short to ground
- EGR valve VCC line short to ground* 1
- Fuel rail pressure sensor VCC line short to ground
- Throttle body VCC line short to ground
- PCM internal circuit failure
*1: USA/Canada models
Diagnosis Details
Conditions for setting the DTC
When a malfunction is detected, the MIL comes on and a Pending DTC, a Confirmed DTC, the freeze data, and the on-board snapshot are stored in the PCM memory.
Conditions for clearing the DTC
The MIL is cleared if the malfunction does not return in three consecutive trips in which the diagnostic runs. The MIL, the Pending DTC, the Confirmed DTC, the freeze data, and the on-board snapshot can be cleared with the scan tool clear command.