LEMON Manuals: Even more car manuals for everyone: 1960-2025
Home >> Acura >> 2024 >> MDX Base >> Repair and Diagnosis (Single Page) >> Engine Performance >> System >> Engine Control System Advanced Diagnostics (P06E4 - P24B9) >> Advanced Diagnostics >> DTC Advanced Diagnostics: P16F3 (3.0L Engine)
April 5, 2026: LEMON Manuals is launched! Read the announcement.

DTC Advanced Diagnostics: P16F3 (3.0L Engine)

DTC P16F3:  Starter Cut Relay 1 Control Circuit Low Voltage

General Description 

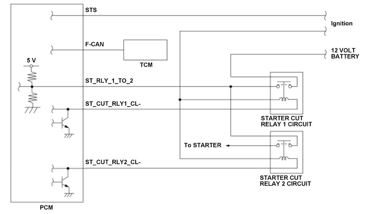
GHH515475Courtesy of HONDA, U.S.A., INC.

The starter motor is controlled by on/off of the starter cut relay 1 circuit and the starter cut relay 2 circuit to start the engine. The monitor circuit in the powertrain control module (PCM) monitors the voltage level of the ST_CUT_RLY1_CL- terminal. If the voltage level is abnormal, the PCM detects a malfunction and stores a DTC.

Monitor Execution, Sequence, Duration, DTC Type 

Execution Continuous
Sequence None
Duration 5 seconds or more
DTC Type One drive cycle, MIL off

Enable Conditions 

Condition Minimum Maximum
12 volt battery voltage [Battery] 9.2 V -
Starter Off
Vehicle ON mode

[ ]: HDS Parameter

Malfunction Threshold 

The ST_CUT_RLY1_CL- terminal voltage level is on (low voltage) for at least 5 seconds despite the PCM outputs off to the starter cut relay 1 circuit.

Possible Cause 

NOTE:

The causes shown may not be a complete list of all potential problems, and it is possible that there may be other causes.

Diagnosis Details 

Conditions for setting the DTC 

When a malfunction is detected, a Pending DTC, a Confirmed DTC, the freeze data, and the on-board snapshot are stored in the PCM memory. The MIL does not come on.

Conditions for clearing the DTC 

The Pending DTC, the Confirmed DTC, the freeze data, and the on-board snapshot can be cleared with the scan tool clear command.