LEMON Manuals: Even more car manuals for everyone: 1960-2025
Home >> Acura >> 2024 >> MDX Base >> Repair and Diagnosis (Single Page) >> Steering >> Steering Control Systems >> Body Electrical System - Troubleshooting - System Description >> Circuit Diagram >> Safety Indicator System Circuit Diagram (3.5L Engine)
April 5, 2026: LEMON Manuals is launched! Read the announcement.

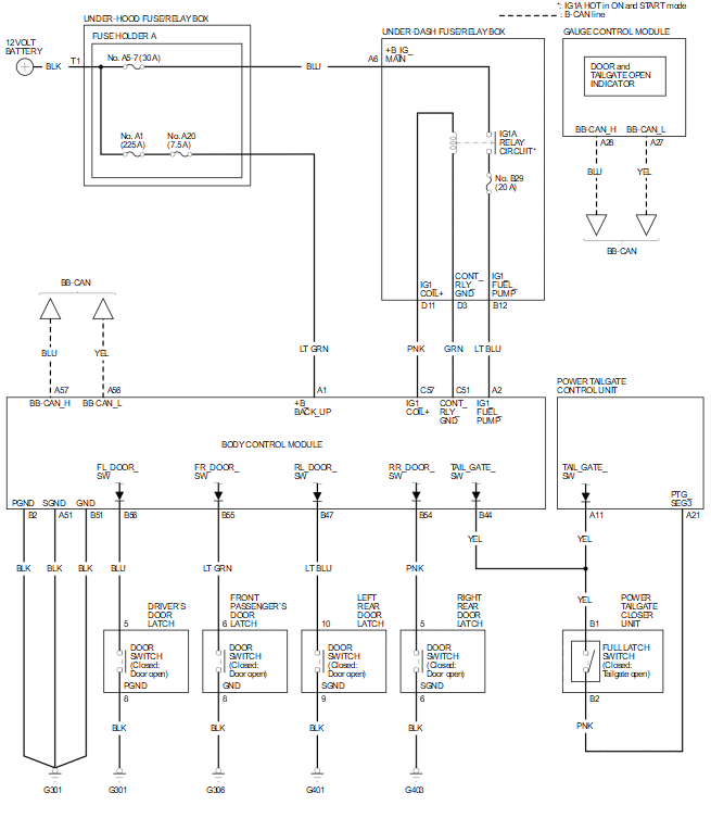
Safety Indicator System Circuit Diagram (3.5L Engine)

NOTE:

For details of the CAN circuit, refer to the Network Communications Circuit Diagram.

GHH659283Courtesy of HONDA, U.S.A., INC.