LEMON Manuals: Even more car manuals for everyone: 1960-2025
Home >> Acura >> 2024 >> MDX Base >> Repair and Diagnosis >> Engine Performance >> Engine Control Systems >> Body Electrical System - Troubleshooting - System Description >> Circuit Diagram >> Interior Lights Circuit Diagram (3.5L Engine)
April 5, 2026: LEMON Manuals is launched! Read the announcement.

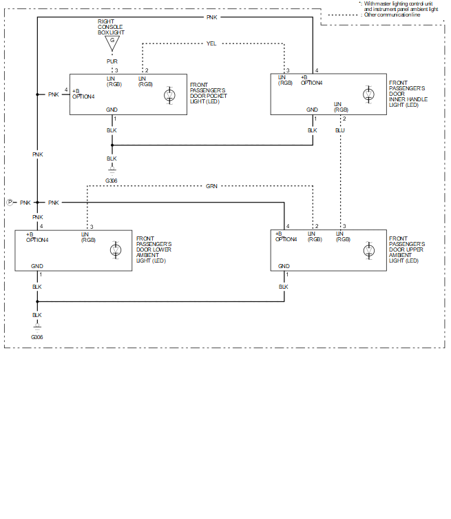
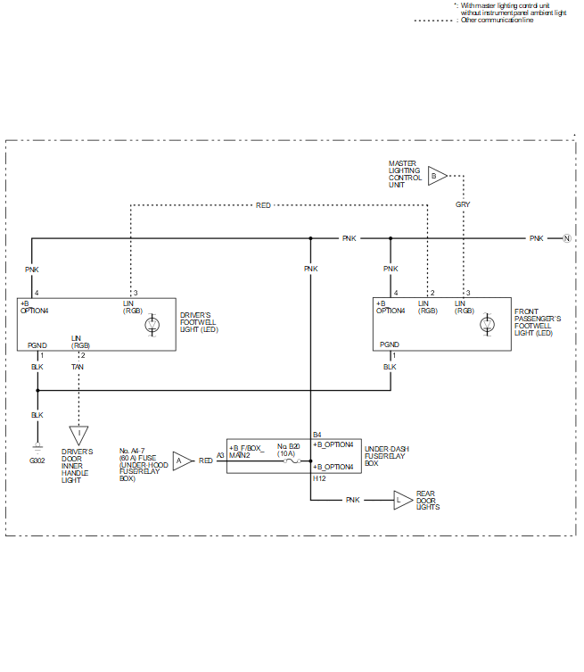
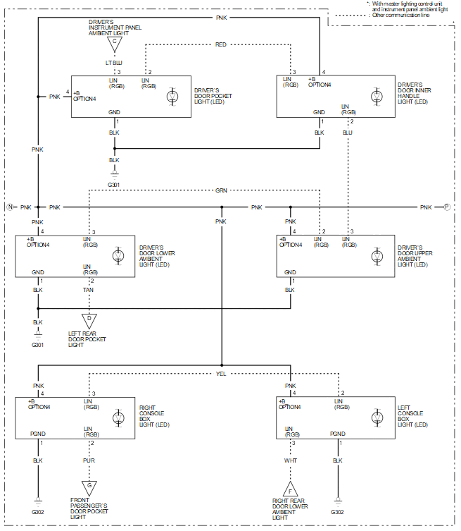
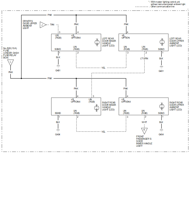
Interior Lights Circuit Diagram (3.5L Engine)

NOTE:

For details of the CAN circuit, refer to the Network Communications Circuit Diagram.

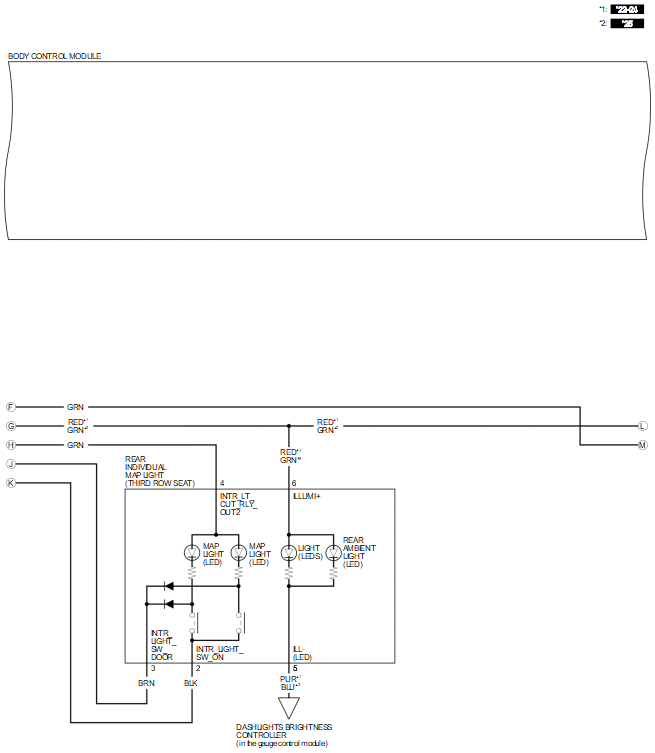
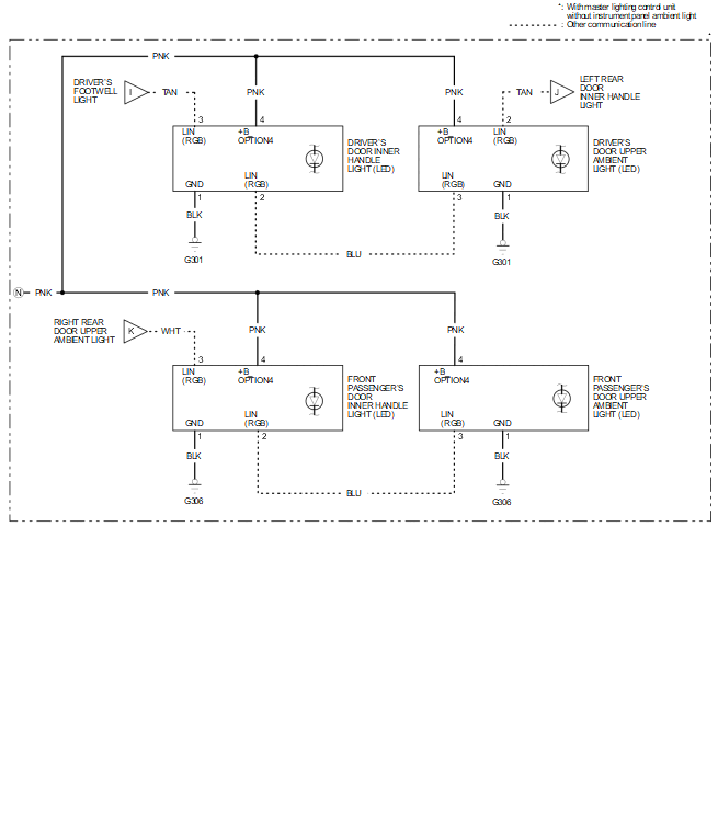
GHH659161Courtesy of HONDA, U.S.A., INC.
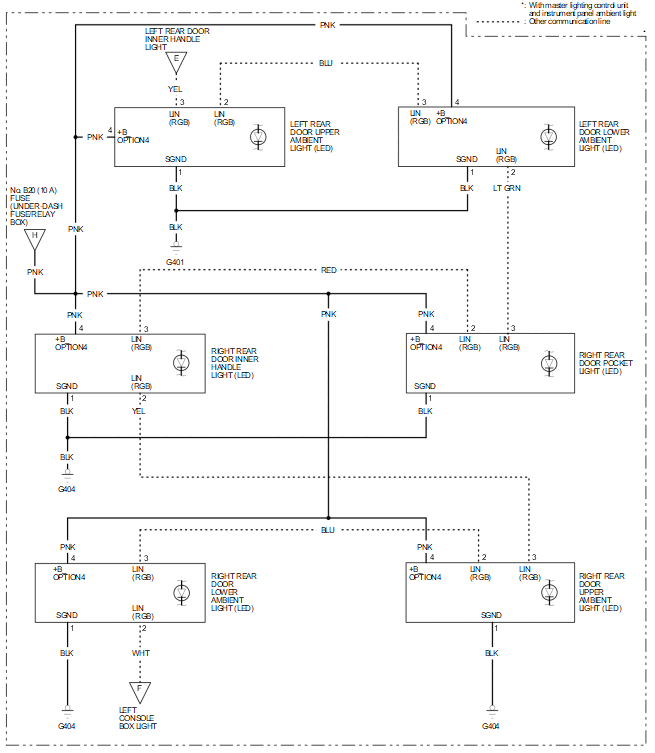
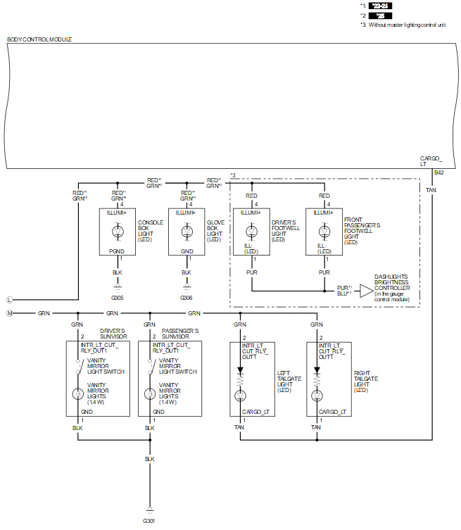
GHH659162Courtesy of HONDA, U.S.A., INC.
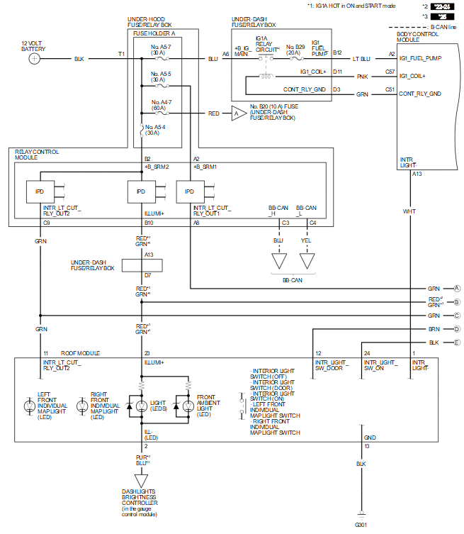
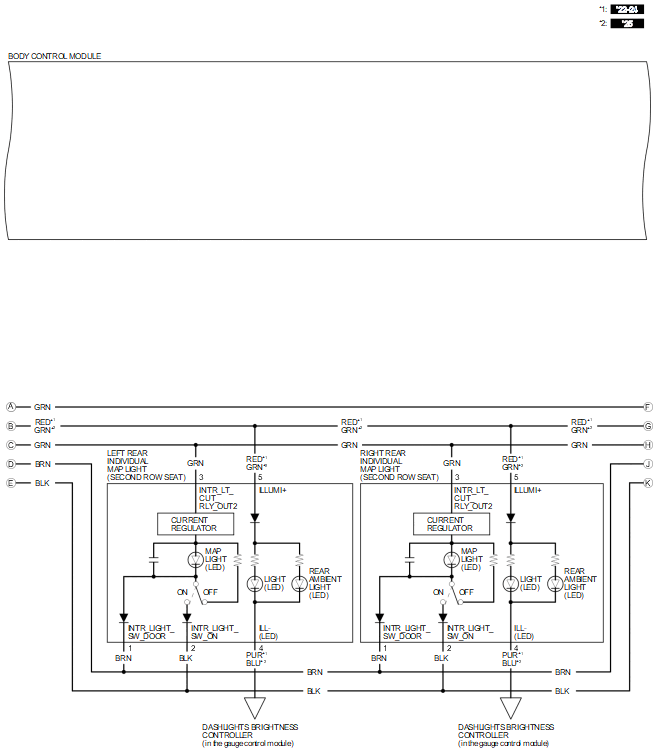
GHH659163Courtesy of HONDA, U.S.A., INC.
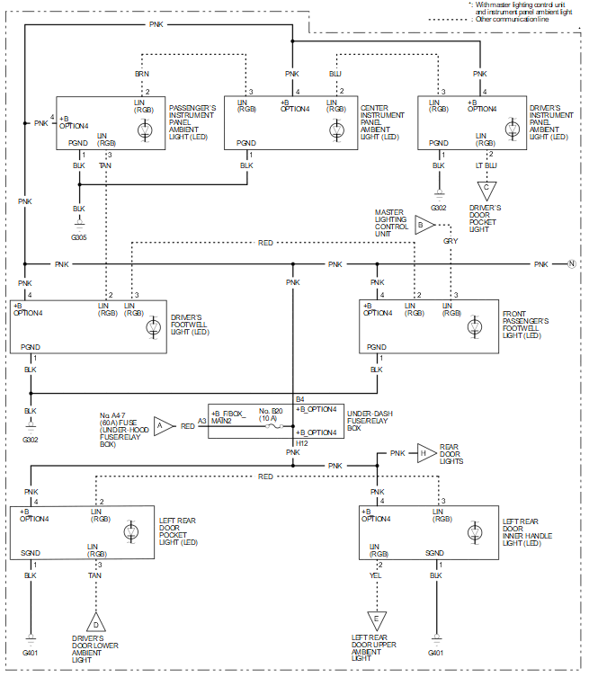
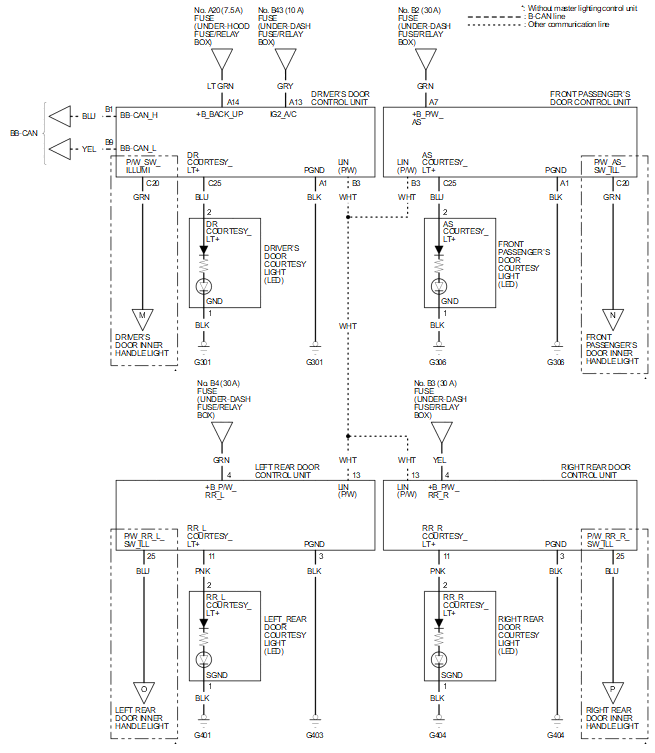
GHH659164Courtesy of HONDA, U.S.A., INC.
GHH659165Courtesy of HONDA, U.S.A., INC.
GHH659166Courtesy of HONDA, U.S.A., INC.
GHH659167Courtesy of HONDA, U.S.A., INC.
GHH659168Courtesy of HONDA, U.S.A., INC.
GHH659169Courtesy of HONDA, U.S.A., INC.
GHH659170Courtesy of HONDA, U.S.A., INC.
GHH659171Courtesy of HONDA, U.S.A., INC.
GHH659172Courtesy of HONDA, U.S.A., INC.
GHH659173Courtesy of HONDA, U.S.A., INC.
GHH659174Courtesy of HONDA, U.S.A., INC.
GHH659175Courtesy of HONDA, U.S.A., INC.