LEMON Manuals: Even more car manuals for everyone: 1960-2025
Home >> Acura >> 2024 >> MDX Base >> Repair and Diagnosis >> Steering >> Steering Control Systems >> Body Electrical System - Troubleshooting - System Description >> Circuit Diagram >> Accessory Power Sockets Circuit Diagram (3.5L Engine)
April 5, 2026: LEMON Manuals is launched! Read the announcement.

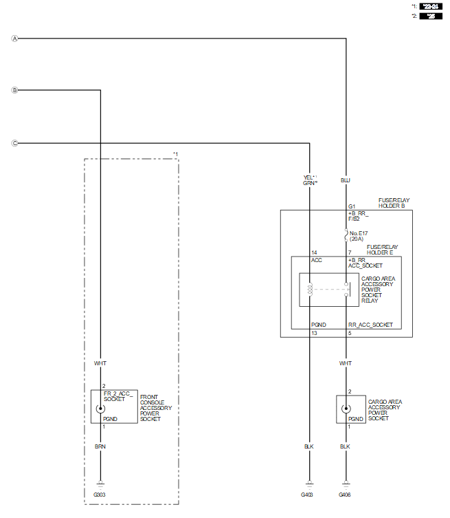
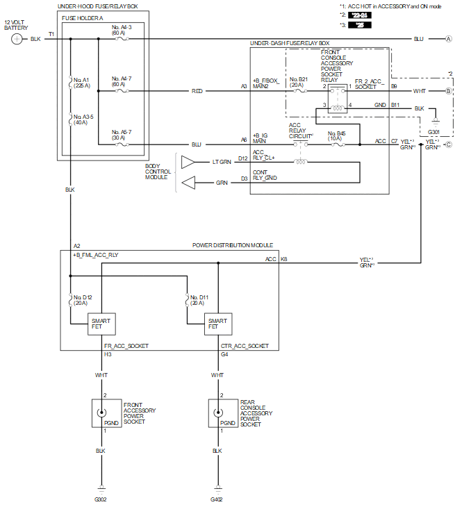
Accessory Power Sockets Circuit Diagram (3.5L Engine)

GHH659079Courtesy of HONDA, U.S.A., INC.
GHH659080Courtesy of HONDA, U.S.A., INC.