LEMON Manuals: Even more car manuals for everyone: 1960-2025
Home >> Acura >> 2024 >> TLX Base >> Repair and Diagnosis (Single Page) >> Body & Frame >> Door Locks >> Security System / Keyless Entry System - Testing & Troubleshooting >> Circuit Diagram >> Keyless Access System Circuit Diagram
April 5, 2026: LEMON Manuals is launched! Read the announcement.

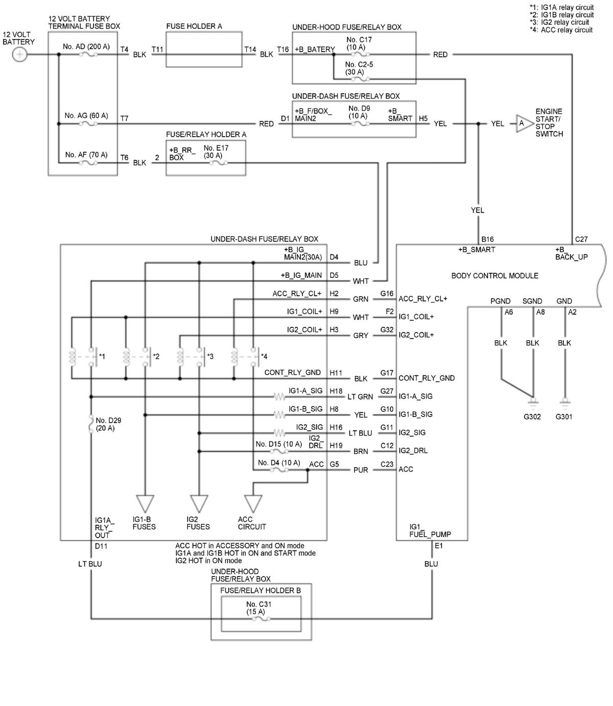
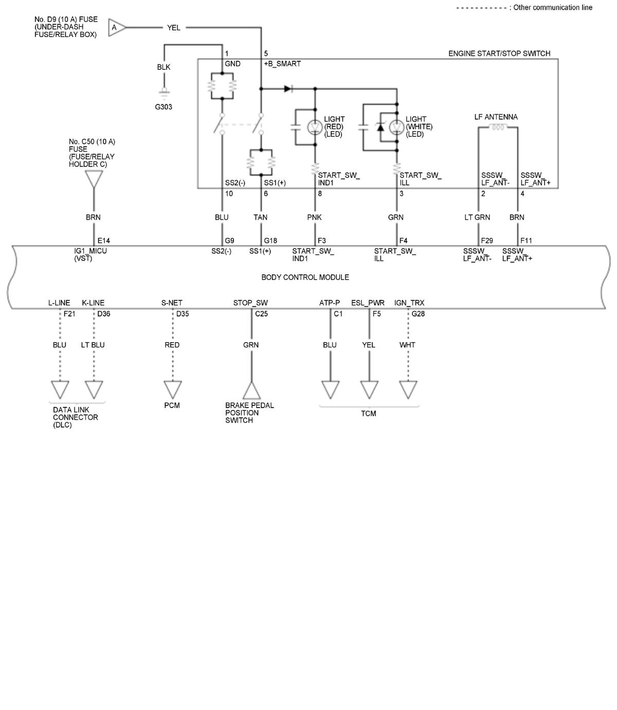
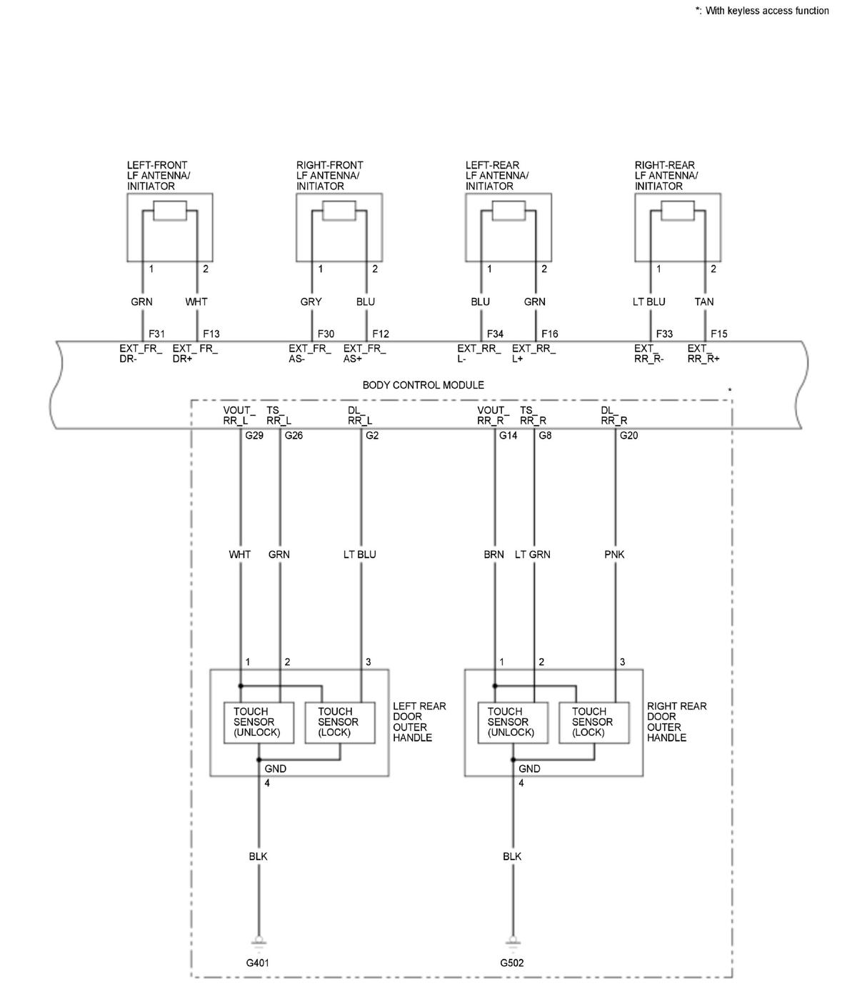
Keyless Access System Circuit Diagram

NOTE: For details of the CAN circuit, refer to the Network Communications Circuit Diagram.
GHH487302Courtesy of HONDA, U.S.A., INC.
GHH487303Courtesy of HONDA, U.S.A., INC.
GHH487304Courtesy of HONDA, U.S.A., INC.
GHH487305Courtesy of HONDA, U.S.A., INC.
GHH487306Courtesy of HONDA, U.S.A., INC.
GHH487307Courtesy of HONDA, U.S.A., INC.