LEMON Manuals: Even more car manuals for everyone: 1960-2025
Home >> Acura >> 2024 >> TLX Base >> Repair and Diagnosis (Single Page) >> Engine Performance >> System >> Engine Control System - Advanced Diagnostics (1 Of 3) >> Advanced Diagnostics >> DTC Advanced Diagnostics: P0045 (3.0L Engine)
April 5, 2026: LEMON Manuals is launched! Read the announcement.

DTC Advanced Diagnostics: P0045 (3.0L Engine)

DTC P0045:  Turbocharger Wastegate Control Actuator Circuit Malfunction

General Description 

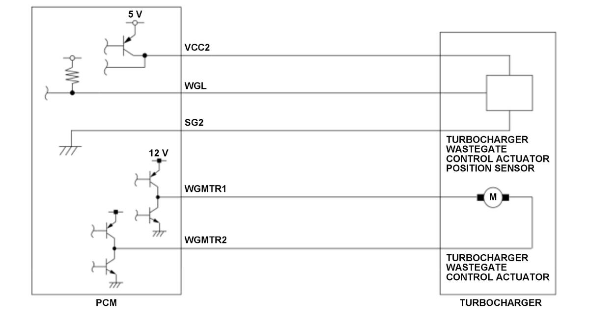
GHH479508Courtesy of HONDA, U.S.A., INC.

The powertrain control module (PCM) adjusts the boost pressure by controlling the turbocharger wastegate control actuator of the turbocharger. Boost pressure becomes higher by fully closing the turbocharger wastegate control valve driven by the turbocharger wastegate control actuator. The turbocharger wastegate control valve position is detected by the turbocharger wastegate control actuator position sensor and the signal is input to the PCM for target position feedback control. The PCM determines the amount of the valve lift to be moved to the target position and outputs the drive signal to the driver to drive the turbocharger wastegate control actuator.

Monitor Execution, Sequence, Duration, DTC Type 

Execution Continuous
Sequence None
Duration 0.5 second or more
DTC Type One drive cycle, MIL on

Enable Conditions 

Abnormally high/low 

Condition Minimum Maximum
12 volt battery voltage [Battery] 10 V -
Turbocharger wastegate control actuator duty 1.7 % 98.3 %
State of the engine Running

[ ]: HDS Parameter

Open circuit 

Condition Minimum Maximum
12 volt battery voltage [Battery] 10 V -
Turbocharger wastegate control actuator duty -80 % -30 %
State of the engine Running

Malfunction Threshold 

Possible Cause 

NOTE: The causes shown may not be a complete list of all potential problems, and it is possible that there may be other causes.

Confirmation Procedure 

Operating Condition 

Diagnosis Details 

Conditions for setting the DTC 

When a malfunction is detected, the MIL comes on and a Pending DTC, a Confirmed DTC, the freeze data, and the on-board snapshot are stored in the PCM memory.

Conditions for clearing the DTC 

The MIL is cleared if the malfunction does not return in three consecutive trips in which the diagnostic runs. The MIL, the Pending DTC, the Confirmed DTC, the freeze data, and the on-board snapshot can be cleared with the scan tool clear command.