LEMON Manuals: Even more car manuals for everyone: 1960-2025
Home >> Acura >> 2024 >> TLX Base >> Repair and Diagnosis (Single Page) >> Engine Performance >> System >> Engine Control System - Advanced Diagnostics (3 Of 3) >> Advanced Diagnostics >> DTC Advanced Diagnostics: P2450 (3.0L Engine)
April 5, 2026: LEMON Manuals is launched! Read the announcement.

DTC Advanced Diagnostics: P2450 (3.0L Engine)

DTC P2450:  Evaporative Emission (EVAP) System Purge Line Non-return Valve Stuck Open

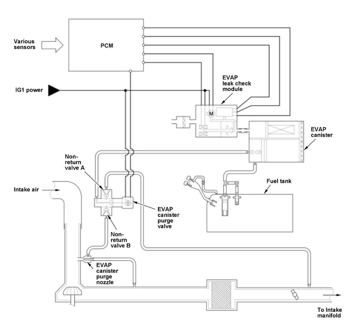
General Description 

GHH479985Courtesy of HONDA, U.S.A., INC.
GHH479986Courtesy of HONDA, U.S.A., INC.
DTC No.
P0456: Evaporative Emission (EVAP) System Very Small Leak Detected 8
P2DDA: Evaporative Emission (EVAP) Leak Check Pump 2
3
5
P2DD9: Evaporative Emission (EVAP) Leak Check Module Standard Pressure Stability Error 2
5
P043E: Evaporative Emission (EVAP) Leak Check Module Standard Pressure Low 2
5
7
P043F: Evaporative Emission (EVAP) Leak Check Module Standard Pressure High 2
5
P2450: Evaporative Emission (EVAP) System Purge Line Non-return Valve Stuck Open 4
P00FE: Evaporative Emission (EVAP) Vent Line Blockage 3

The evaporative emission (EVAP) diagnostic starts if the certain driving conditions are met after a certain duration of vehicle soak. The malfunction can be detected by the EVAP diagnostic.

Monitor Execution, Sequence, Duration, DTC Type 

Execution Once per driving cycle
Sequence None
Duration 33 minutes 20 seconds
DTC Type Two drive cycles, MIL on

Enable Conditions 

Condition Minimum Maximum
Soak duration* 5 hours -
Engine coolant temperature [ECT Sensor 1] 40.0 deg.F (4.4 deg.C) 113 deg.F (45 deg.C)
Intake air temperature [IAT Sensor (1)] 40.0 deg.F (4.4 deg.C) 122 deg.F (50 deg.C)
BARO pressure [Baro Sensor] 73.4 kPa (551 mmHg, 21.68 inHg) -
12 volt battery voltage [Battery] 11 V -
Fuel level - 85 %
Vehicle OFF (LOCK) mode

*: Condition to start the EVAP diagnostic[ ]: HDS Parameter

Malfunction Threshold 

The EVAP system pressure is less than -0.14 kPa (-1.1 mmHg, 0.0414 inHg) when the canister purge valve is opened during the EVAP system decompression.

Possible Cause 

NOTE: The causes shown may not be a complete list of all potential problems, and it is possible that there may be other causes.

Confirmation Procedure 

Operating Condition 

Diagnosis Details 

Conditions for setting the DTC 

When a malfunction is detected during the first drive cycle, a Pending DTC is stored in the PCM memory. If the malfunction returns in the next (second) drive cycle, the MIL comes on and a Confirmed DTC, the freeze data, and the on-board snapshot are stored.

Conditions for clearing the DTC 

The MIL is cleared if the malfunction does not return in three consecutive trips in which the diagnostic runs. The MIL, the Pending DTC, the Confirmed DTC, the freeze data, and the on-board snapshot can be cleared with the scan tool clear command.