LEMON Manuals: Even more car manuals for everyone: 1960-2025
Home >> Acura >> 2024 >> TLX Base >> Repair and Diagnosis (Single Page) >> Engine Performance >> System >> Engine Control System - Advanced Diagnostics (3 Of 3) >> Advanced Diagnostics >> DTC Advanced Diagnostics: P24C0 (3.0L Engine)
April 5, 2026: LEMON Manuals is launched! Read the announcement.

DTC Advanced Diagnostics: P24C0 (3.0L Engine)

DTC P24C0:  Evaporative Emission (EVAP) Leak Check Module Canister Change Over Valve Close Malfunction

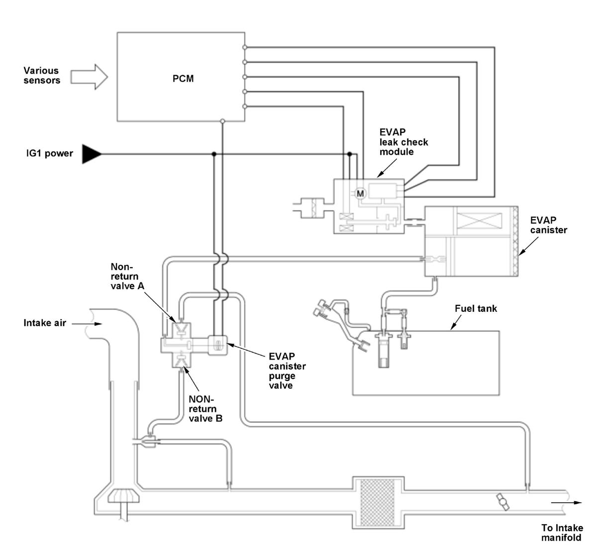
General Description 

GHH479993Courtesy of HONDA, U.S.A., INC.
GHH479994Courtesy of HONDA, U.S.A., INC.
GHH479995Courtesy of HONDA, U.S.A., INC.

When the canister change over valve is working normally, the value of the evaporative emission (EVAP) leak check module pressure sensor does not become vacuum pressure during the purge since the purge is always flowing except during the EVAP leak check and has a passage for relieving pressure when refueling. If the purge is done while the canister change over valve stuck closed or the atmosphere side of passage, pipe, dust filter, or drain connected to the canister change over valve is clogged, the buckling of fuel tank might occur due to over-vacuumed pressure. If the relative pressure calculated from the EVAP leak check module pressure sensor is a specified value during the purge, the powertrain control module (PCM) detects a malfunction and stores a DTC.

Monitor Execution, Sequence, Duration, DTC Type 

Execution Once per driving cycle
Sequence None
Duration 1.0 second or more
DTC Type Two drive cycles, MIL on

Enable Conditions 

Condition Minimum Maximum
Engine coolant temperature [ECT Sensor 1]* 140 deg.F (60 deg.C) -

*: Condition to start purge[ ]: HDS Parameter

Condition Minimum Maximum
12 volt battery voltage [Battery] 10.5 V -
Fuel feedback Closed-loop

*: Condition to start purge[ ]: HDS Parameter

Malfunction Threshold 

The EVAP leak check module pressure sensor is -2.69 kPa (-20.2 mmHg, -0.795 inHg) or less for at least 1.0 second during the purge.

Possible Cause 

NOTE: The causes shown may not be a complete list of all potential problems, and it is possible that there may be other causes.

Confirmation Procedure 

Operating Condition 

Diagnosis Details 

Conditions for setting the DTC 

When a malfunction is detected during the first drive cycle, a Pending DTC is stored in the PCM memory. If the malfunction returns in the next (second) drive cycle, the MIL comes on and a Confirmed DTC, the freeze data, and the on-board snapshot are stored.

Conditions for clearing the DTC 

The MIL is cleared if the malfunction does not return in three consecutive trips in which the diagnostic runs. The MIL, the Pending DTC, the Confirmed DTC, the freeze data, and the on-board snapshot can be cleared with the scan tool clear command.