LEMON Manuals: Even more car manuals for everyone: 1960-2025
Home >> Acura >> 2025 >> MDX Base >> Repair and Diagnosis (Single Page) >> Engine Performance >> Engine Control Systems >> Body Electrical System - Troubleshooting - System Description >> Circuit Diagram >> Reminder Systems Circuit Diagram (3.0L Engine)
April 5, 2026: LEMON Manuals is launched! Read the announcement.

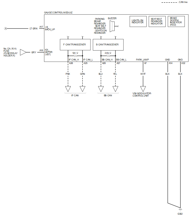
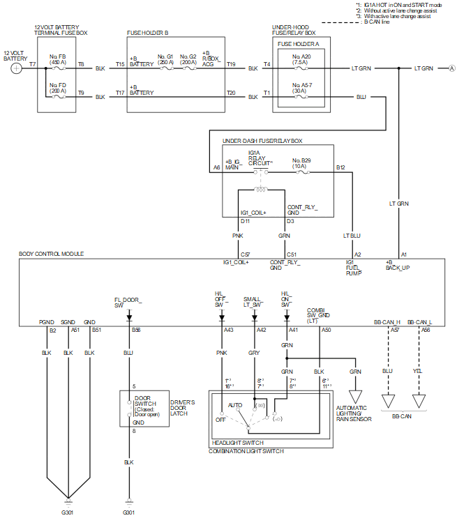
Reminder Systems Circuit Diagram (3.0L Engine)

NOTE:

For details of the CAN circuit, refer to the Network Communications Circuit Diagram.

GHH659276Courtesy of HONDA, U.S.A., INC.
GHH659277Courtesy of HONDA, U.S.A., INC.
GHH659278Courtesy of HONDA, U.S.A., INC.