LEMON Manuals: Even more car manuals for everyone: 1960-2025
Home >> Acura >> 2025 >> MDX Base >> Repair and Diagnosis (Single Page) >> Engine Performance >> System >> Engine Control System Advanced Diagnostics (P0113 - P0327) >> Advanced Diagnostics >> DTC Advanced Diagnostics: P0096 (3.0L Engine)
April 5, 2026: LEMON Manuals is launched! Read the announcement.

DTC Advanced Diagnostics: P0096 (3.0L Engine)

DTC P0096:  Intake Air Temperature (IAT) Sensor 2 Circuit Range/Performance Problem

General Description 

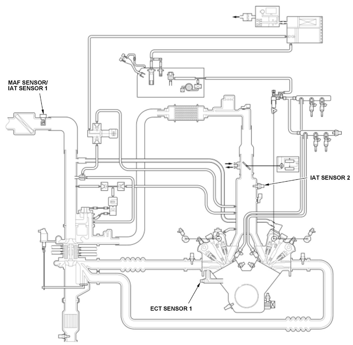
GHH515126Courtesy of HONDA, U.S.A., INC.
GHH515127Courtesy of HONDA, U.S.A., INC.

Intake air temperature (IAT) sensor 2 is a thermistor that detects intake air temperature, and it is used for air/fuel ratio feedback control to compensate for the atmospheric density fluctuations that accompany changes in intake air temperature. The powertrain control module (PCM) monitors the maximum and minimum value of IAT sensor 2 after the engine start. If the difference between the maximum and minimum value of IAT sensor 2 after the engine start is small, the powertrain control module (PCM) detects a malfunction and stores a DTC.

Monitor Execution, Sequence, Duration, DTC Type 

Execution Continuous
Sequence None
Duration 50 milliseconds or more
DTC Type Two drive cycles, MIL on

Enable Conditions 

Condition Minimum Maximum
Elapsed time after starting the engine 10 minutes -

Malfunction Threshold 

IAT sensor 2 maximum value - (minus) IAT sensor 2 minimum value is less than 0.011 V.

Possible Cause 

NOTE:

The causes shown may not be a complete list of all potential problems, and it is possible that there may be other causes.

Confirmation Procedure 

Operating Condition 

Start the engine, and let it idle for 10 minutes or more.

Diagnosis Details 

Conditions for setting the DTC 

When a malfunction is detected during the first drive cycle, a Pending DTC is stored in the PCM memory. If the malfunction returns in the next (second) drive cycle, the MIL comes on and a Confirmed DTC, the freeze data, and the on-board snapshot are stored.

Conditions for clearing the DTC 

The MIL is cleared if the malfunction does not return in three consecutive trips in which the diagnostic runs. The MIL, the Pending DTC, the Confirmed DTC, the freeze data, and the on-board snapshot can be cleared with the scan tool clear command.