LEMON Manuals: Even more car manuals for everyone: 1960-2025
Home >> Acura >> 2025 >> MDX Base >> Repair and Diagnosis (Single Page) >> Engine Performance >> System >> Engine Control System Advanced Diagnostics (P0113 - P0327) >> Advanced Diagnostics >> DTC Advanced Diagnostics: P0116 (3.0L Engine)
April 5, 2026: LEMON Manuals is launched! Read the announcement.

DTC Advanced Diagnostics: P0116 (3.0L Engine)

DTC P0116:  Engine Coolant Temperature (ECT) Sensor 1 Circuit Range/Performance Problem

General Description 

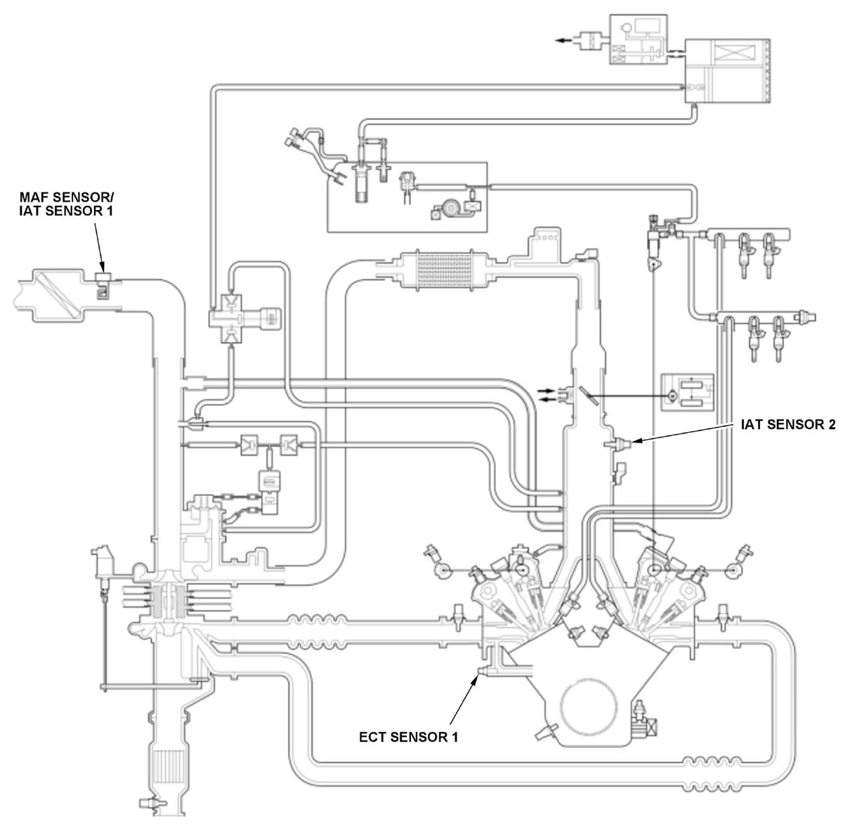
GHH515166Courtesy of HONDA, U.S.A., INC.
GHH515167Courtesy of HONDA, U.S.A., INC.

Engine coolant temperature (ECT) sensor 1 is used for air/fuel ratio feedback control, ignition timing control, idle speed control, and other functions. The powertrain control module (PCM) monitors the minimum and maximum values of ECT sensor 1 after the engine start. If the difference between the minimum value and the maximum after the engine start is small, the PCM detects a malfunction and stores a DTC.

Monitor Execution, Sequence, Duration, DTC Type 

Execution Continuous
Sequence None
Duration 4 minutes 10 seconds or more
DTC Type Two drive cycles, MIL on

Enable Conditions 

Condition Minimum Maximum
Engine speed [Engine Speed] 1, 500 RPM -
Engine load 30 % -
Fuel feedback Other than during fuel cut-off operation

[ ]: HDS Parameter

Malfunction Threshold 

ECT sensor 1 maximum value until the warm up counter reaches 4 minutes 10 seconds - (minus) ECT sensor 1 minimum value is less than 0.11 V.

Possible Cause 

NOTE:

The causes shown may not be a complete list of all potential problems, and it is possible that there may be other causes.

Confirmation Procedure 

Operating Condition 

Diagnosis Details 

Conditions for setting the DTC 

When a malfunction is detected during the first drive cycle, a Pending DTC is stored in the PCM memory. If the malfunction returns in the next (second) drive cycle, the MIL comes on and a Confirmed DTC, the freeze data, and the on-board snapshot are stored.

Conditions for clearing the DTC 

The MIL is cleared if the malfunction does not return in three consecutive trips in which the diagnostic runs. The MIL, the Pending DTC, the Confirmed DTC, the freeze data, and the on-board snapshot can be cleared with the scan tool clear command.