LEMON Manuals: Even more car manuals for everyone: 1960-2025
Home >> Acura >> 2025 >> MDX Base >> Repair and Diagnosis (Single Page) >> Steering >> Steering Control Systems >> Body Electrical System - Troubleshooting - System Description >> Circuit Diagram >> Auto High-Beam (High-Beam Support System) Circuit Diagram (Integrated Driver Support System) (2025)
April 5, 2026: LEMON Manuals is launched! Read the announcement.

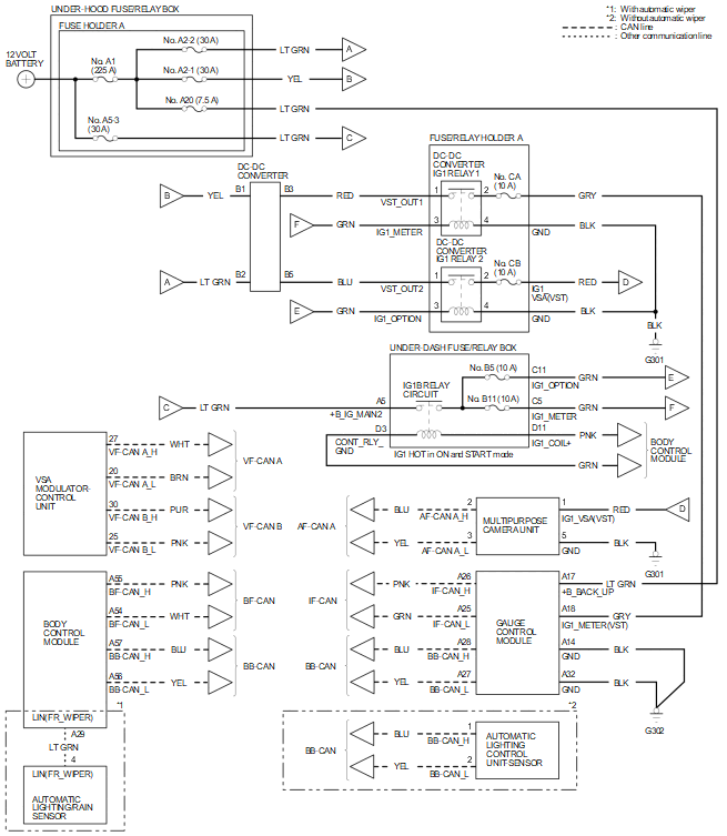
Auto High-Beam (High-Beam Support System) Circuit Diagram (Integrated Driver Support System) (2025)

NOTE:

For details of the CAN circuit refer to the Network Communications Circuit Diagram. The following describes the "Circuit Diagram" of the Integrated Driver Support System. If the vehicle is equipped with front center radar and corner radar, refer to "Circuit Diagram" of the Integrated Driver Support System (Camera and Five Radars).

GHH659082Courtesy of HONDA, U.S.A., INC.