LEMON Manuals: Even more car manuals for everyone: 1960-2025
Home >> Acura >> 2025 >> MDX Base >> Repair and Diagnosis (Single Page) >> Steering >> Steering Control Systems >> Body Electrical System - Troubleshooting - System Description >> Circuit Diagram >> Parking and Back-Up Sensor System Circuit Diagram (3.5L Engine) (2025)
April 5, 2026: LEMON Manuals is launched! Read the announcement.

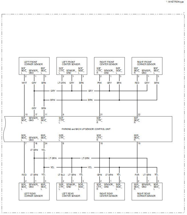
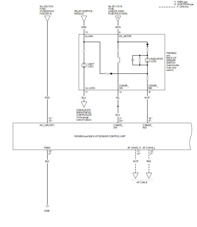
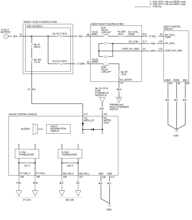
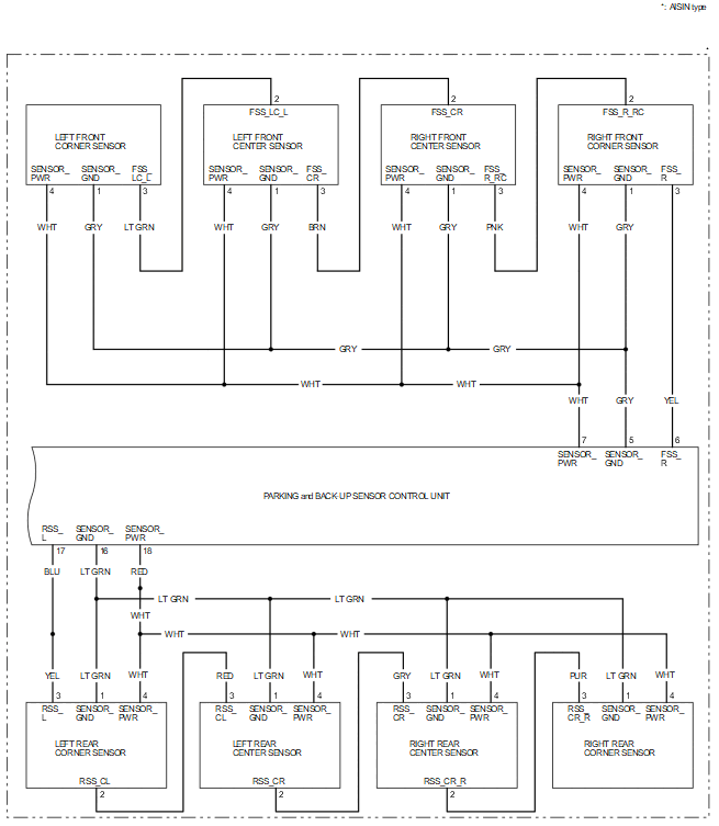
Parking and Back-Up Sensor System Circuit Diagram (3.5L Engine) (2025)

NOTE:

For details of the CAN circuit, refer to the Network Communications Circuit Diagram.

GHH659230Courtesy of HONDA, U.S.A., INC.
GHH659231Courtesy of HONDA, U.S.A., INC.
GHH659232Courtesy of HONDA, U.S.A., INC.
GHH659233Courtesy of HONDA, U.S.A., INC.