LEMON Manuals: Even more car manuals for everyone: 1960-2025
Home >> Acura >> 2025 >> MDX Base >> Repair and Diagnosis (Single Page) >> Steering >> Steering Control Systems >> Body Electrical System - Troubleshooting - System Description >> Circuit Diagram >> Power Windows Circuit Diagram (3.0L Engine)
April 5, 2026: LEMON Manuals is launched! Read the announcement.

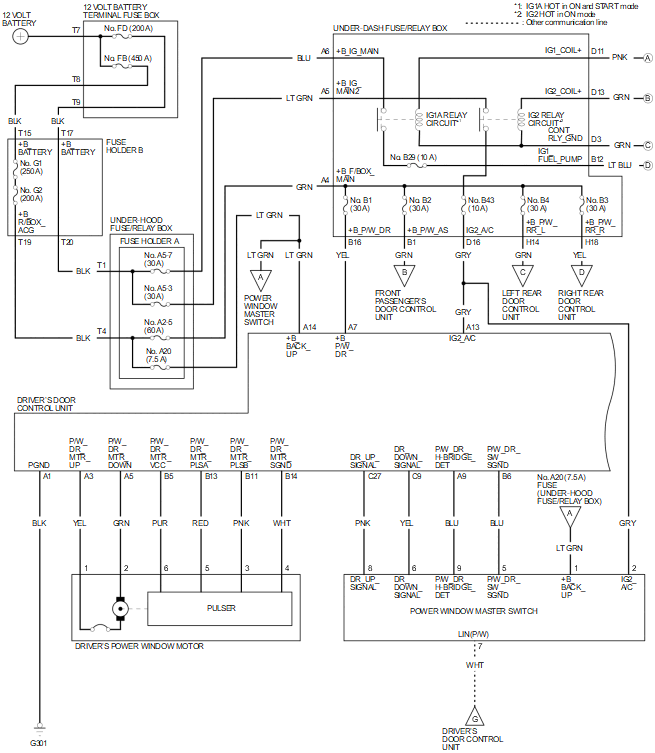
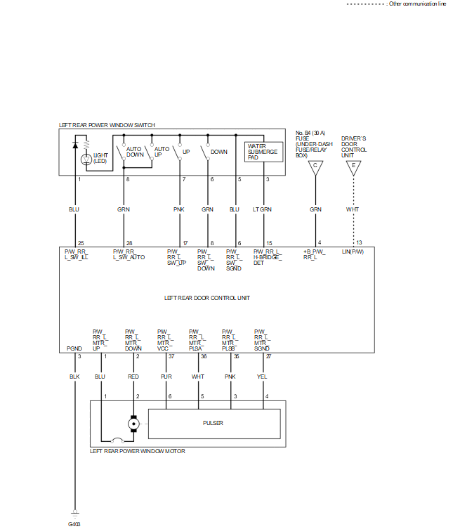
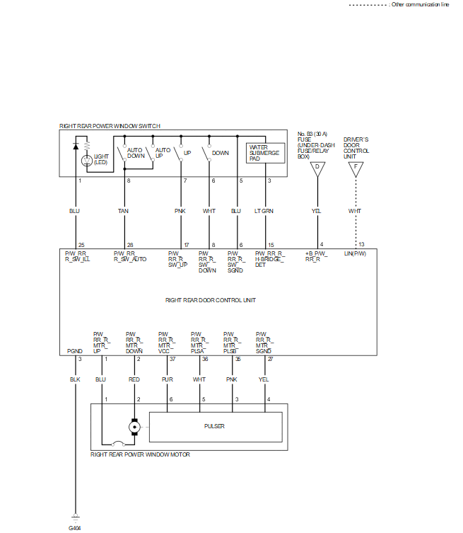
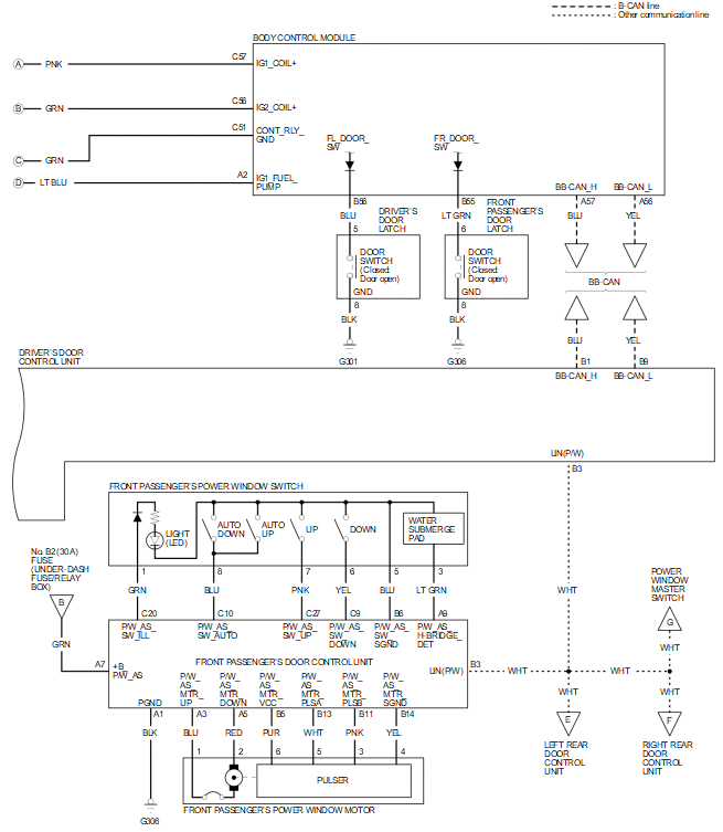
Power Windows Circuit Diagram (3.0L Engine)

NOTE:

For details of the CAN circuit, refer to the Network Communications Circuit Diagram.

GHH659268Courtesy of HONDA, U.S.A., INC.
GHH659269Courtesy of HONDA, U.S.A., INC.
GHH659270Courtesy of HONDA, U.S.A., INC.
GHH659271Courtesy of HONDA, U.S.A., INC.