LEMON Manuals: Even more car manuals for everyone: 1960-2025
Home >> Cadillac >> 1977 >> Seville >> Repair and Diagnosis >> Suspension >> Suspension Control Systems >> Automatic Level Control >> Overhaul >> Compressor Reassembly
April 5, 2026: LEMON Manuals is launched! Read the announcement.

Compressor Reassembly

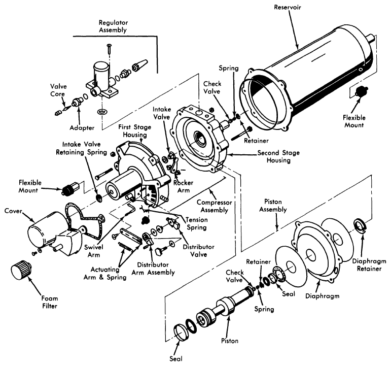
  1. Slide piston assembly into first stage (large diameter) housing, install actuating arm and attach to first stage housing with arm pivot screw (tighten to 12 INCH lbs.). Connect arm tension spring to swivel arm, then rotate piston in housing to align elongated hole in diaphragm with vent port in housing.
  2. Install through bolts holding first and second stage housings together (housings will align only one way), position nuts in counterbores of second stage housing, and tighten to 28 INCH lbs. Install "O" ring on second stage housing, clean and dry inside of reservoir, then install reservoir on second stage housing and tighten nuts to 28 INCH lbs. Tighten reservoir retaining through bolts to 28 INCH lbs. (bolt heads should be positioned against reservoir and do not install through bolt which holds cover).
  3. Install "O" ring on regulator, install regulator on housing and tighten screws to 35 INCH lbs. Service valve should be on same side as first stage housing. Install cover and gasket, tightening retaining screw to 35 INCH lbs. Head of through bolt must be positioned against reservoir. Tighten through bolt to 28 INCH lbs. Install adapters and flexible mounts, test compressor output and install on car.
Fig 1: Compressor, Reservoir, Regulator Assembly
G09341399Courtesy of GENERAL MOTORS COMPANY