LEMON Manuals: Even more car manuals for everyone: 1960-2025
Home >> Cadillac >> 1982 >> Cimarron Automatic Trans >> Repair and Diagnosis (Single Page) >> Engine Performance >> Engine Control Systems >> Computer Command Control >> Removal & Installation >> Electronic Control Module (ECM) >> Notes
April 5, 2026: LEMON Manuals is launched! Read the announcement.

Electronic Control Module (ECM): Notes

NOTE: The ECM may be located at right side kick panel, glove compartment area, center console area or behind driver's seat.
Fig 1: Wiring Diagram for Chevette and T1000
G09340313Courtesy of GENERAL MOTORS COMPANY
Fig 2: Wiring Diagram for 3.01 VIN E Engine
G09340314Courtesy of GENERAL MOTORS COMPANY
Fig 3: Wiring Diagram for All Electronic Fuel Injection (EFI) Engines
G09340315Courtesy of GENERAL MOTORS COMPANY
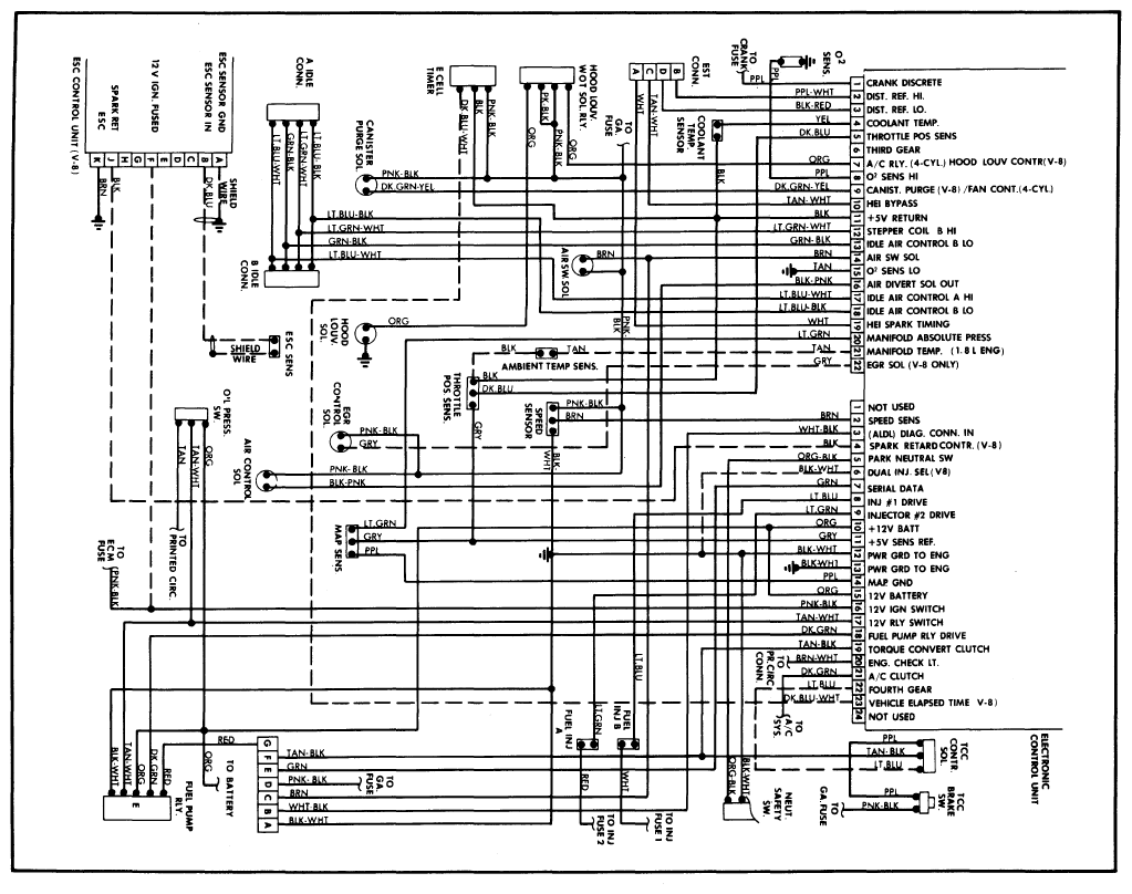
Fig 4: Wiring Diagram for All Other General Motors Engines
G09340316Courtesy of GENERAL MOTORS COMPANY