LEMON Manuals: Even more car manuals for everyone: 1960-2025
Home >> Cadillac >> 1985 >> Seville V8-252 4.1L >> Repair and Diagnosis >> Powertrain Management >> Computers and Control Systems >> Testing and Inspection >> Component Tests and General Diagnostics >> Input Switch Test Failure Diagnostic Tests >> Code .7.8 ``Instant/Average'' Circuit
April 5, 2026: LEMON Manuals is launched! Read the announcement.

Code .7.8 ``Instant/Average'' Circuit

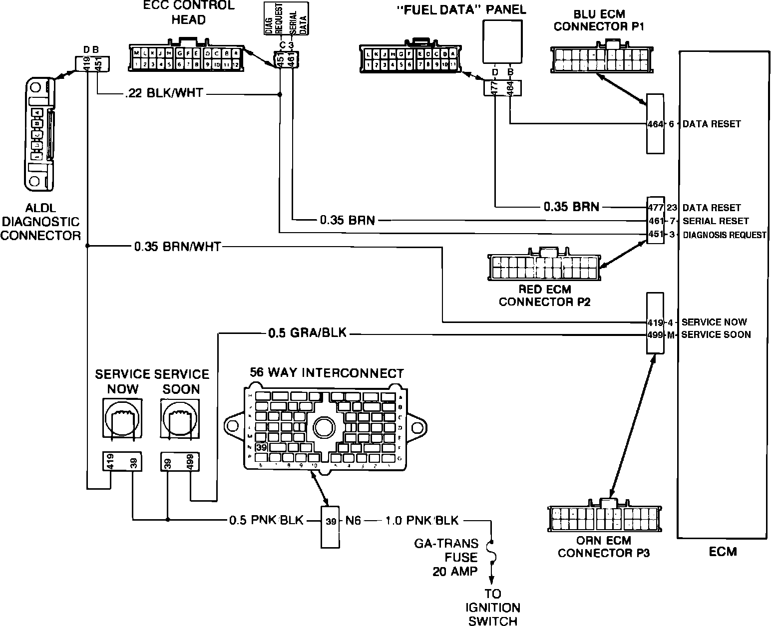
Fig. 33 Fuel data wiring circuit:





The ``instant/average'' data request line, circuit 477, is grounded by depressing the ``instant/average'' button on the ``Fuel Data'' panel. Code .7.8 indicates that the ECM is not receiving a 0 volt signal when the button is depressed.
1. Turn ignition on, then disconnect fuel data panel electrical connector and connect and disconnect jumper wire between harness connector pin D and ground.
2. If code .7.8 passes when jumper is removed, the ECM is operating properly. Check circuit 990 (1985, 155) for an open between fuel data panel and ground. If circuit is satisfactory, check for faulty fuel data connector or panel.
3. If code .7.8 remains when jumper is removed, check circuit 477 for an open or a short to ground and repair as necessary. If circuit is satisfactory, check for faulty ECM or ECM connector.