LEMON Manuals: Even more car manuals for everyone: 1960-2025
Home >> Cadillac >> 1987 >> Allante F7/ME9 >> Repair and Diagnosis >> Body & Frame >> Body, Cab Control Systems >> Body Computer Module >> Wiring Diagrams
April 5, 2026: LEMON Manuals is launched! Read the announcement.

Wiring Diagrams

NOTE: For exterior and/or interior lights, see SYSTEM WIRING DIAGRAMS article in ELECTRICAL.
Fig 1: Body Computer Module Wiring Diagram (1 Of 5)
G00080588Courtesy of GENERAL MOTORS CORP.
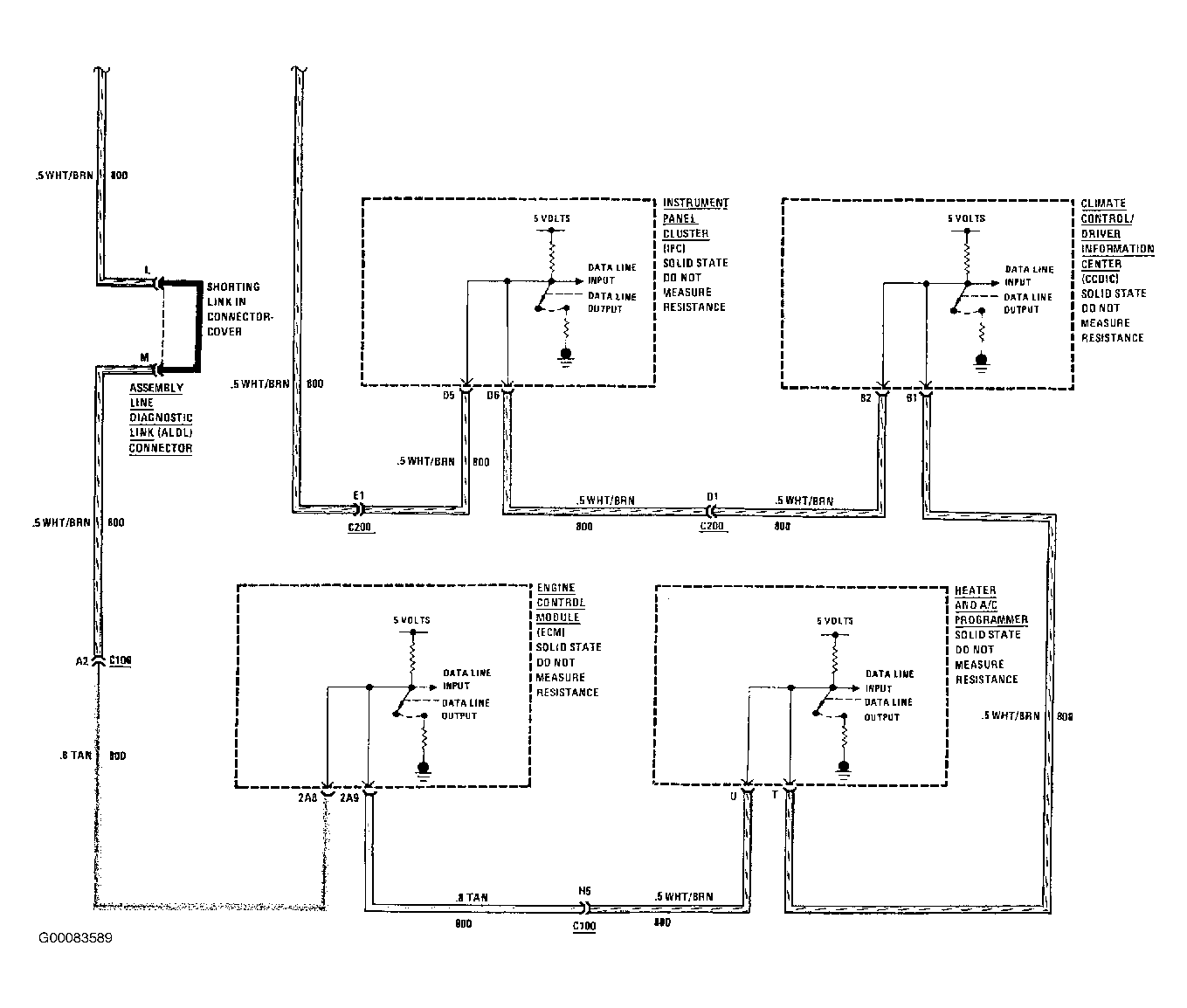
Fig 2: Body Computer Module Wiring Diagram (2 Of 5)
G00080589Courtesy of GENERAL MOTORS CORP.
Fig 3: Body Computer Module Wiring Diagram (3 Of 5)
G00080590Courtesy of GENERAL MOTORS CORP.
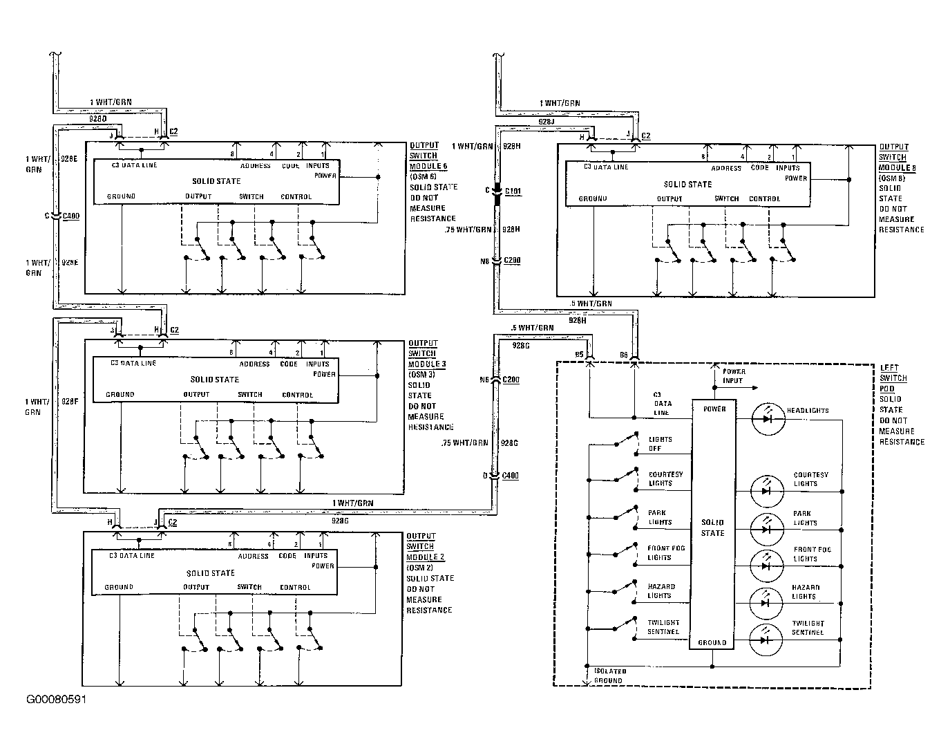
Fig 4: Body Computer Module Wiring Diagram (4 Of 5)
G00080591Courtesy of GENERAL MOTORS CORP.
Fig 5: Body Computer Module Wiring Diagram (5 Of 5)
G00080592Courtesy of GENERAL MOTORS CORP.
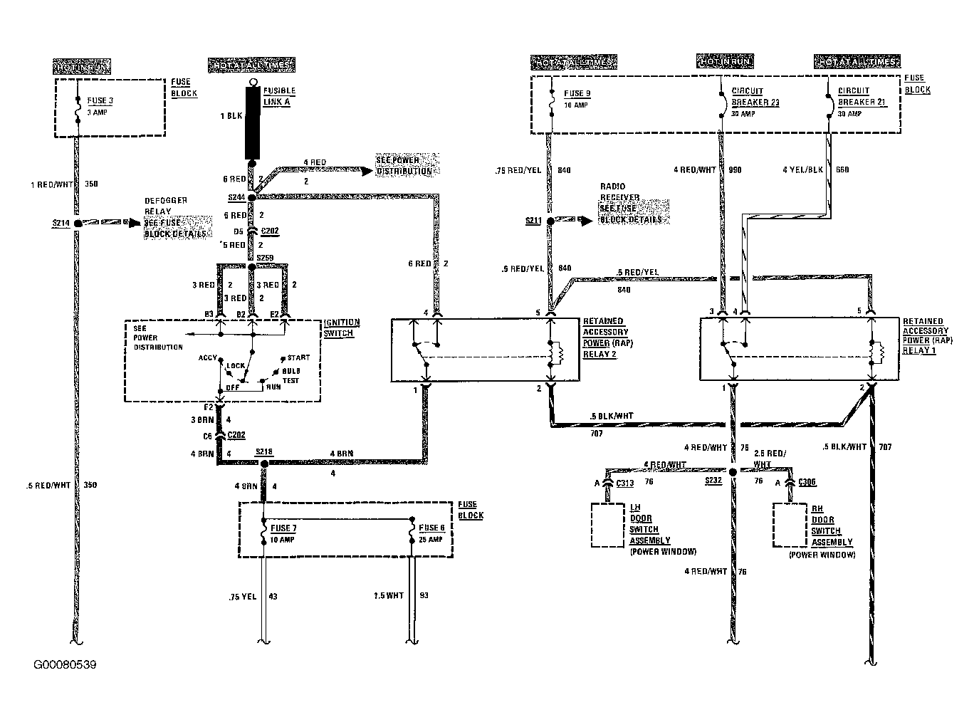
Fig 6: Retained Accessory Power Wiring Diagram (1 Of 2)
G00080539Courtesy of GENERAL MOTORS CORP.
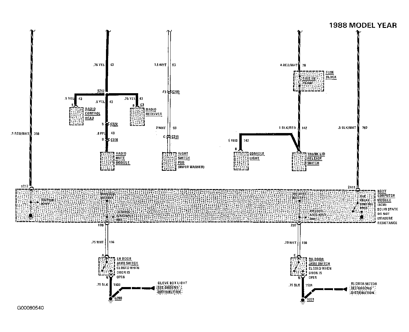
Fig 7: Retained Accessory Power Wiring Diagram (2 Of 2)
G00080540Courtesy of GENERAL MOTORS CORP.