LEMON Manuals: Even more car manuals for everyone: 1960-2025
Home >> Cadillac >> 1987 >> Allante F7/ME9 >> Repair and Diagnosis >> Engine Performance >> System >> Self-Diagnostics >> Data Communication Circuit Charts >> System Check Chart D-1: Data Circuit Problem (Analog Cluster)
April 5, 2026: LEMON Manuals is launched! Read the announcement.

System Check Chart D-1: Data Circuit Problem (Analog Cluster)

You have been directed to this chart from the "Diagnostic System Check" as a result of the IPC voltmeter not indicating voltage. This is a result of total loss of communication on circuit 800 due to a wiring or element problem.

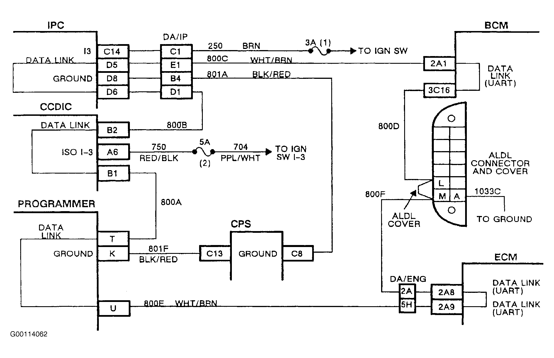
NOTE: The following step numbers refer to circled numbers on diagnostic chart. See Fig 1 . For circuit identification, see Fig 2 .
  1. The ALDL cover is one of the branches of the 800 circuit, if it is off one should start diagnosis at "Self-Diagnostic System Check".
  2. This step will isolate a fault in the data circuit between the ALDL cover and the programmer. If the voltmeter continues to read zero, circuits 800A, 800B, 8000, 800D, the IPC, BCM, and CCDIC are suspect.
  3. This step will remove the problem if it is within the CCDIC or circuit 800A.
  4. This will isolate circuit 800D as the problem, if the actual voltage returns.
  5. This checks for a faulty IPC, or circuit 8000.
  6. This final step will isolate the condition to the BCM, circuit 8000, or 800B.
Fig 1: Identifying Chart D-1: Data Circuit Problem (Analog Cluster) Flow Chart
G00114063Courtesy of GENERAL MOTORS CORP.
Fig 2: Identifying Chart D-1: Data Circuit Problem (Analog Cluster) Flow Chart Circuit
G00114062Courtesy of GENERAL MOTORS CORP.