LEMON Manuals: Even more car manuals for everyone: 1960-2025
Home >> Cadillac >> 1987 >> Allante F7/ME9 >> Repair and Diagnosis >> Engine Performance >> System >> Self-Diagnostics >> ECM Data Circuit Charts >> System Check Chart A-1: Data Circuit Problem
April 5, 2026: LEMON Manuals is launched! Read the announcement.

System Check Chart A-1: Data Circuit Problem

You have been directed to this chart from the diagnostic system check as a result of an odometer reading of "0" or "ERROR". This is a result of total loss of communication on circuit No. 800 due to a wiring or element problem, or an EEPROM problem.

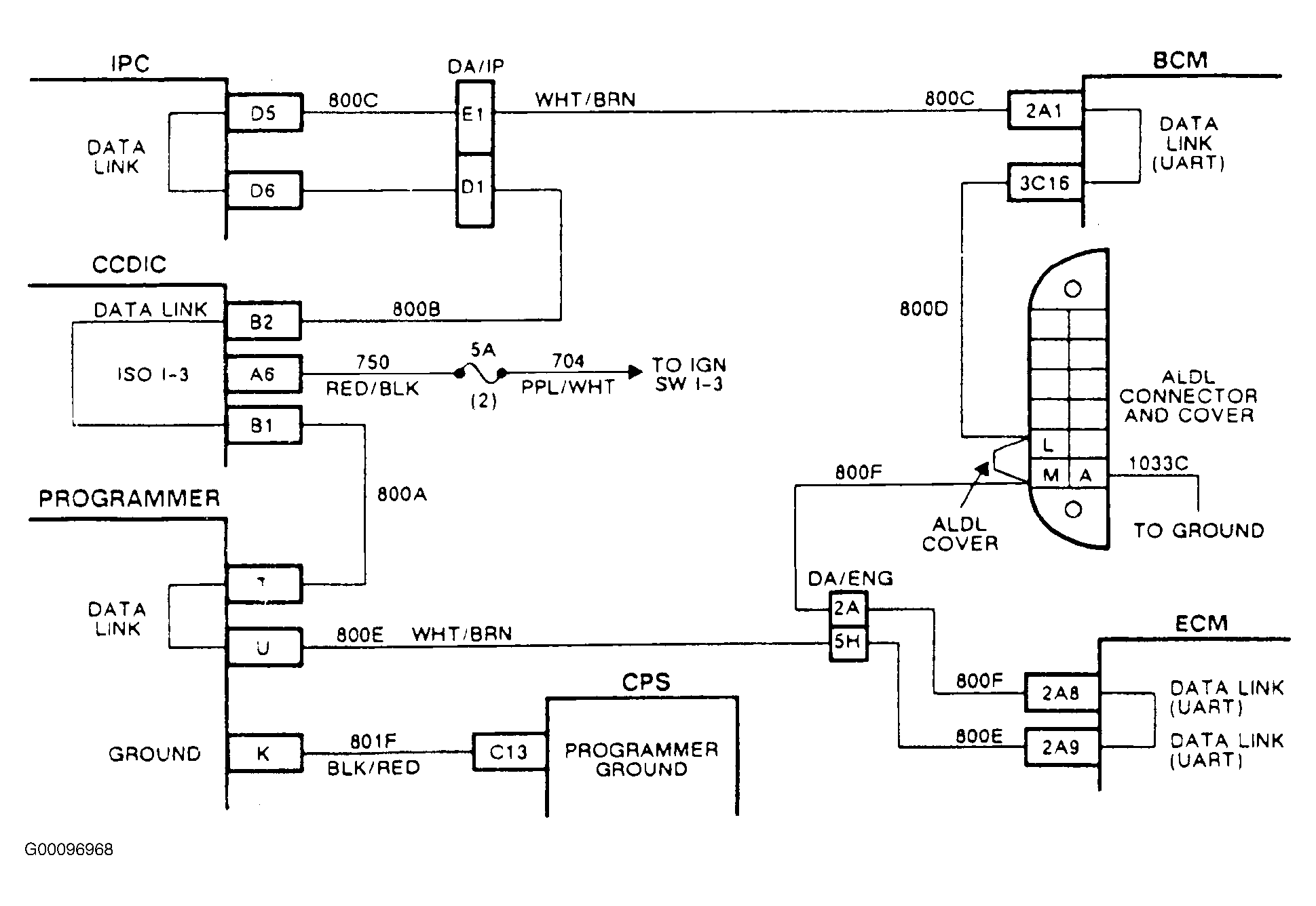
NOTE: The following step numbers refer to circled numbers on diagnostic chart. See Fig 1 . For circuit identification, see Fig 2 .
  1. The Assembly Line Data Link (ALDL) cover is one of the branches of circuit No. 800.
  2. This isolates a fault in the data circuit between ALDL cover and the programmer. If odometer continues to read zero mph, circuits 800A-D, the IPC, BCM, and CCDIC are suspect.
  3. This step will remove the problem if it is within the CCDIC or circuit 800A.
  4. This will isolate circuit 800D as the problem, if the actual mileage returns.
  5. This checks for faulty IPC, or circuit 800C.
  6. This isolates the condition to the BCM, circuits 800C or 800B.
Fig 1: Identifying Chart A-1 (Data Circuit Problem) Flow Chart
G00096966Courtesy of GENERAL MOTORS CORP.
Fig 2: Identifying Chart A-1 Flow Chart Circuit
G00096968Courtesy of GENERAL MOTORS CORP.