LEMON Manuals: Even more car manuals for everyone: 1960-2025
Home >> Cadillac >> 1987 >> Allante F7/ME9 >> Repair and Diagnosis >> Engine Performance >> System >> Self-Diagnostics >> ECM Data Circuit Charts >> System Check Chart A-2: Data Circuit Problem
April 5, 2026: LEMON Manuals is launched! Read the announcement.

System Check Chart A-2: Data Circuit Problem

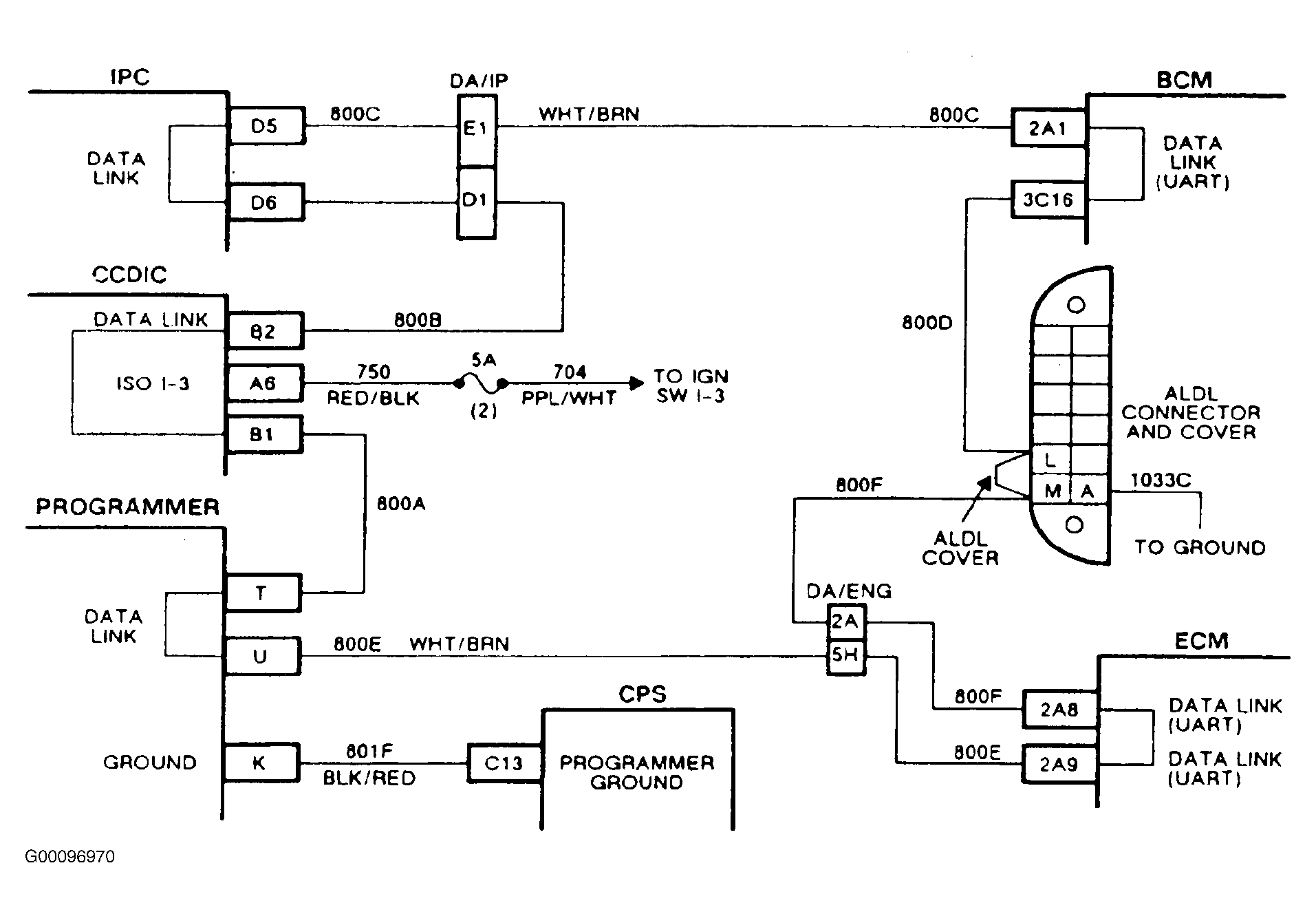
NOTE: The following step numbers refer to circled numbers on diagnostic chart. See Fig 1 . For circuit identification, see Fig 2 .
  1. If "ERROR" is displayed the BCM EEPROM and the IPC are suspect. Zero mileage reading will display if EEPROM is at fault.
  2. The fault has been isolated to be between the ALDL and the programmer. This step checks circuit 800F.
  3. This will determine if the hardware (ECM or programmer) are suspect, or if the condition is in circuit 800E.
  4. The problem is within the ECM programmer ground, or programmer. Reconnecting the programmer will isolate the ECM.
Fig 1: Identifying Chart A-2 (Data Circuit Problem) Flow Chart
G00096969Courtesy of GENERAL MOTORS CORP.
Fig 2: Identifying Chart A-1 Flow Chart Circuit
G00096970Courtesy of GENERAL MOTORS CORP.