LEMON Manuals: Even more car manuals for everyone: 1960-2025
Home >> Cadillac >> 1987 >> Allante V8-252 4.1L >> Repair and Diagnosis >> Diagrams >> Electrical Diagrams >> Powertrain Management >> System Diagram >> Output Switch Module Data Line
April 5, 2026: LEMON Manuals is launched! Read the announcement.

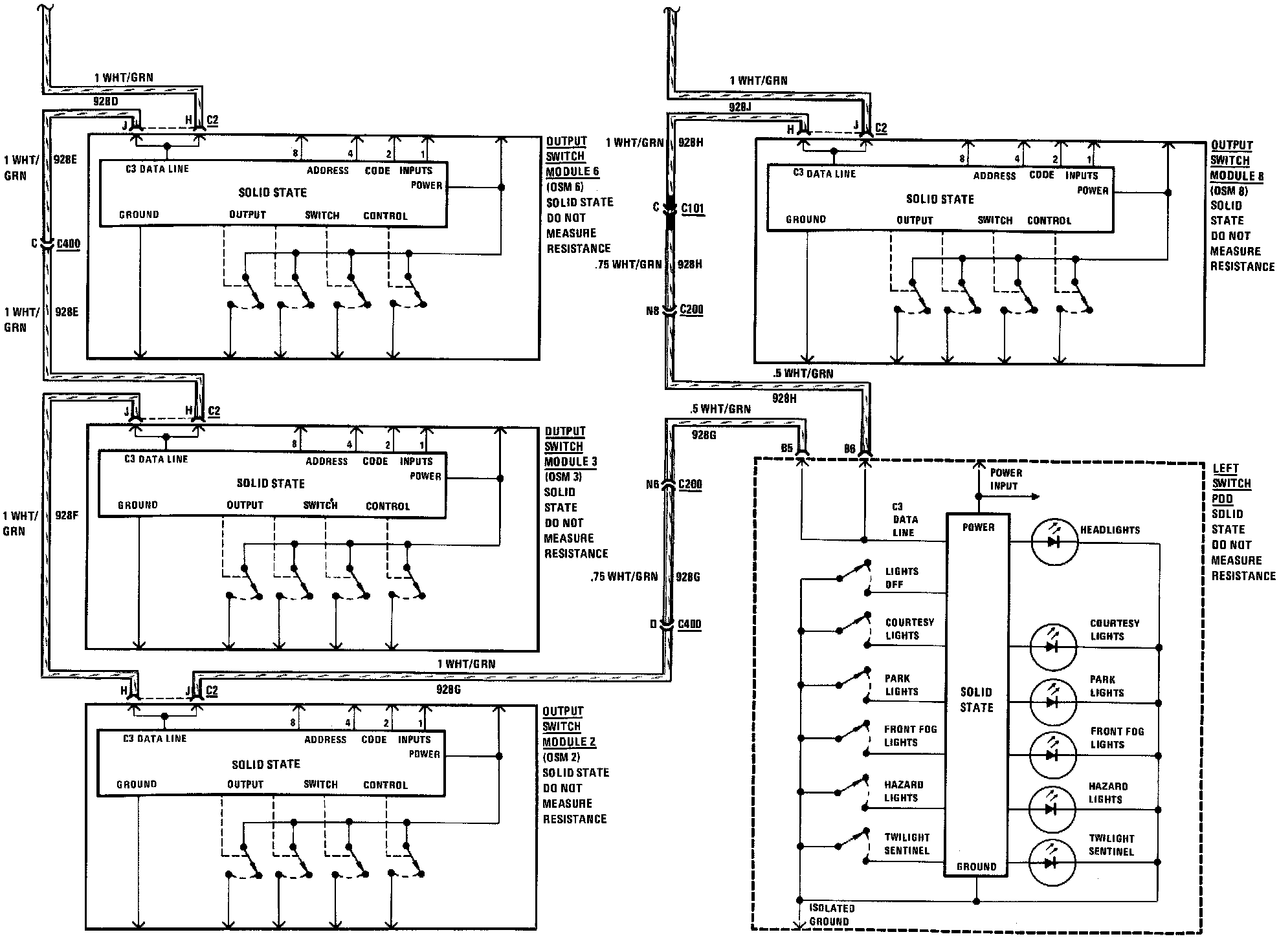
Output Switch Module Data Line

Output Switch Module Data Line (Part 1 Of 2):



Output Switch Module Data Line (Part 2 Of 2):